GM Service Manual Online
For 1990-2009 cars only
Makes
🢒
Chevrolet
🢒
2008
🢒
Impala
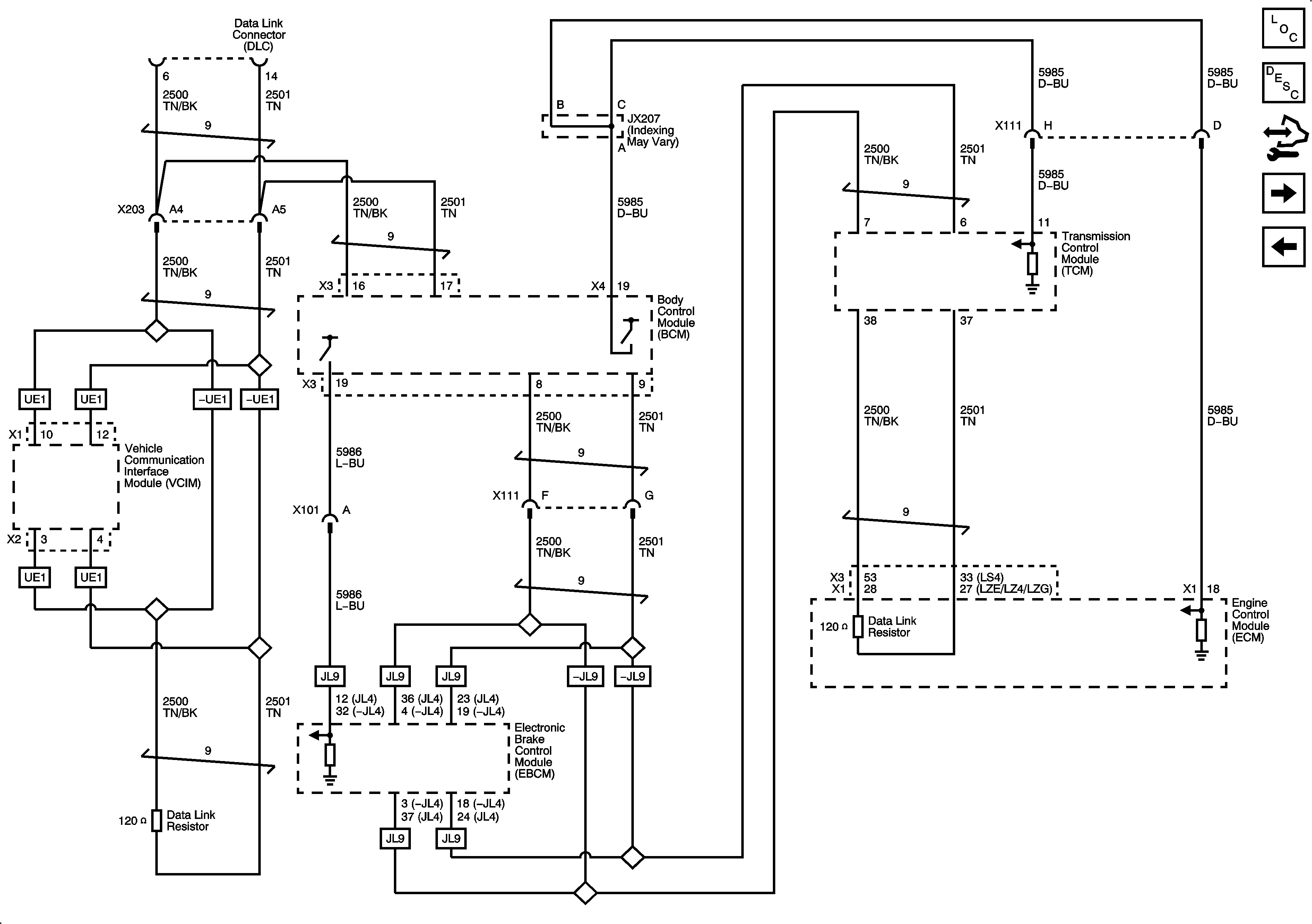
🢒 High Speed GMLAN Serial Data
High Speed GMLAN Serial Data
High Speed GMLAN Serial Data
Master Electrical Component List
Data Link Communications Description and Operation
Control Module References
CAN Bus Serial Data - JL4
Power, Ground, and Low Speed GMLAN Serial Data