GM Service Manual Online
For 1990-2009 cars only
Makes
🢒
Chevrolet
🢒
2008
🢒
Impala
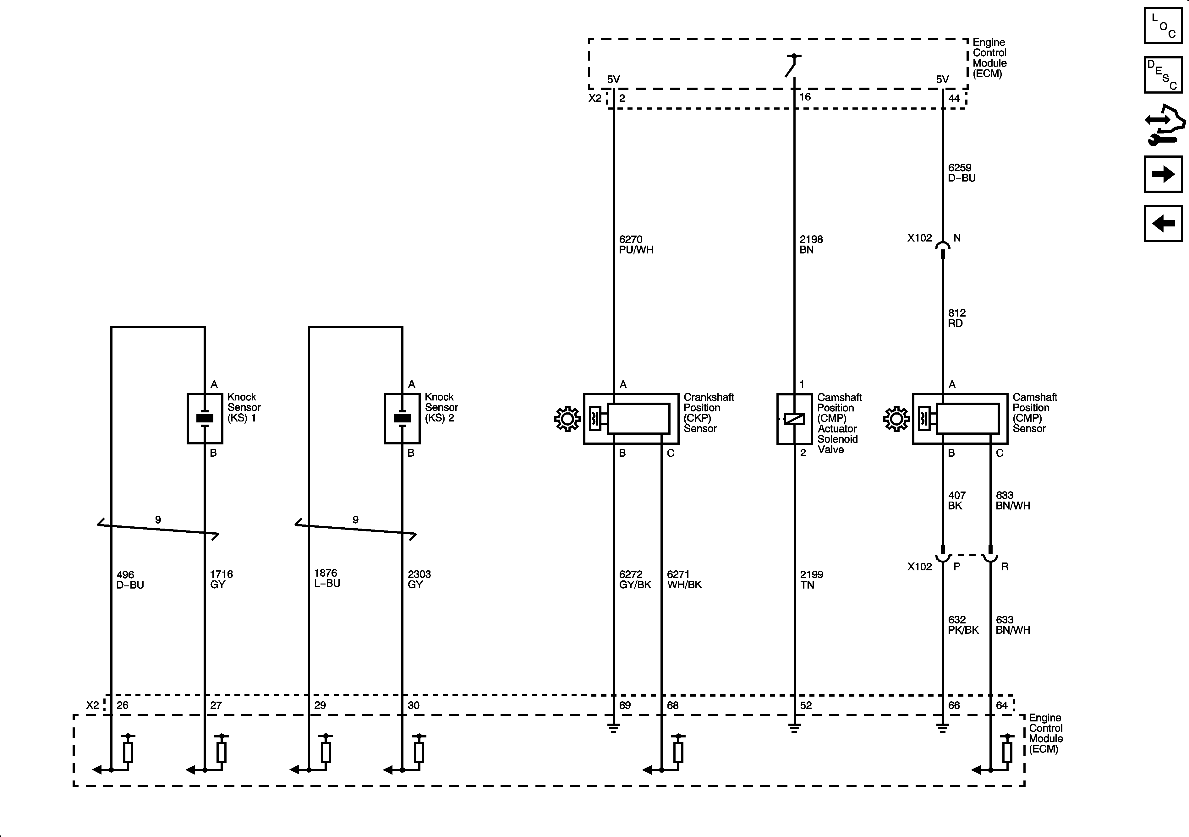
🢒 Camshaft, Crankshaft, Knock Sensors, and Camshaft Position Actuator Solenoid
Camshaft, Crankshaft, Knock Sensors, and Camshaft Position Actuator Solenoid
Camshaft, Crankshaft, Knock Sensors, and Camshaft Position Actuator Solenoid
Master Electrical Component List
Camshaft Actuator System Description
Control Module References
Secondary Air Injection - NU3
Ignition Control Module