GM Service Manual Online
For 1990-2009 cars only
Makes
🢒
Chevrolet
🢒
2008
🢒
Impala
🢒 Wiper/Washer Schematics
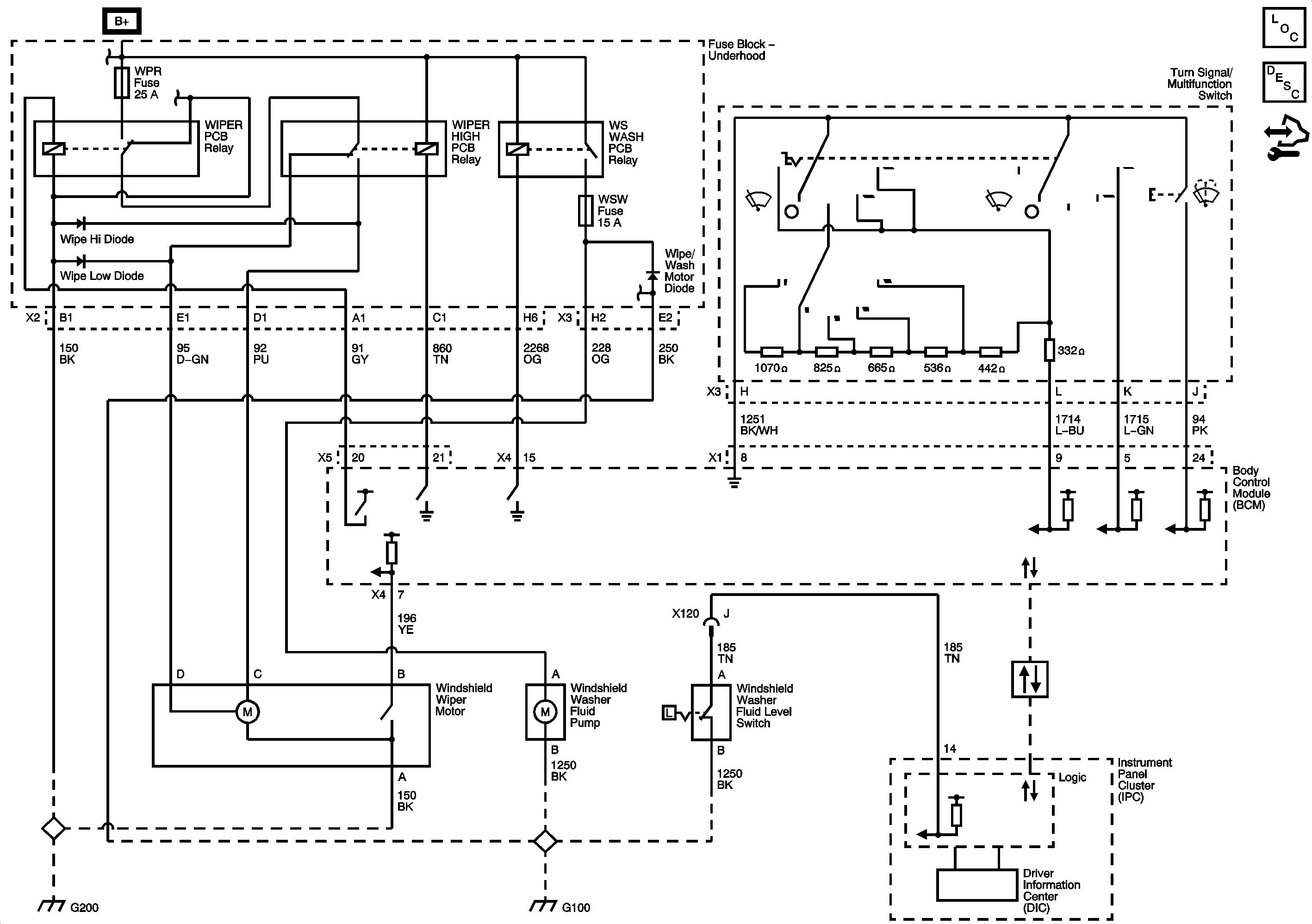
Wiper/Washer Schematics
Master Electrical Component List
Wiper/Washer System Description and Operation
Control Module References
Fuse Block - Underhood Bussing
Power, Ground, and Low Speed GMLAN Serial Data
G200
G100
G200
G100