GM Service Manual Online
For 1990-2009 cars only

Service of the engine control module (ECM) should normally consist of either replacement of the ECM or electrically erasable programmable read only memory (EEPROM) programming. If the diagnostic procedures call for ECM replacement, inspect the ECM first to see if the replacement is the correct part. If the ECM is faulty, remove the ECM and install the new service ECM.

The new service ECM will not be programmed. You must program the new ECM. DTC P0602 indicates the EEPROM is not programmed or has malfunctioned.

Caution: In order to prevent any possible electrostatic discharge damage to the ECM, do not touch the connector pins or the soldered components on the circuit board.

Caution: Always turn the ignition off when installing or removing the ECM connectors in order to prevent damage to the components.

Removal Procedure

Note: It is necessary to record the remaining engine oil life. If the replacement module is not programed with the remaining engine oil life, the engine oil life will default to 100 percent. If the replacement module is not programmed with the remaining engine oil life, the engine oil will need to be changed at 5 000 km (3,000 mi) from the last engine oil change.


    Object Number: 1618724  Size: SH
  1. Using a scan tool, retrieve the percentage of remaining engine oil. Record the remaining engine oil life, if required.
  2. Disconnect the negative battery cable. Refer to Battery Negative Cable Disconnection and Connection.
  3. Remove the left front inner fender brace. Refer to Front Fender Upper Diagonal Brace Replacement.
  4. Remove the air cleaner assembly. Refer to Air Cleaner Assembly Replacement.
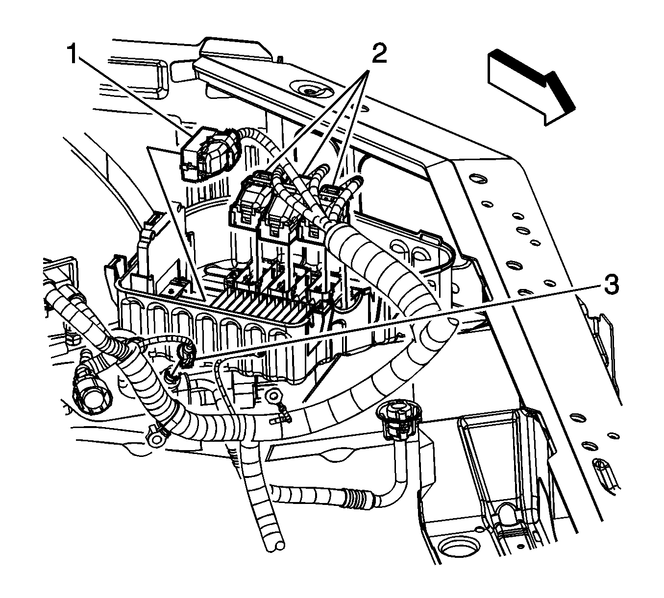
  5. Disconnect the ECM electrical connectors (2).

  6. Object Number: 1554547  Size: SH
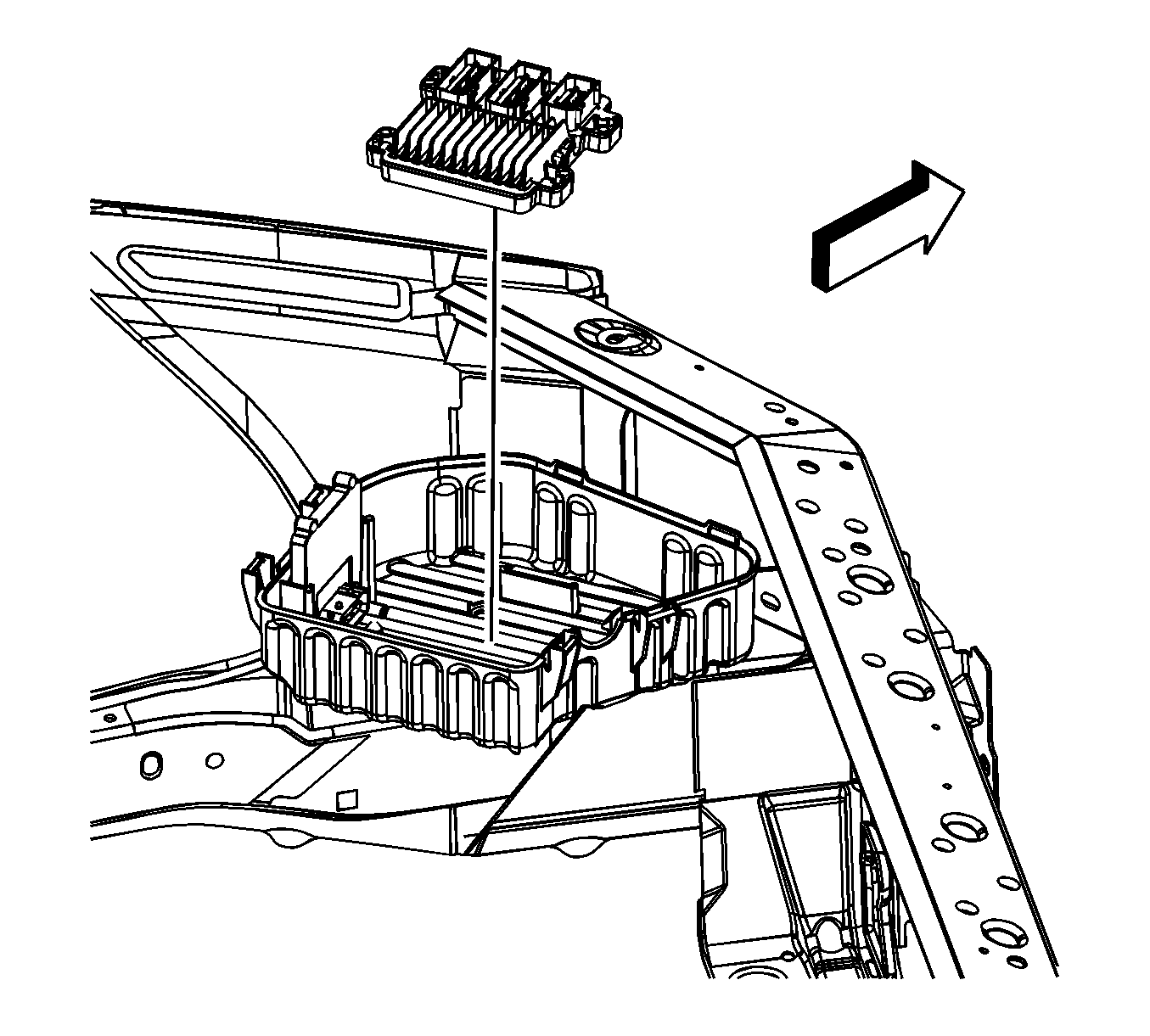
  7. Remove the ECM from the air cleaner lower housing.

Installation Procedure


    Object Number: 1554547  Size: SH
  1. Install the ECM to the air cleaner lower housing.

  2. Object Number: 1618724  Size: SH
  3. Connect the ECM electrical connectors (2).
  4. Install the air cleaner assembly. Refer to Air Cleaner Assembly Replacement.
  5. Install the left front inner fender brace. Refer to Front Fender Upper Diagonal Brace Replacement.
  6. Connect the negative battery cable. Refer to Battery Negative Cable Disconnection and Connection.
  7. Program the new ECM. Refer to Control Module References.