GM Service Manual Online
For 1990-2009 cars only
Figure 1:

Power, Ground, and Brake Pressure Modulator Valves


Object Number: 2080335  Size: FS
Master Electrical Component List
ABS Description and Operation
Control Module References
Wheel Speed Sensors
Figure 2:

Indicators, ABS, and Traction Control


Object Number: 2080344  Size: FS
Master Electrical Component List
ABS Description and Operation
Control Module References
Wheel Speed Sensors
Power, Ground, and Brake Pressure Modulator Valves
Figure 3:

Wheel Speed Sensors


Object Number: 2080353  Size: FS
Master Electrical Component List
ABS Description and Operation
Control Module References
Steering Angle and Yaw and Lateral Accelerometer Sensors (JL4)
Power, Ground, and Brake Pressure Modulator Valves
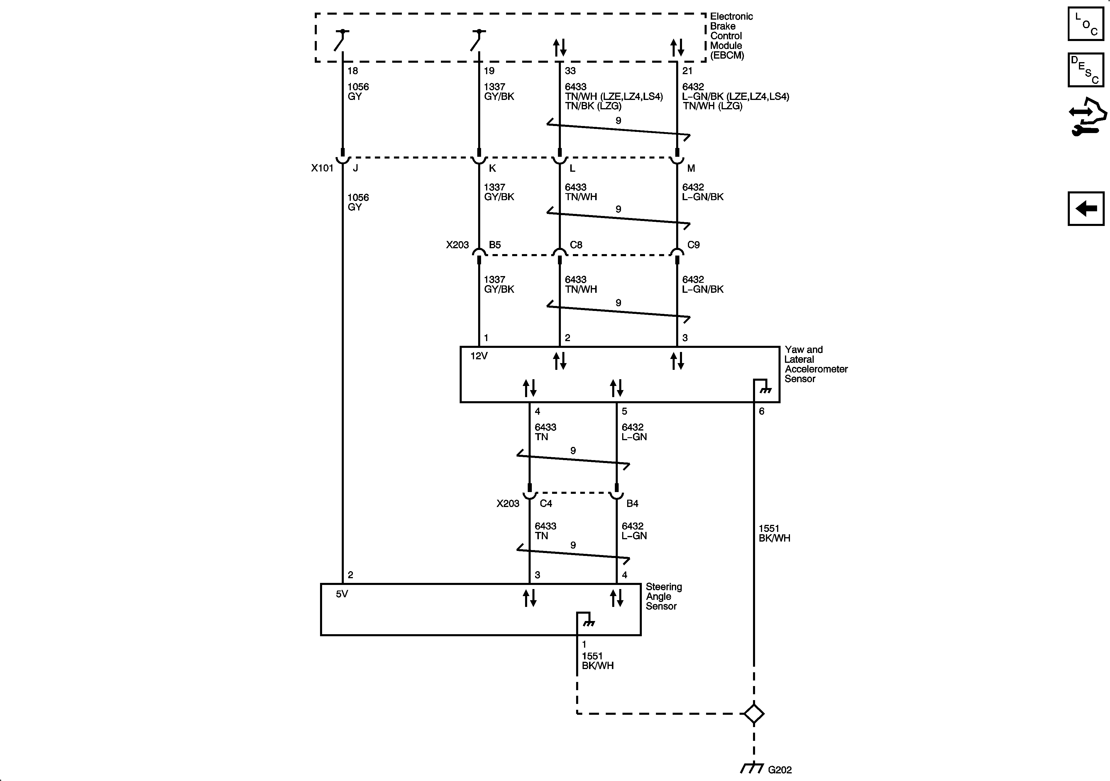
Figure 4:

Steering Angle and Yaw and Lateral Accelometer Sensors (JL4)


Object Number: 2080360  Size: FS
Master Electrical Component List
ABS Description and Operation
Control Module References
Wheel Speed Sensors