GM Service Manual Online
For 1990-2009 cars only
Makes
🢒
Chevrolet
🢒
2009
🢒
Impala
🢒
Safety and Security
🢒
Supplemental Inflatable Restraints
🢒 SIR Schematics
Figure
1:
Power, Ground, DLC, Indicators, Sensors, and References
Master Electrical Component List
SIR System Description and Operation
Control Module References
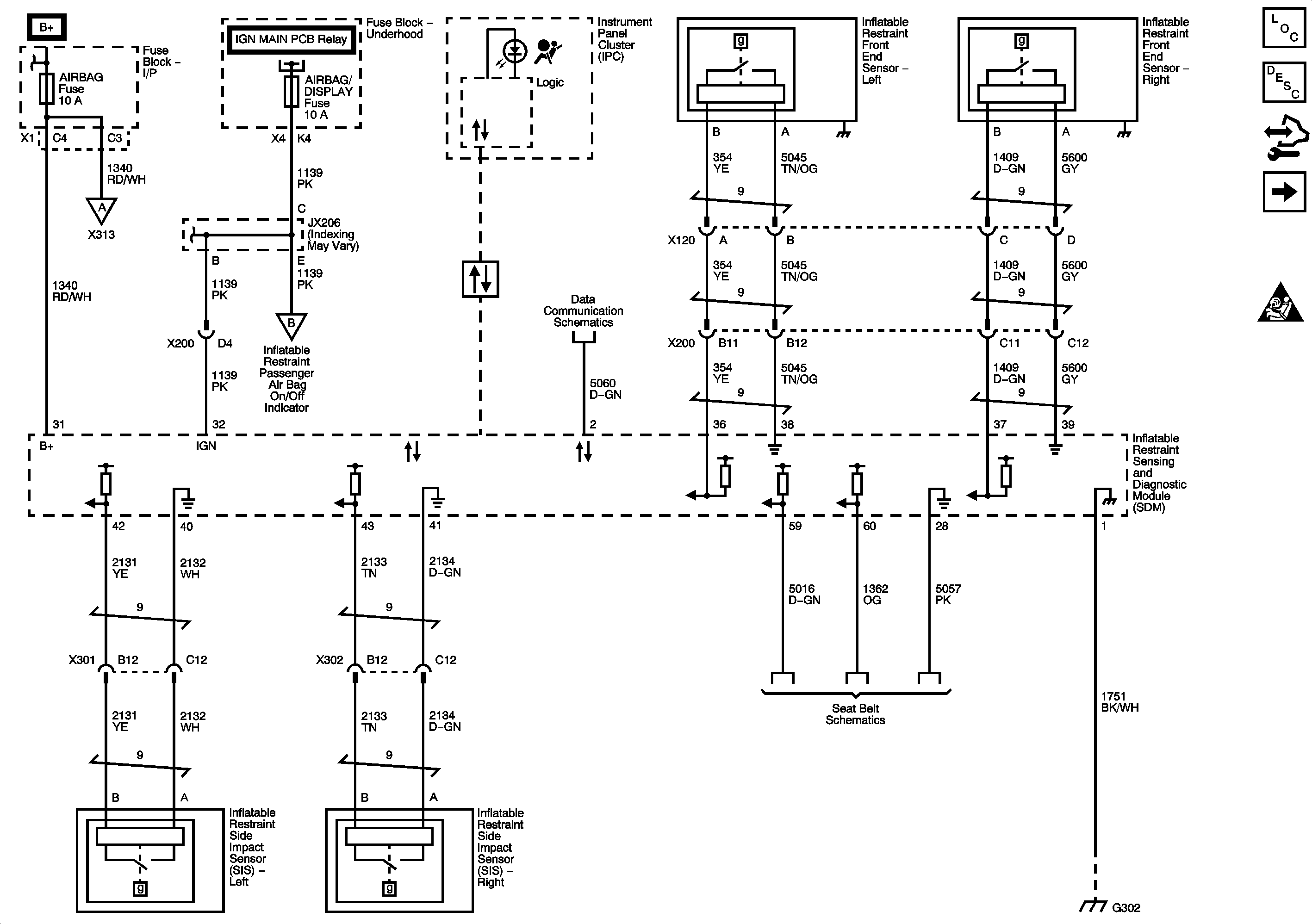
Deployment Loops
Master Electrical Schematic Icons
BATT 2, HTD/SEAT, AIRBAG, PWR/MIR Fuses, and PWR/SEAT Circuit Breaker
Fuse Block - Underhood Bussing
ECM IGN, TRANS, PWR DROP/CRNK, AIRBAG/DISPLAY, STRTR, FUEL/PUMP, and HORN Fuses
Power, Ground, and Low Speed GMLAN Serial Data
Power, Ground, and Low Speed GMLAN Serial Data
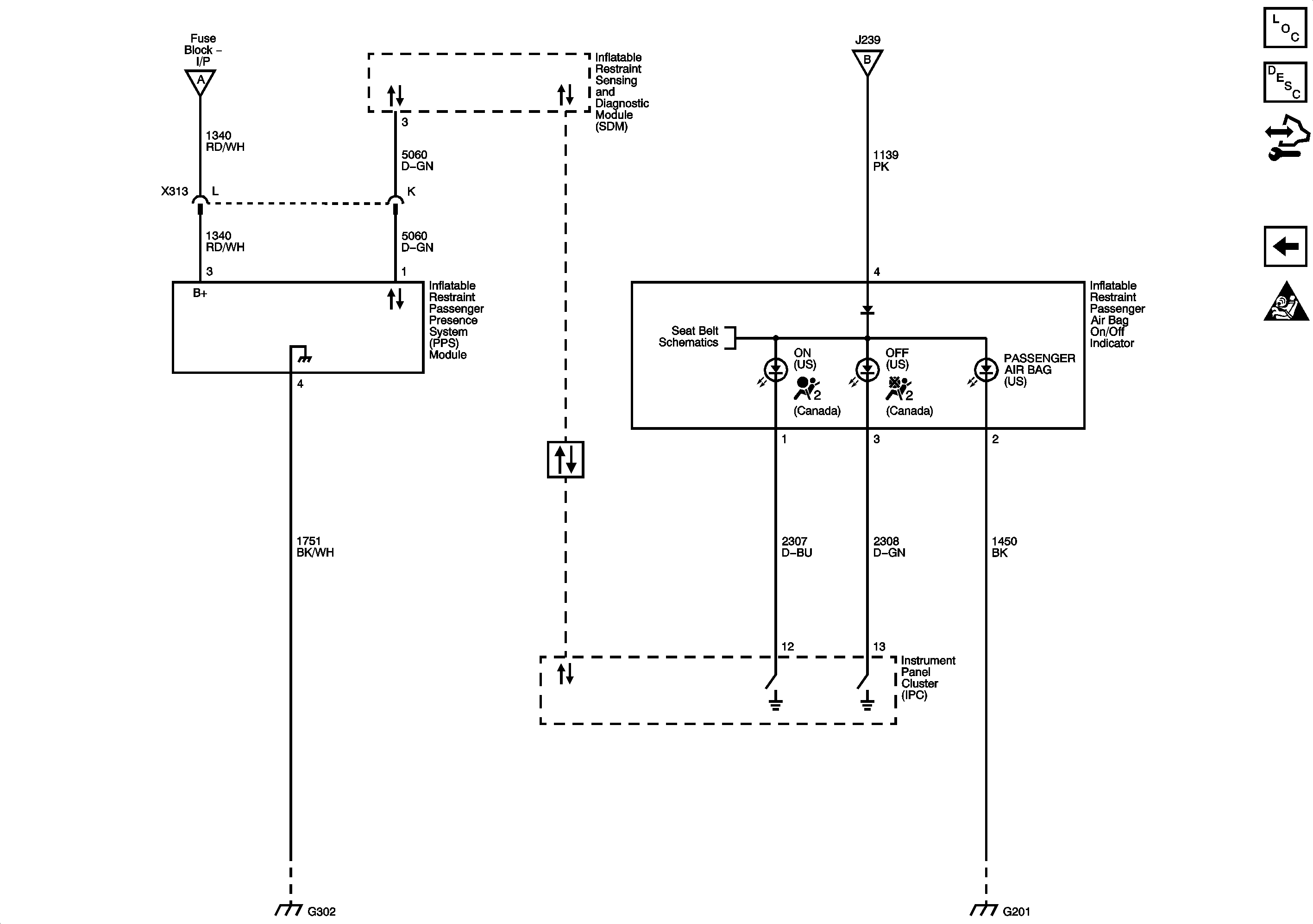
Passenger Presence System
Passenger Presence System
Seat Belt Schematics
G302 (2 of 2)
Figure
2:
Deployment Loops
Master Electrical Component List
SIR System Description and Operation
Control Module References
Passenger Presence System
Power, Ground, DLC, Indicators, Sensors, and References
Master Electrical Schematic Icons
Figure
3:
Passenger Presence System
Master Electrical Component List
SIR System Description and Operation
Control Module References
Deployment Loops
Master Electrical Schematic Icons
Power, Ground, DLC, Indicators, Sensors, and References
Power, Ground, DLC, Indicators, Sensors, and References
Power, Ground, and Low Speed GMLAN Serial Data
Power, Ground, and Low Speed GMLAN Serial Data
Seat Belt Schematics
G302 (2 of 2)
G201