GM Service Manual Online
For 1990-2009 cars only
Makes
🢒
Chevrolet
🢒
2009
🢒
Impala
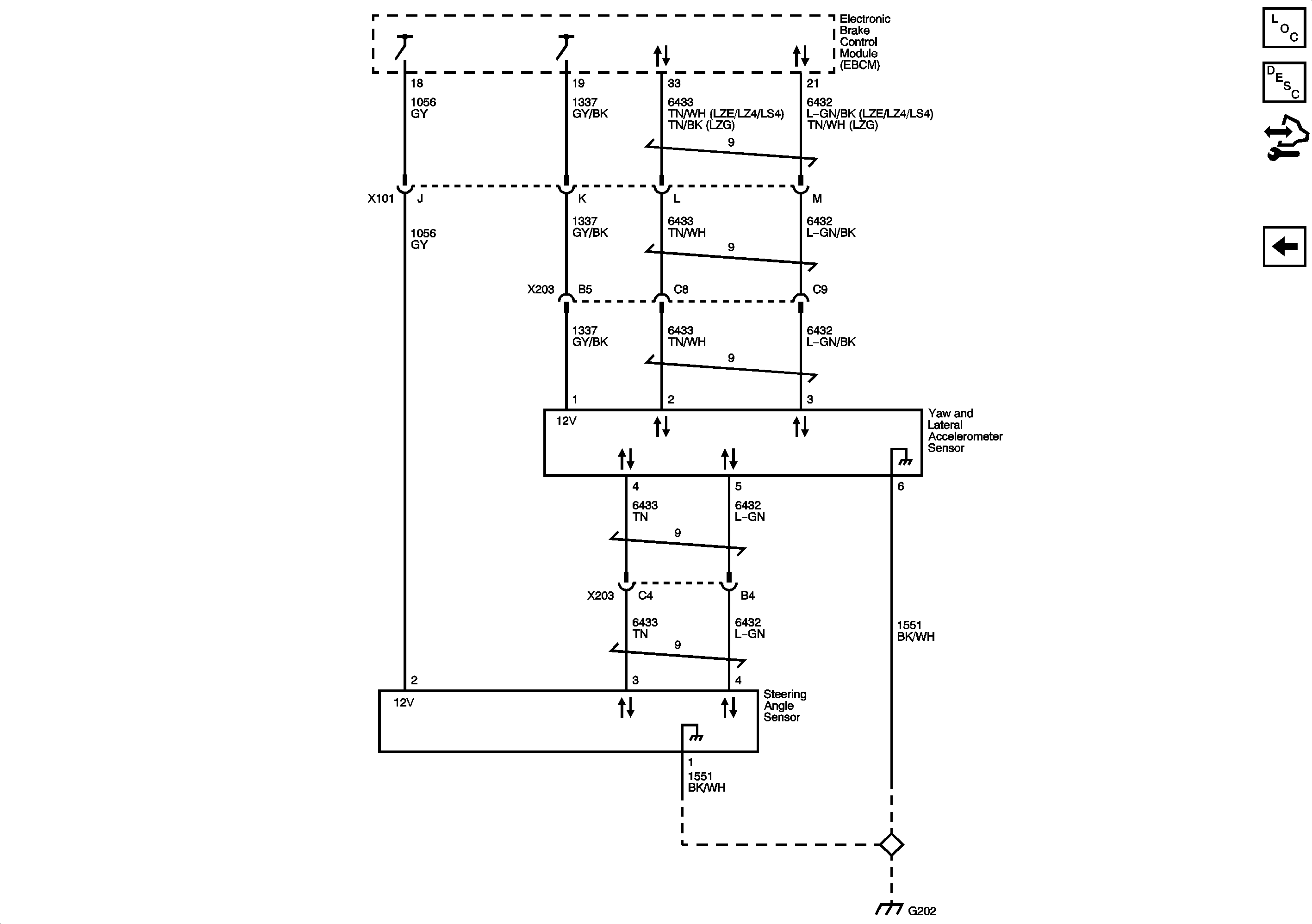
🢒 Steering Angle and Yaw and Lateral Accelerometer Sensors (JL4)
Steering Angle and Yaw and Lateral Accelerometer Sensors (JL4)
Steering Angle and Yaw and Lateral Accelometer Sensors (JL4)
Master Electrical Component List
ABS Description and Operation
Control Module References
Wheel Speed Sensors
G202, and G204