GM Service Manual Online
For 1990-2009 cars only
Makes
🢒
Chevrolet
🢒
2009
🢒
Impala
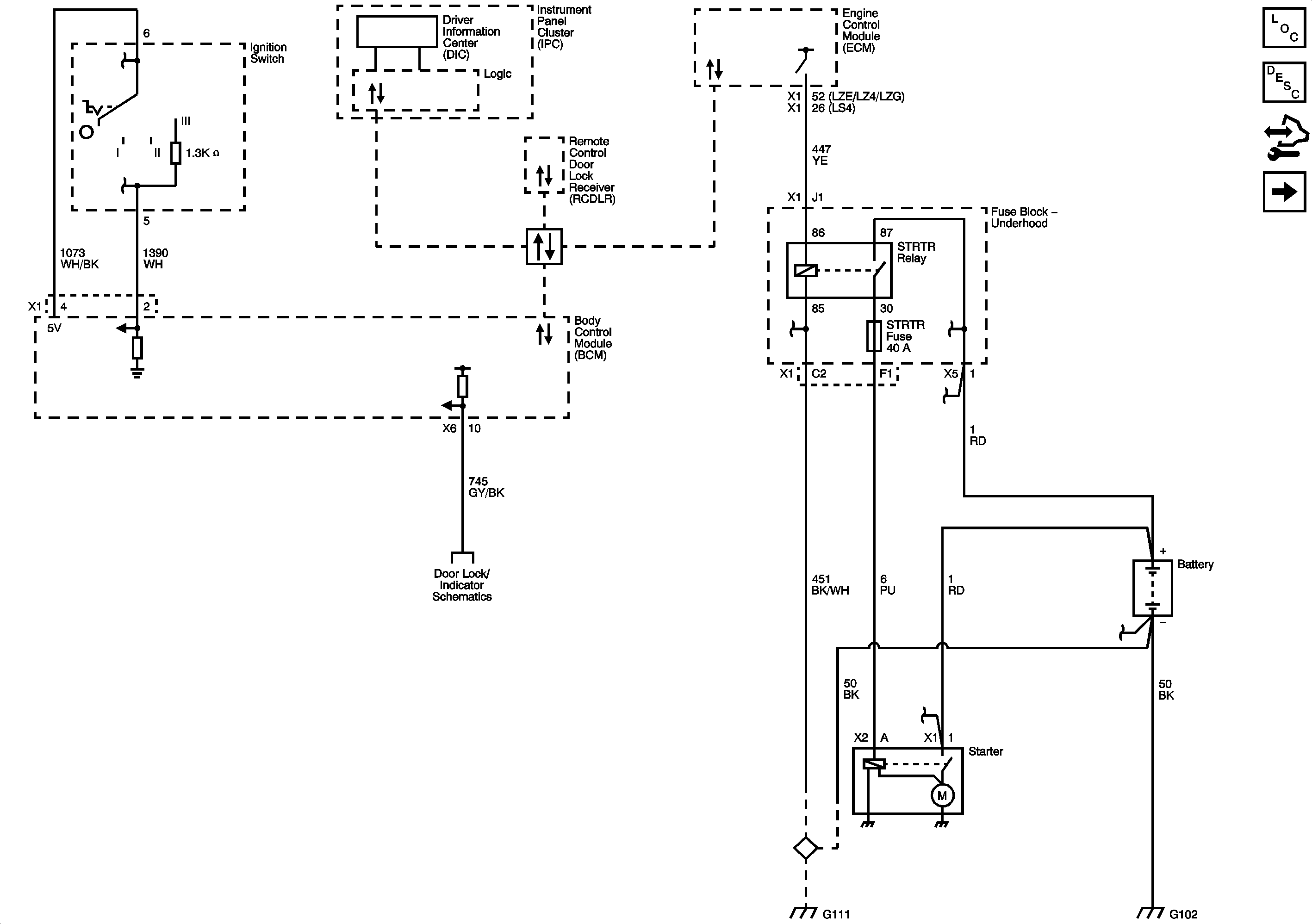
🢒 Starter
Starter
Starter
Master Electrical Component List
Starting System Description and Operation
Control Module References
Generator
Ignition Switch
Fuse Block - Underhood Bussing
Fuse Block - Underhood Bussing
Power, Ground, and Low Speed GMLAN Serial Data
Door Ajar Indicators
G101, G102, and G111
G101, G102, and G111
G101, G102, and G111
G101, G102, and G111