GM Service Manual Online
For 1990-2009 cars only
Makes
🢒
Chevrolet
🢒
2009
🢒
Impala
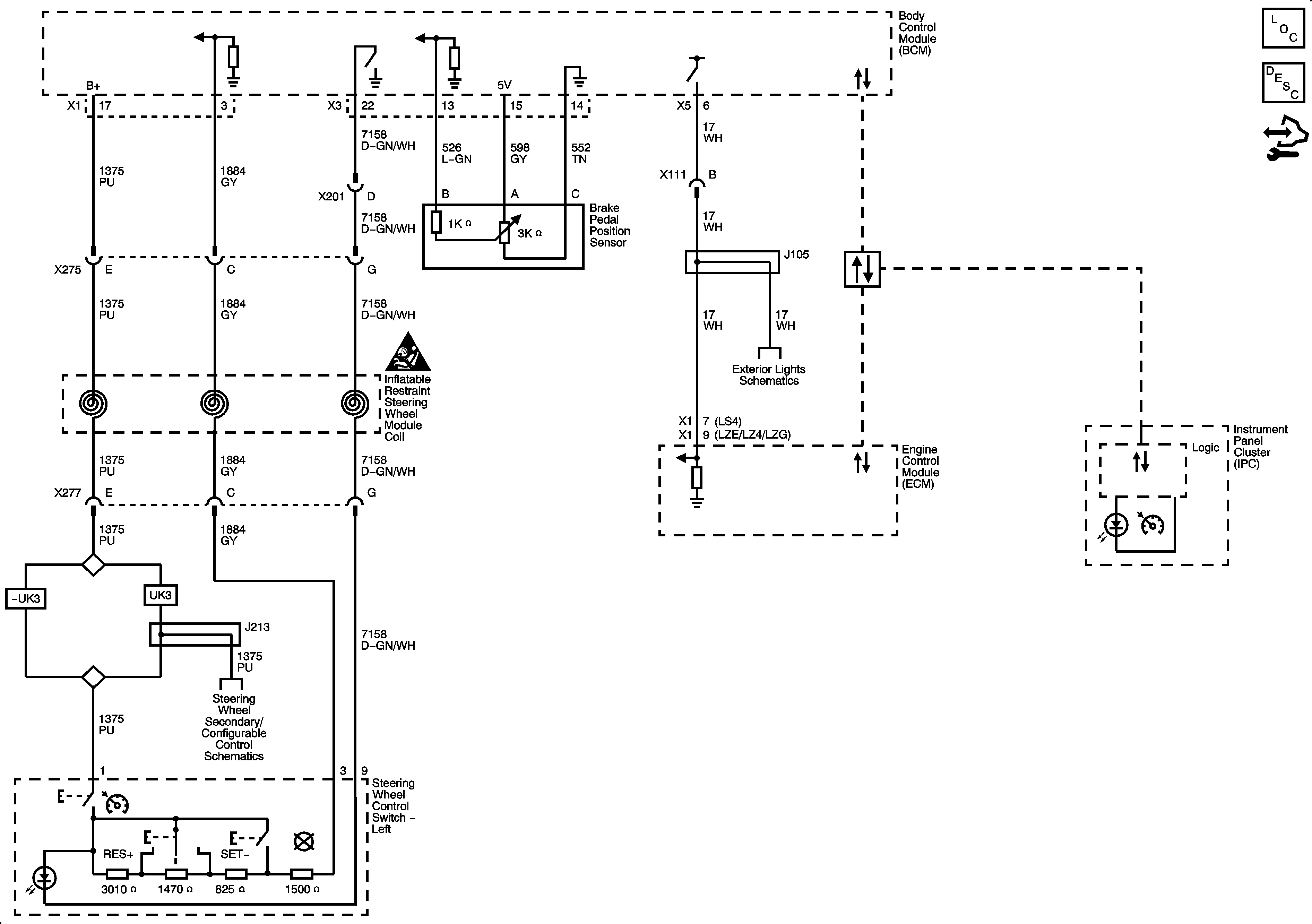
🢒 Cruise Control Schematics
Cruise Control Schematics
Master Electrical Component List
Cruise Control Description and Operation
Control Module References
Master Electrical Schematic Icons
Turn Signal, Hazard, and Stop Lamps Outputs
Power, Ground, and Low Speed GMLAN Serial Data
Steering Wheel Secondary/Configurable Control Schematics