GM Service Manual Online
For 1990-2009 cars only
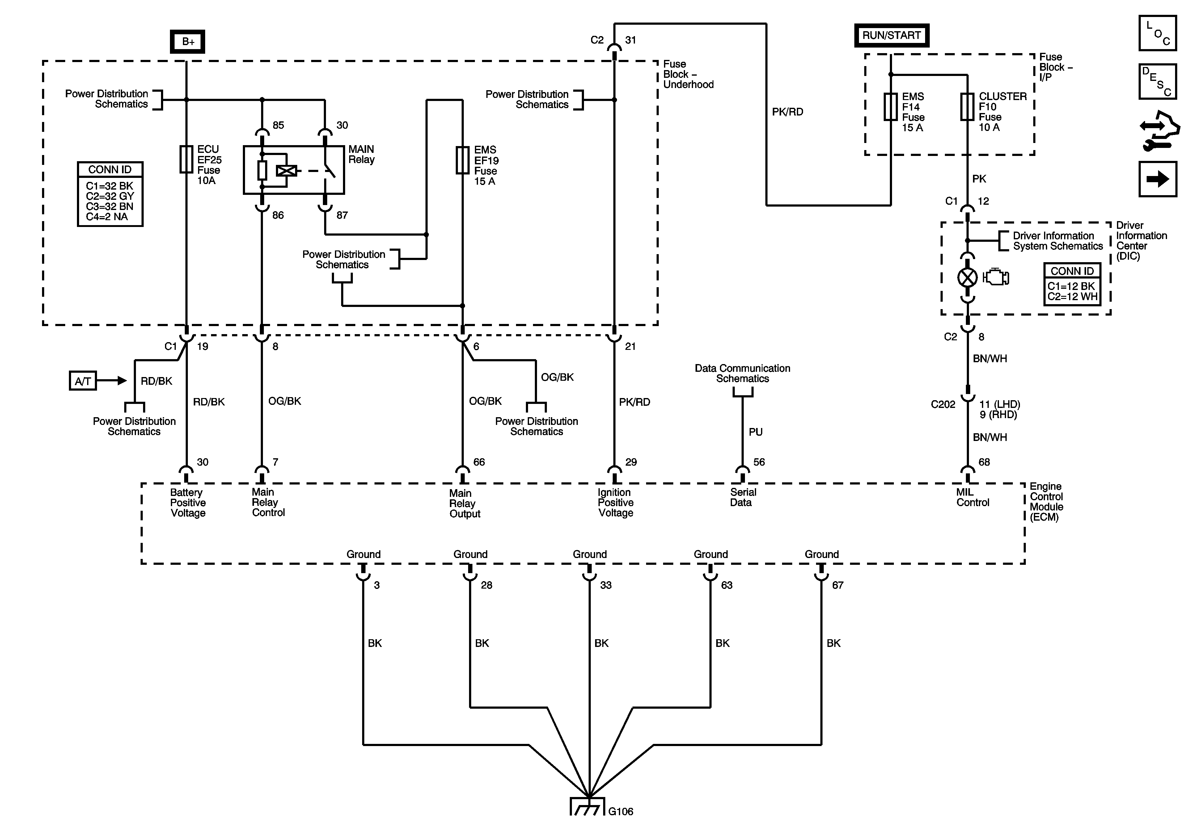
Figure 1:

Power, Ground, DLC and MIL


Object Number: 1921529  Size: FS
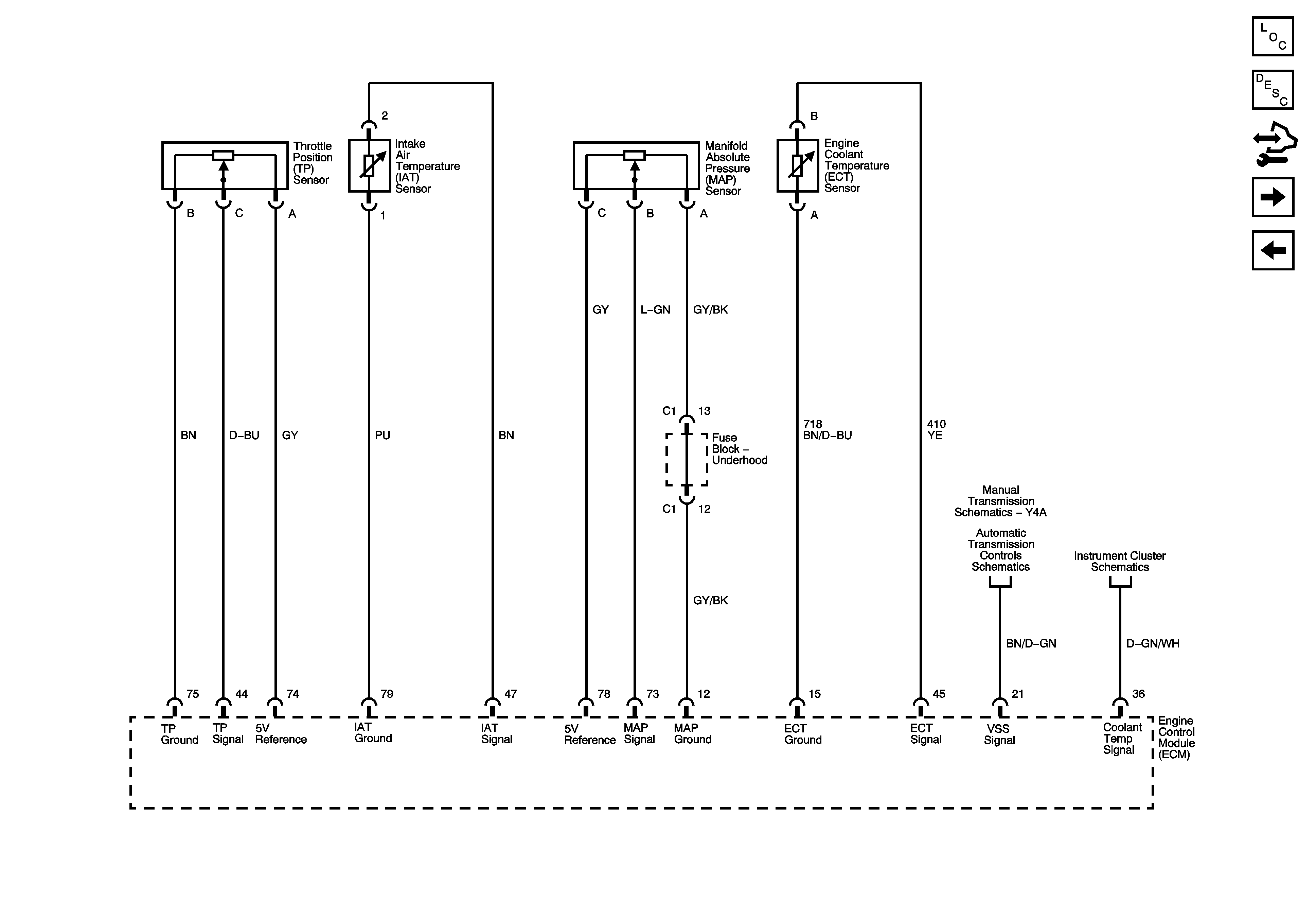
Figure 2:

Engine Data Sensors - Pressure, Temperature and VSS


Object Number: 1921532  Size: FS
Figure 3:

Engine Data Sensors - Oxygen Sensors


Object Number: 1921534  Size: FS
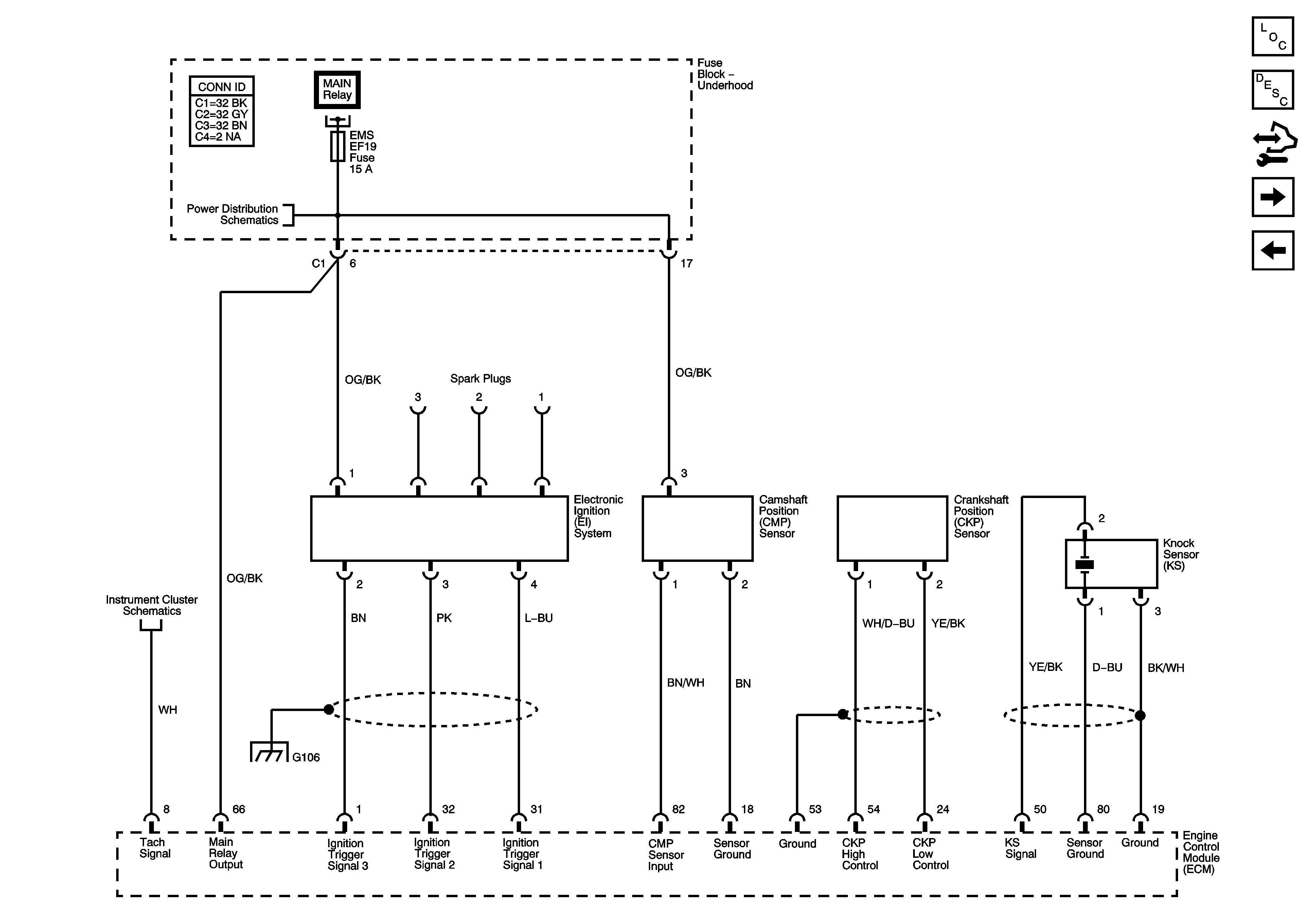
Figure 4:

Ignition Controls


Object Number: 1921538  Size: FS
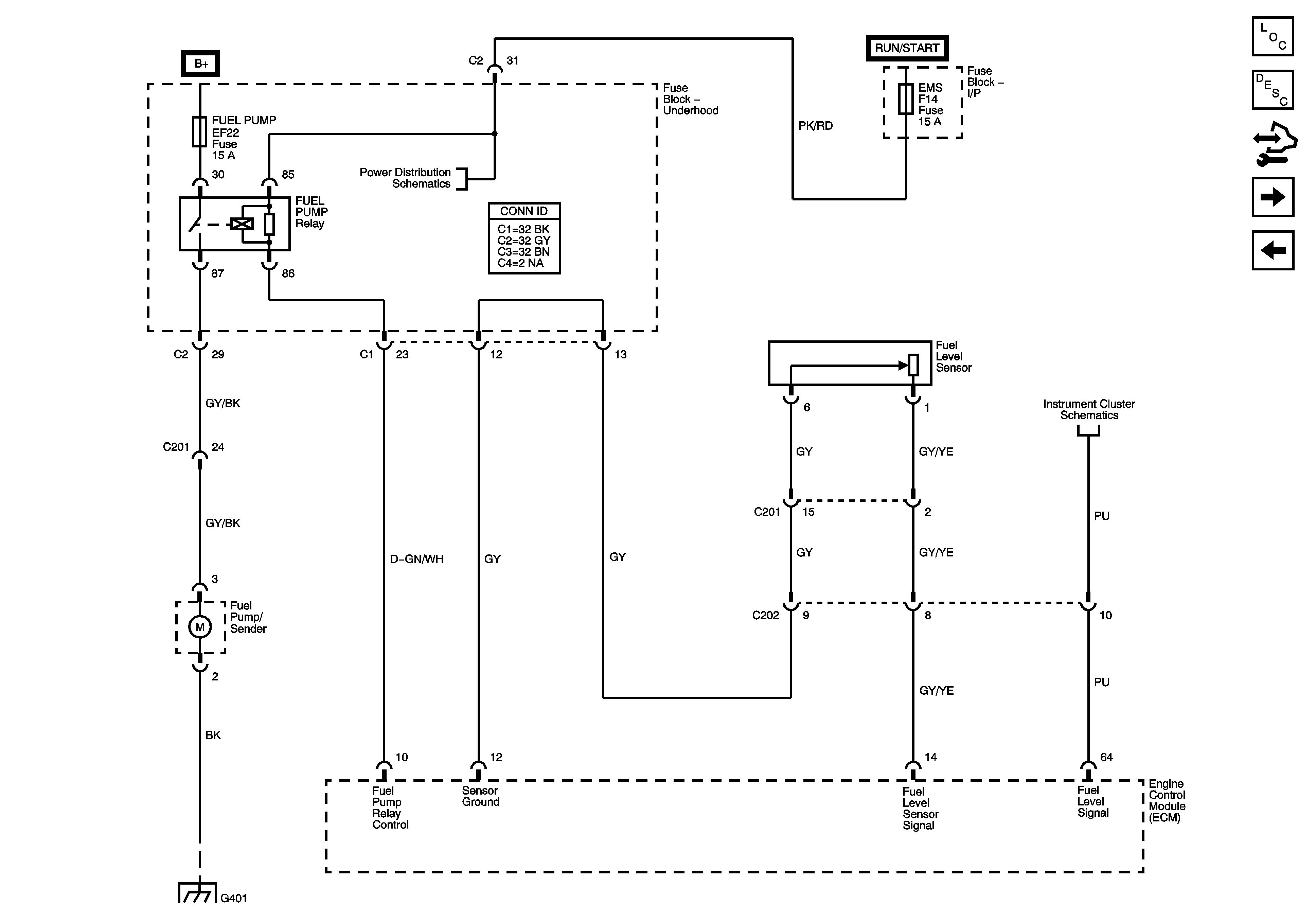
Figure 5:

Fuel Pump Controls


Object Number: 1921541  Size: FS
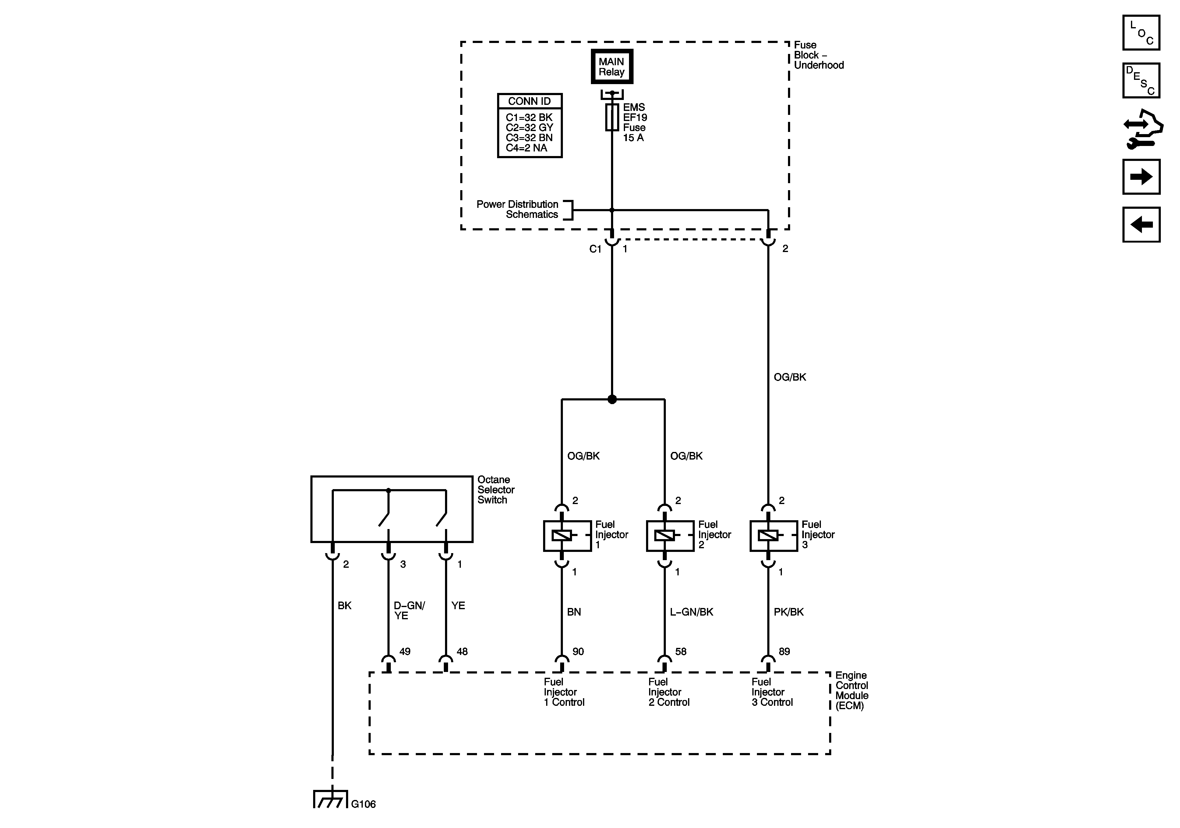
Figure 6:

Fuel Injectors and Octane Selector


Object Number: 1921544  Size: FS
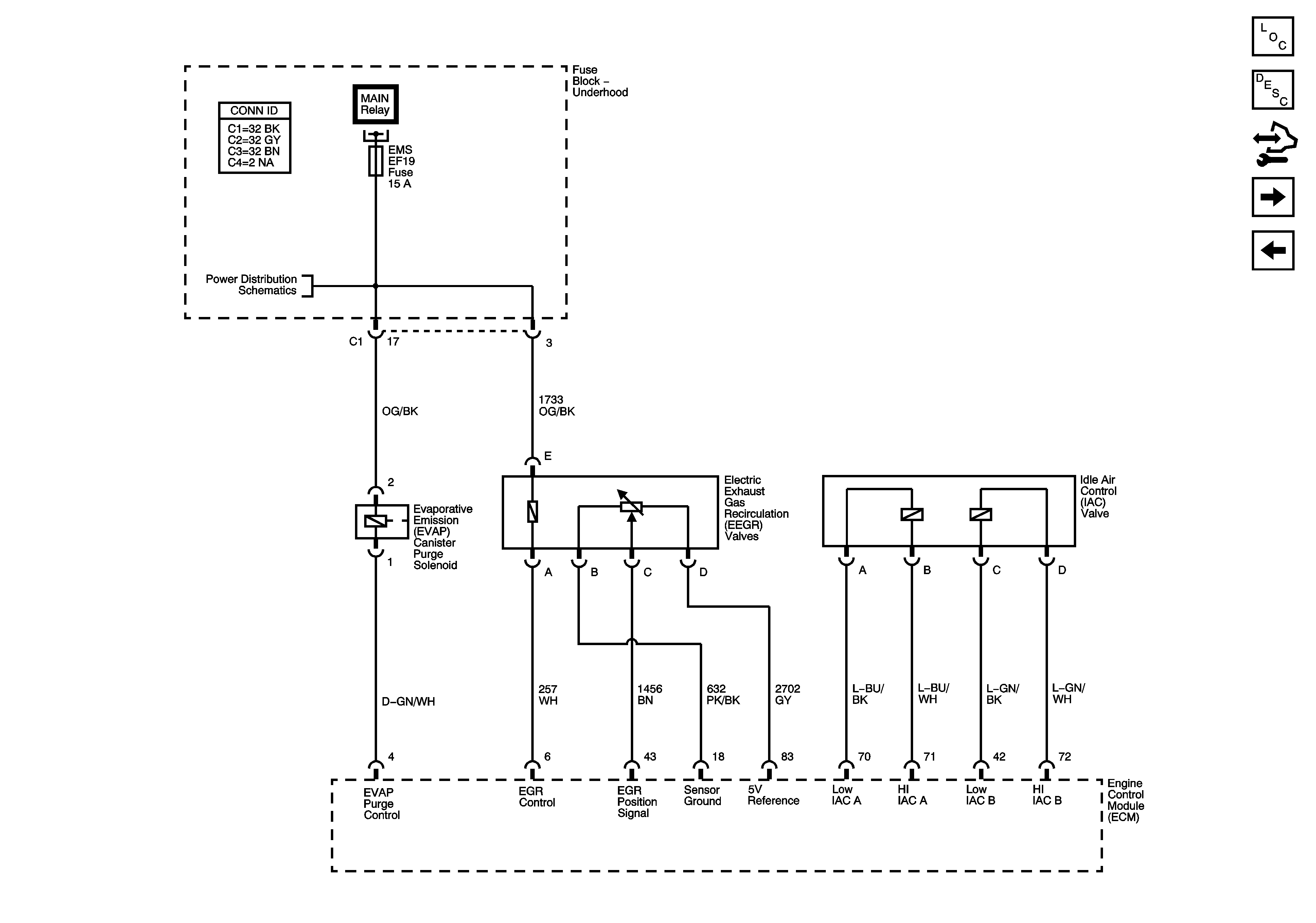
Figure 7:

EVAP and Device Controls


Object Number: 1921549  Size: FS
Figure 8:

Rough Road WSS and Subsystem References


Object Number: 1921551  Size: FS