GM Service Manual Online
For 1990-2009 cars only
Makes
🢒
Chevrolet
🢒
2008
🢒
Joy
🢒
Diagnostic Navigation
🢒
Vehicle Diagnostic Information
🢒 Automatic Transmission Controls Schematics
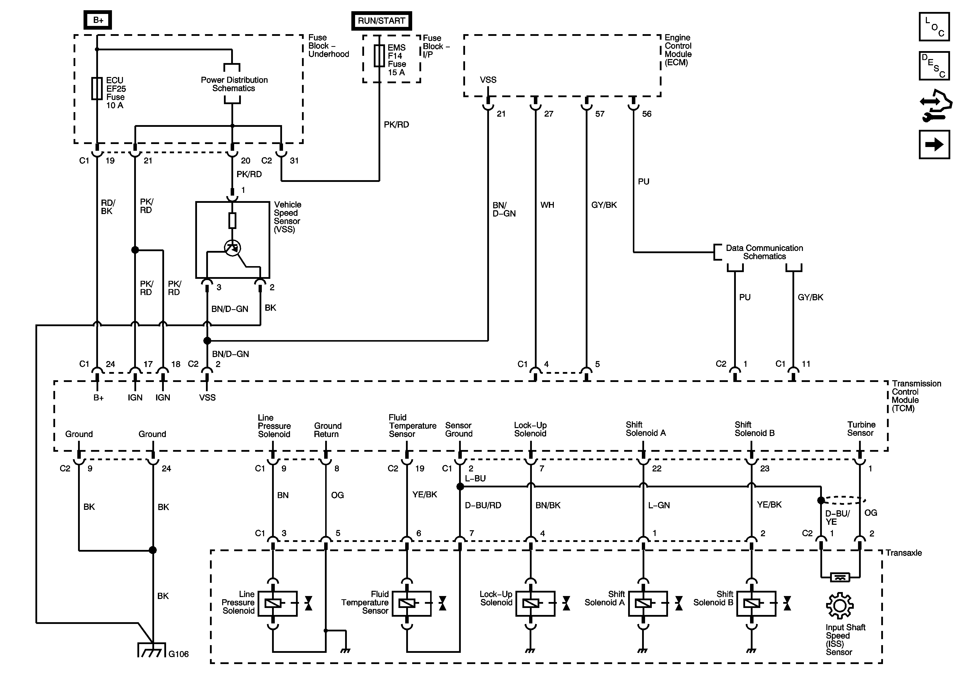
Figure
1:
DLC, Ground, Power, Transaxle and VSS
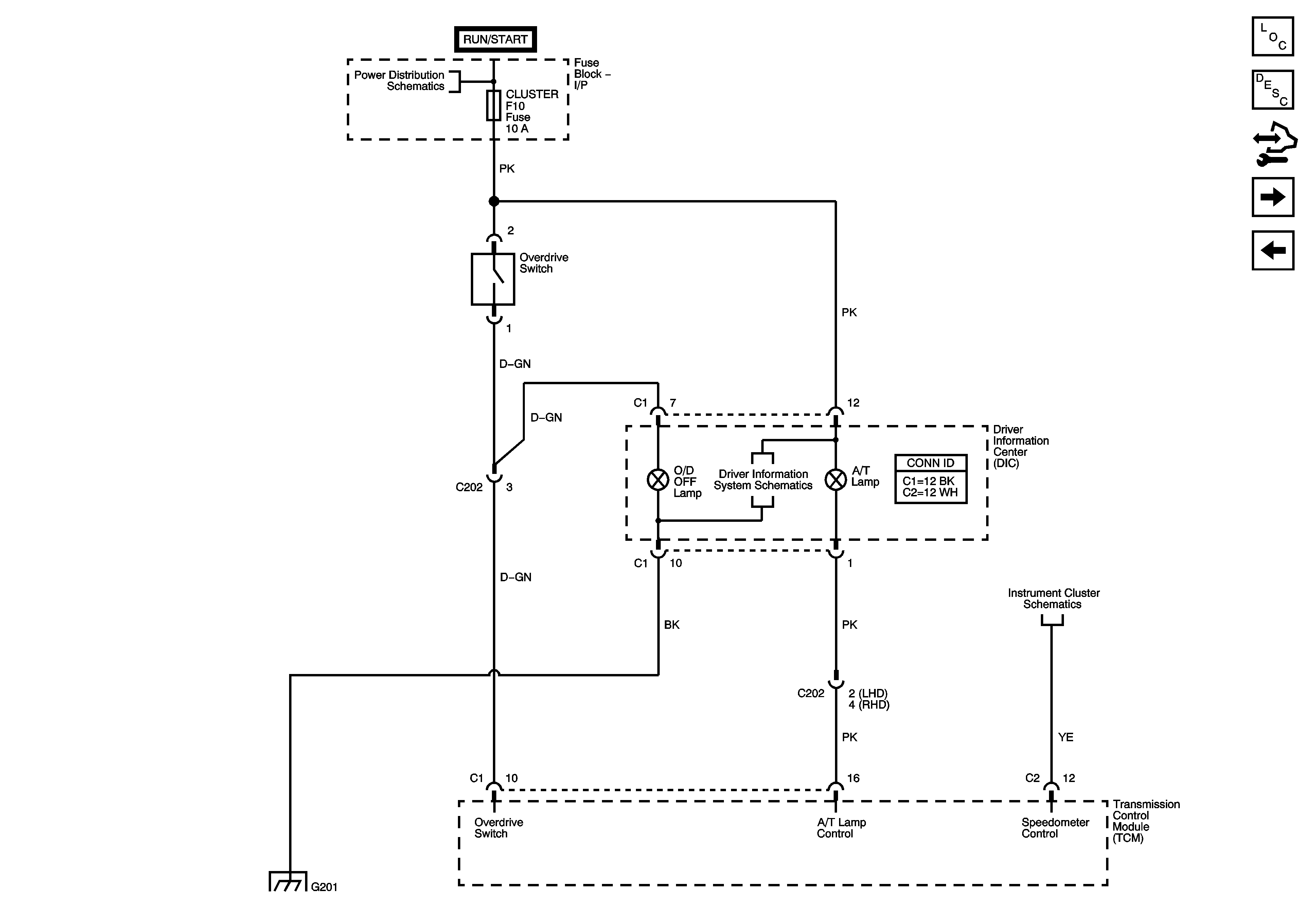
Figure
2:
DIC and O/D Switch
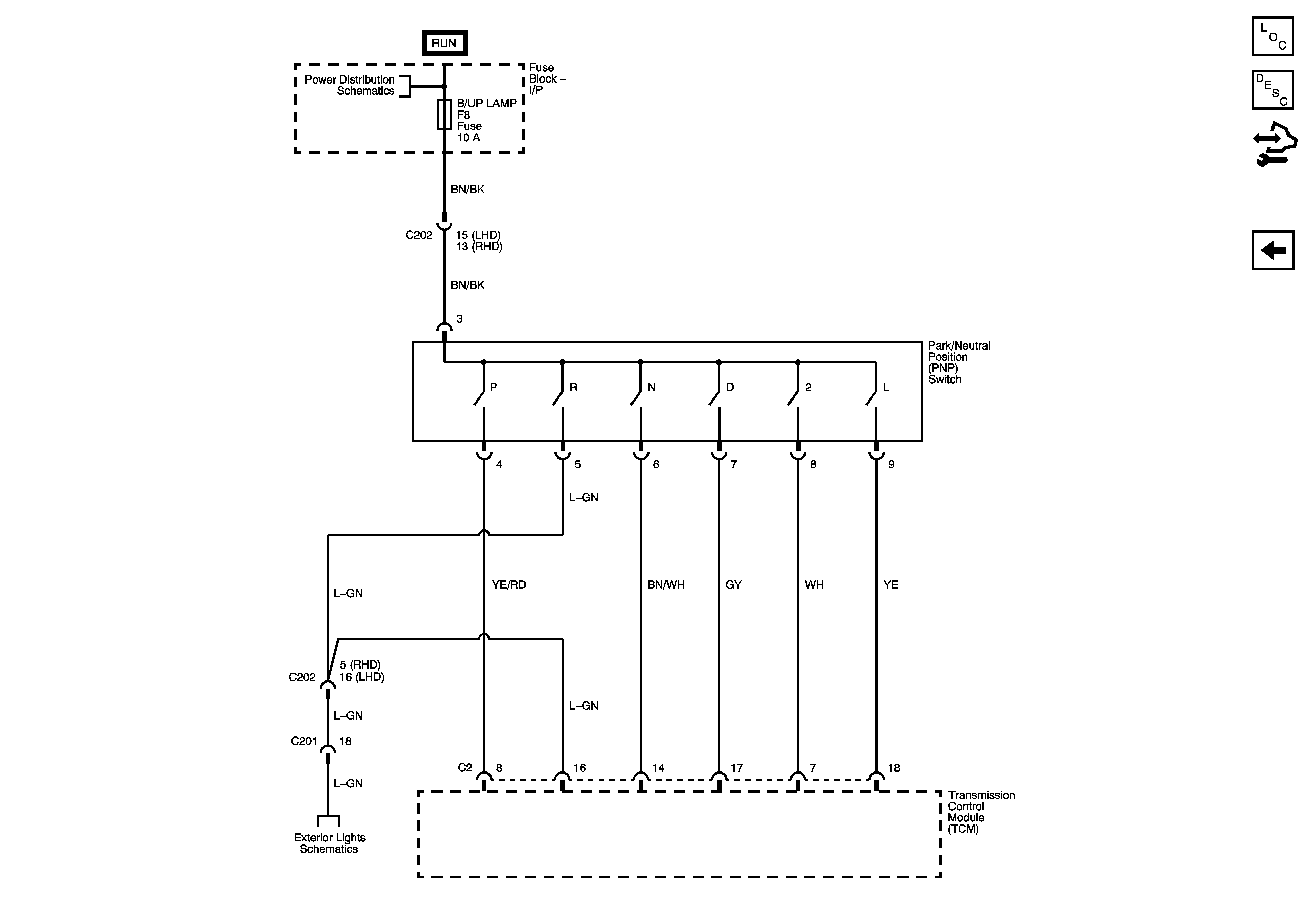
Figure
3:
PNP Switch