GM Service Manual Online
For 1990-2009 cars only
Makes
🢒
Chevrolet
🢒
2008
🢒
Joy
🢒
Driver Information and Entertainment
🢒
Displays and Gages
🢒 Instrument Cluster Schematics
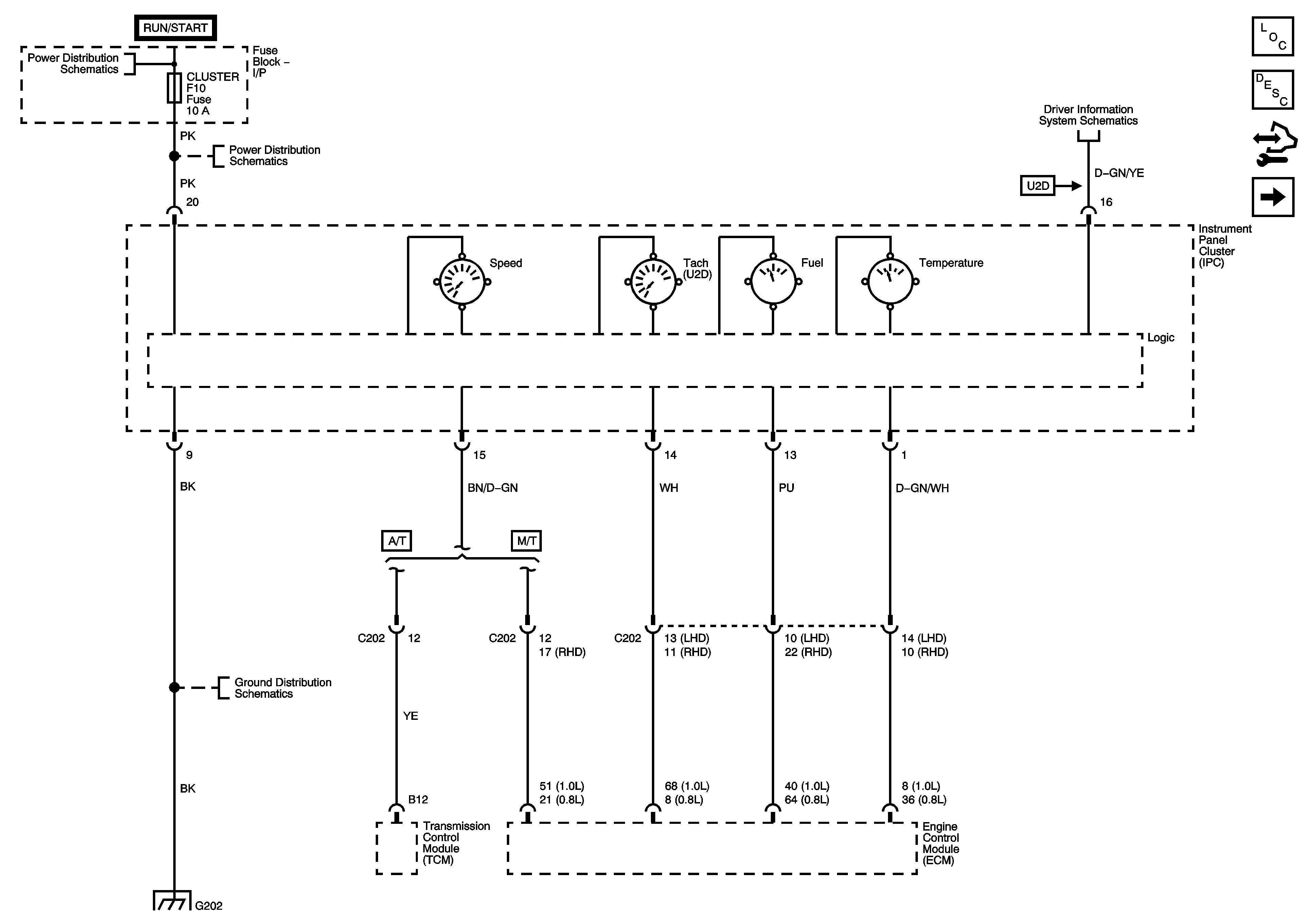
Figure
1:
Power, Ground and Gages
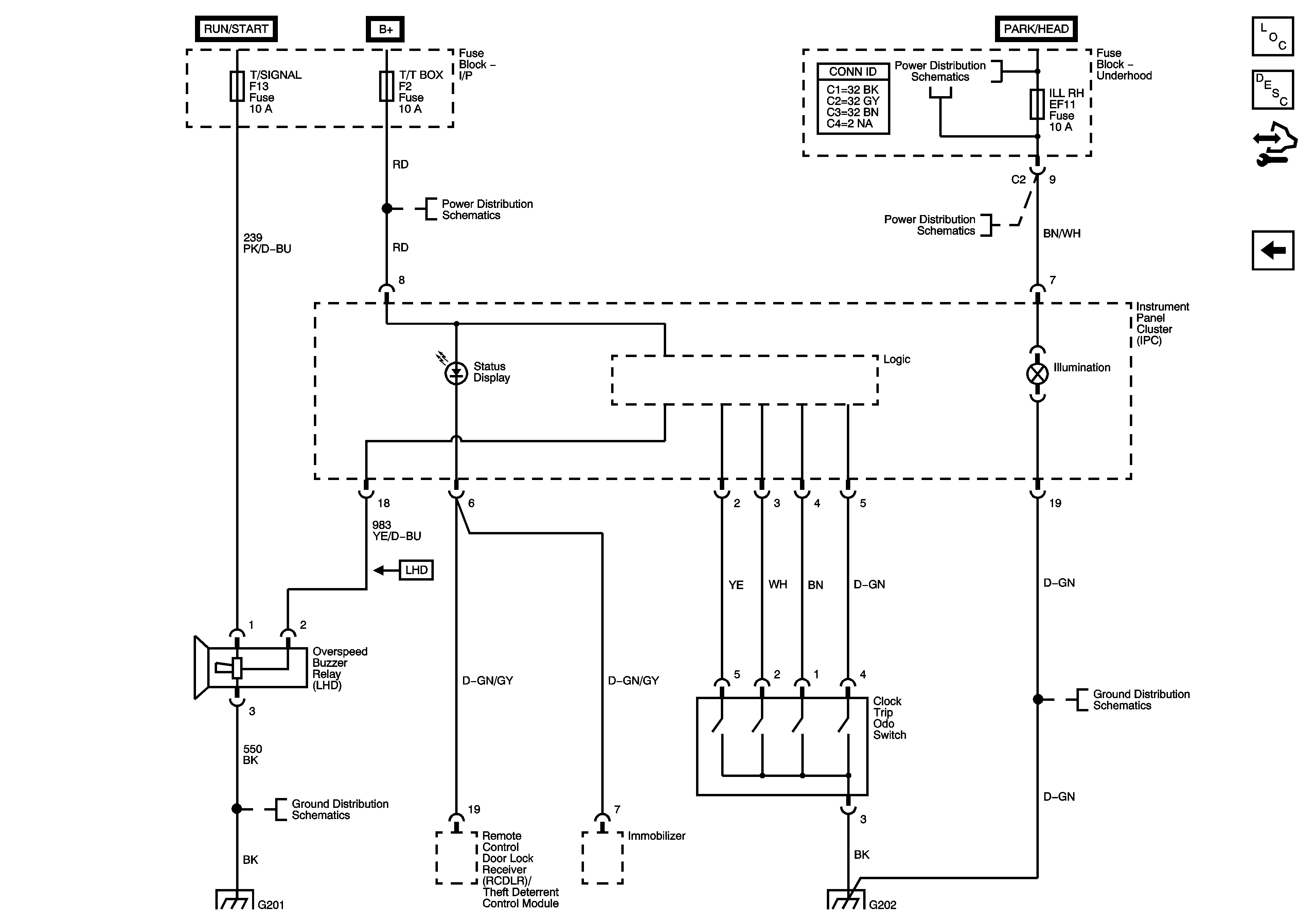
Figure
2:
Clock/Trip Controls, Overspeed and Status Indicator