GM Service Manual Online
For 1990-2009 cars only
Makes
🢒
Chevrolet
🢒
2008
🢒
Joy
🢒
Safety and Security
🢒
Theft Deterrent
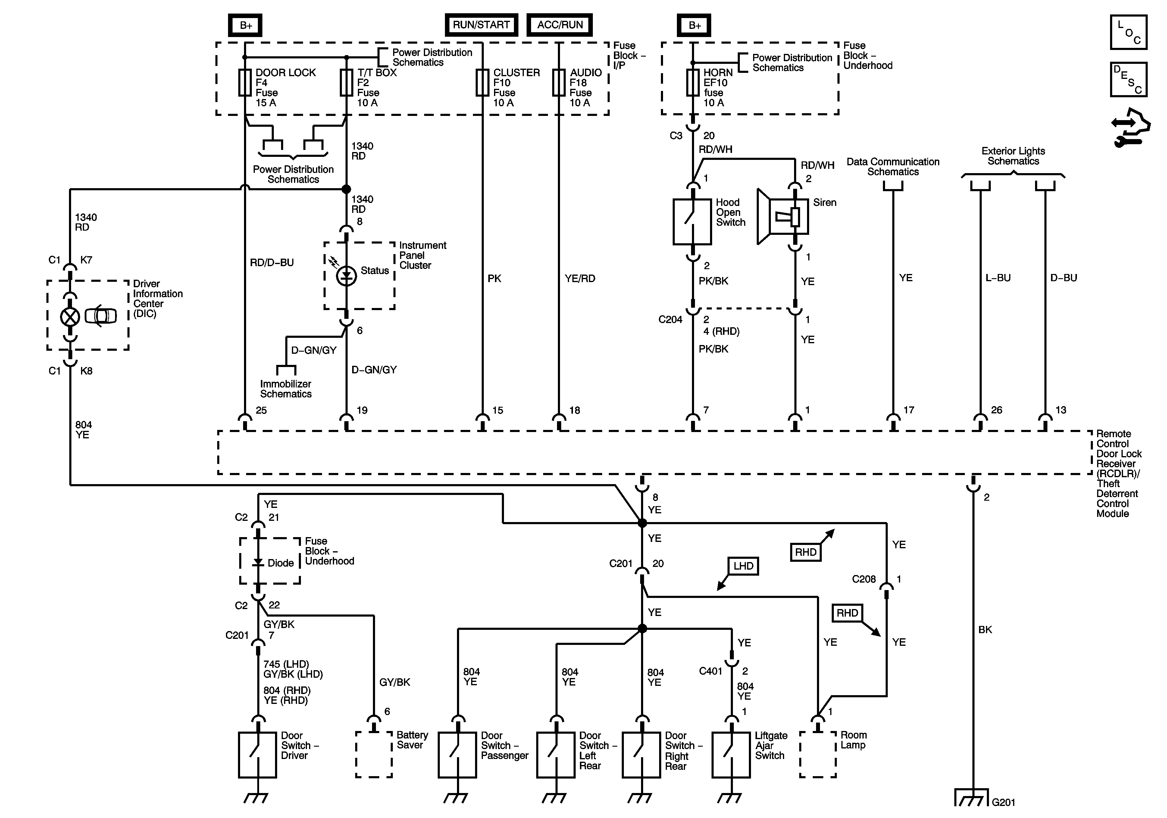
🢒 Theft Deterrent System Schematics