GM Service Manual Online
For 1990-2009 cars only
Makes
🢒
Chevrolet
🢒
1997
🢒
Lumina
🢒
Transmission/Transaxle
🢒
Automatic Transaxle - 4T60-E
🢒 Automatic Transmission Controls Schematics
Figure
1:
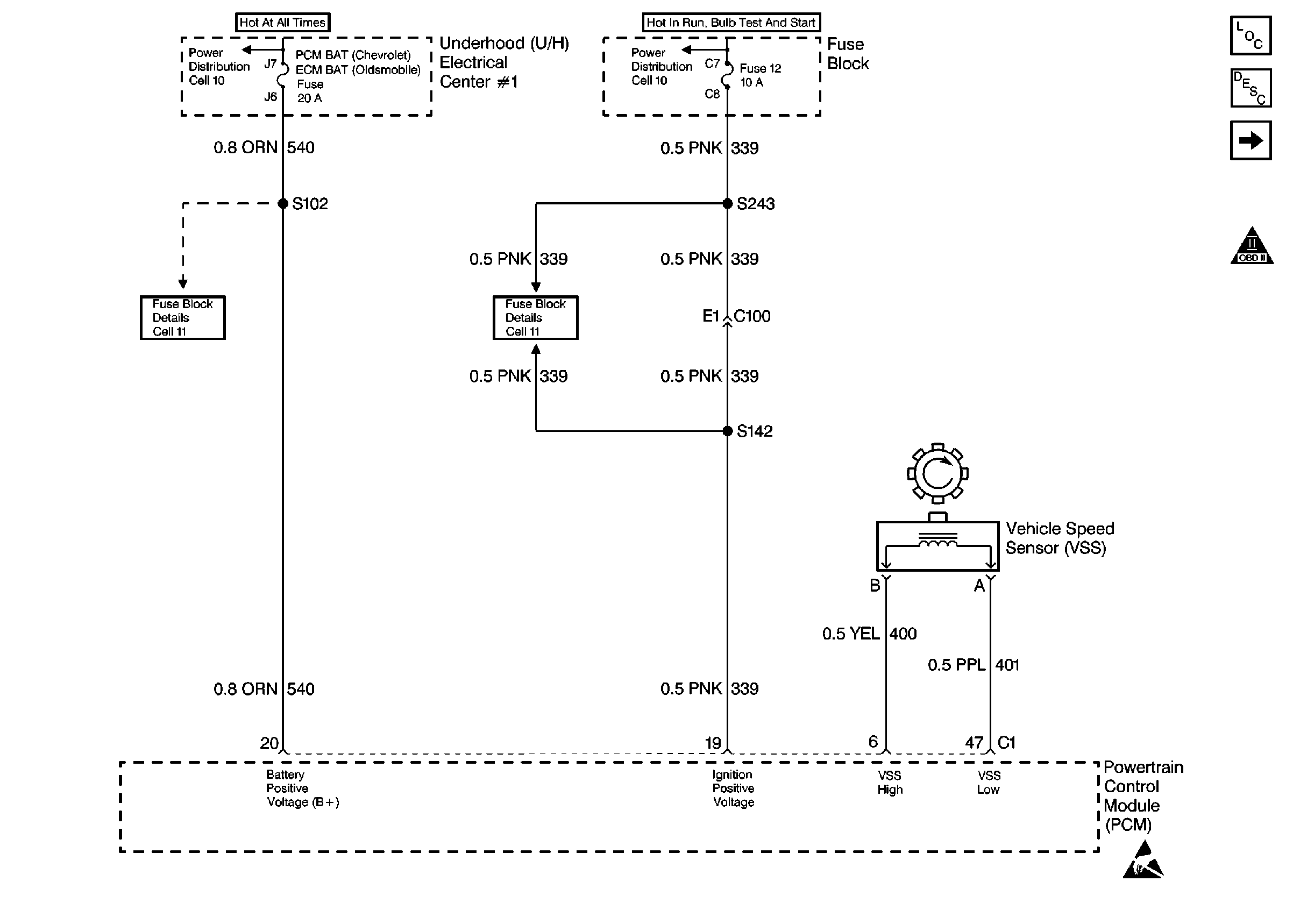
PCM power, VSS
Automatic Transmission Components
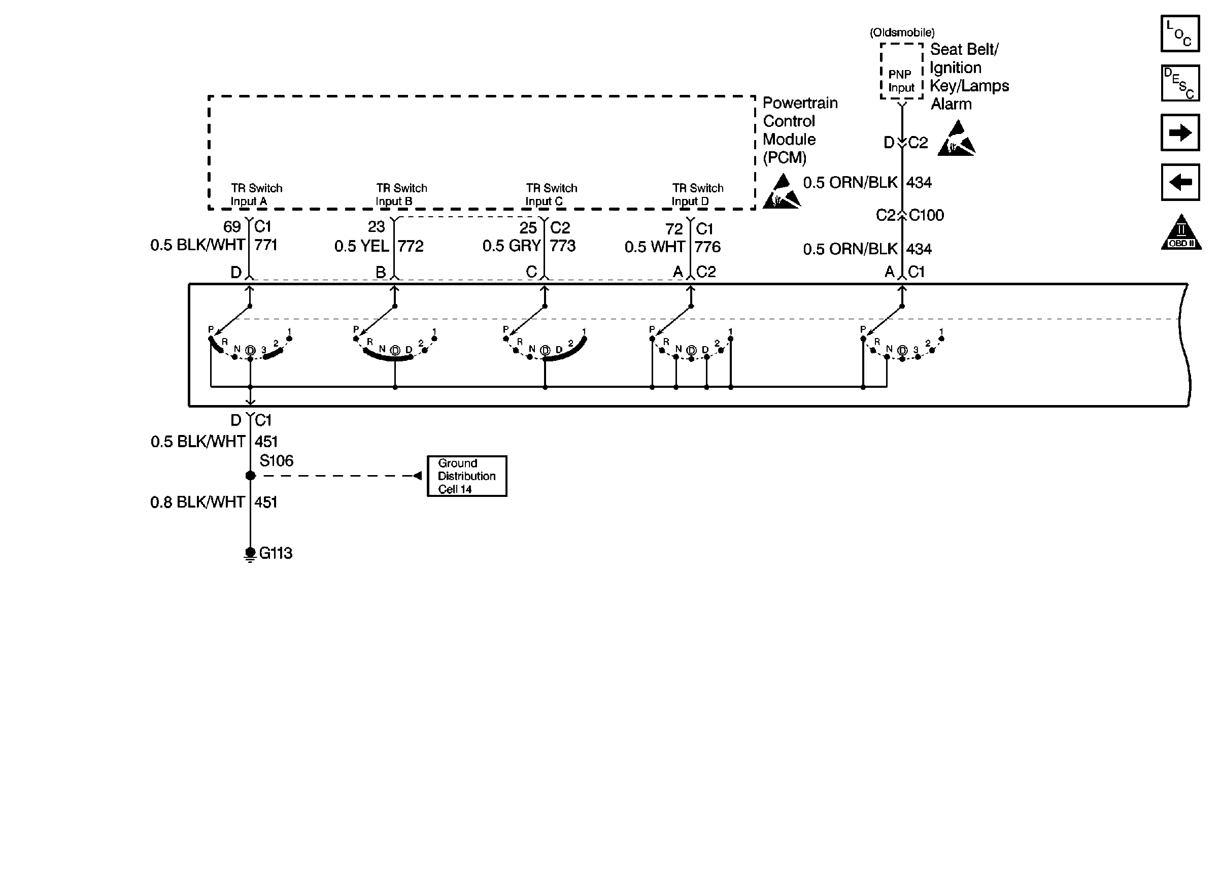
4-speed Automatic Transaxle, TCC Switch (4T60-E)
OBD II Symbol Description Notice
Handling ESD Sensitive Parts Notice
Figure
2:
4-speed Automatic Transaxle, TCC Switch (4T60-E)
Automatic Transmission Components
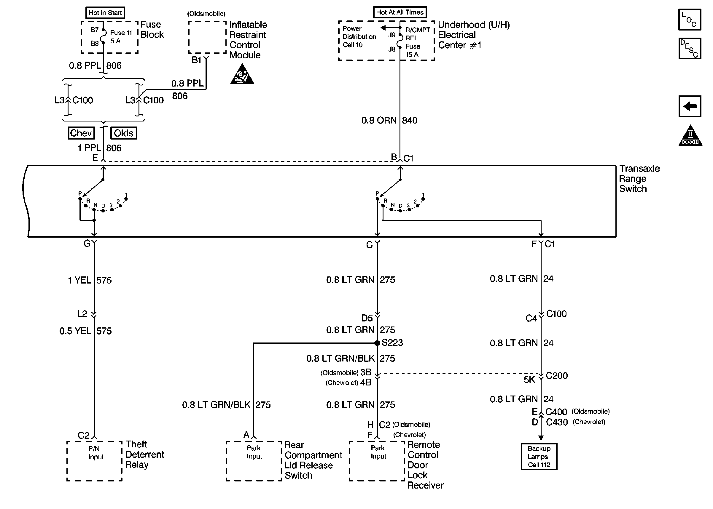
Transaxle Range Switch, part 1
PCM power, VSS
OBD II Symbol Description Notice
Handling ESD Sensitive Parts Notice
Figure
3:
Transaxle Range Switch, part 1
Automatic Transmission Components
Transaxle Range Switch, part 2
4-speed Automatic Transaxle, TCC Switch (4T60-E)
OBD II Symbol Description Notice
Handling ESD Sensitive Parts Notice
Handling ESD Sensitive Parts Notice
Figure
4:
Transaxle Range Switch, part 2
Automatic Transmission Components
Transaxle Range Switch, part 1
OBD II Symbol Description Notice
Handling ESD Sensitive Parts Notice