GM Service Manual Online
For 1990-2009 cars only

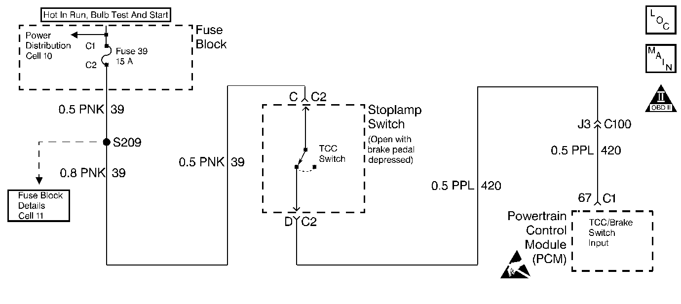
Object Number: 58002  Size: SF
Automatic Transmission Components
Automatic Transmission Controls Schematics
OBD II Symbol Description Notice
Handling ESD Sensitive Parts Notice

Circuit Description

The Torque Converter Clutch (TCC) brake switch reports brake pedal status to the Powertrain Control Module (PCM). The brake switch indicates that the brake pedal is either applied or released. The normally-closed switch supplies battery voltage on circuit 420 to the PCM. Applying the brake pedal opens the brake switch, interrupting voltage to the PCM. When the PCM receives 0 volts at the brake switch input, the PCM turns OFF the TCC Solenoid Valve.

If the PCM detects an open brake switch (stuck OFF) during deceleration, then DTC P0724 sets. DTC P0724 is a type D DTC.

Conditions for Setting the DTC

    • No VSS DTCs P0502 or P0503.
    • The vehicle speed is greater than 32 km/h (20 mph) for 6 seconds.
    • The vehicle speed decreases to 8 km/h (5 mph) and takes 4 seconds.
    • The vehicle speed is less than 8 km/h (5 mph).
    • The above conditions must occur 7 times with the brake switch continuously OFF, and without the PCM receiving a voltage input for 2 seconds.

Action Taken When the DTC Sets

The PCM does not illuminate the Malfunction Indicator Lamp (MIL).

Conditions for Clearing the DTC

    • A scan tool can clear the DTC from the PCM history. The PCM clears the DTC from the PCM history if the vehicle completes 40 warm-up cycles without a failure reported.
    • The PCM cancels the DTC default actions when the fault no longer exists and the ignition is OFF long enough in order to power down the PCM.

Diagnostic Aids

    • Ensure that the TCC brake switch is properly adjusted.
    • Check the PCM calibration for a current update.
    • Inspect the wiring for poor electrical connections at the PCM. Inspect the wiring for poor electrical connections at the transmission 20-way connector. Look for the following problems:
       - A bent terminal
       - A backed out terminal
       - A damaged terminal
       - Poor terminal tension
       - A chafed wire
       - A broken wire inside the insulation
    • When diagnosing for an intermittent short or open, massage the wiring harness while watching the test equipment for a change.

Test Description

The step number below refers to the step numbers on the diagnostic table.

  1. A scan tool display that changes from Applied to Released when the brake switch is disconnected indicates a faulty brake switch.

DTC P0724 TCC Brake Switch Circuit High

Step

Action

Value(s)

Yes

No

1

Was the Powertrain On-Board Diagnostic (OBD) System Check performed?

--

Go to Step 2

Go to Powertrain On Board Diagnostic (OBD) System Check

2

  1. Install the Scan Tool ®.
  2. With the engine OFF, turn the ignition switch to the RUN position.
  3. Important: Before clearing the DTCs, use the scan tool in order to record the Failure Records for reference. The Clear Info function will erase the data.

  4. Record the DTC Failure Records.
  5. Select Brake Switch on the scan tool.
  6. Disconnect the brake switch connector.

Did the brake switch status change from Applied to Released?

--

Go to Step 3

Go to Step 4

3

Replace the TCC brake switch.

Refer to Brake Switch Replacement, Section 5.

Is the replacement complete?

--

Go to Step 6

--

4

  1. Inspect circuit 420 for a short to power.
  2. Repair the circuit if necessary.

Refer to Troubleshooting Procedures, Section 8.

Did you find and correct a problem?

--

Go to Step 6

Go to Step 5

5

Replace the PCM.

Refer to Powertrain Control Module Replacement/Programming , Section 6.

Is the replacement complete?

--

Go to Step 6

--

6

In order to verify your repair, perform the following procedure:

  1. Select DTC.
  2. Select Clear Info.
  3. Operate the vehicle under the following conditions:
  4. • Turn the ignition switch to the RUN position.
    • The TCC brake switch must be ON for more than 2 seconds.
  5. Select Specific DTC. Enter DTC P0724.

Has the test run and passed?

--

System OK

Begin the diagnosis again. Go to Step 1