GM Service Manual Online
For 1990-2009 cars only
Makes
🢒
Chevrolet
🢒
2000
🢒
Lumina
🢒
Body and Accessories
🢒
Doors
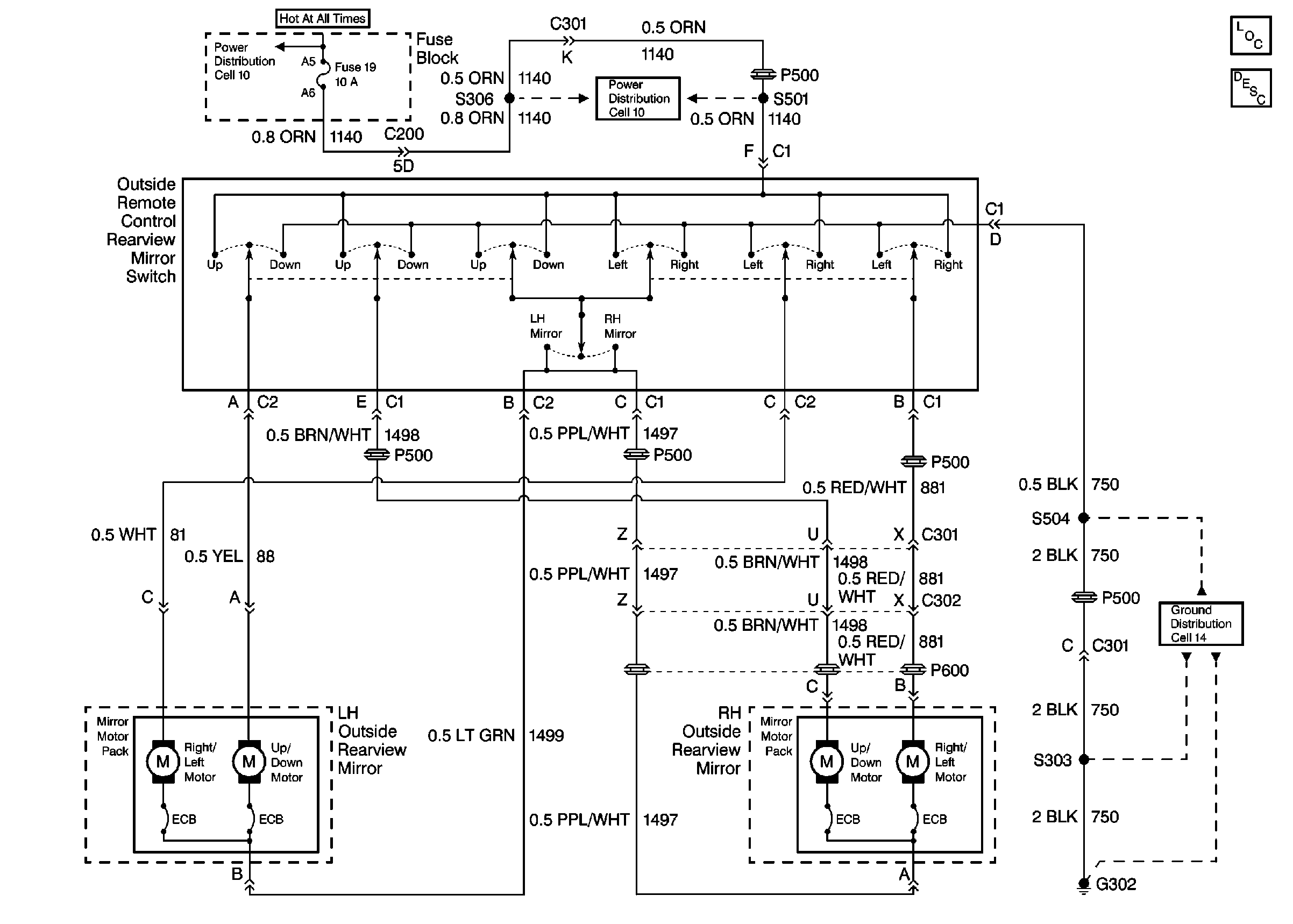
🢒 Outside Rearview Mirror Schematics
Cell 147
Power Door Systems Components
Outside Mirrors Circuit Description
Cell 14: G302 (1 of 2)
Cell 11: IP Electronics Battery (10), and Power Accessory No.1 (19)Fuses
Cell 11: IP Electronics Battery (10), and Power Accessory No.1 (19)Fuses