GM Service Manual Online
For 1990-2009 cars only
Makes
🢒
Chevrolet
🢒
2000
🢒
Lumina
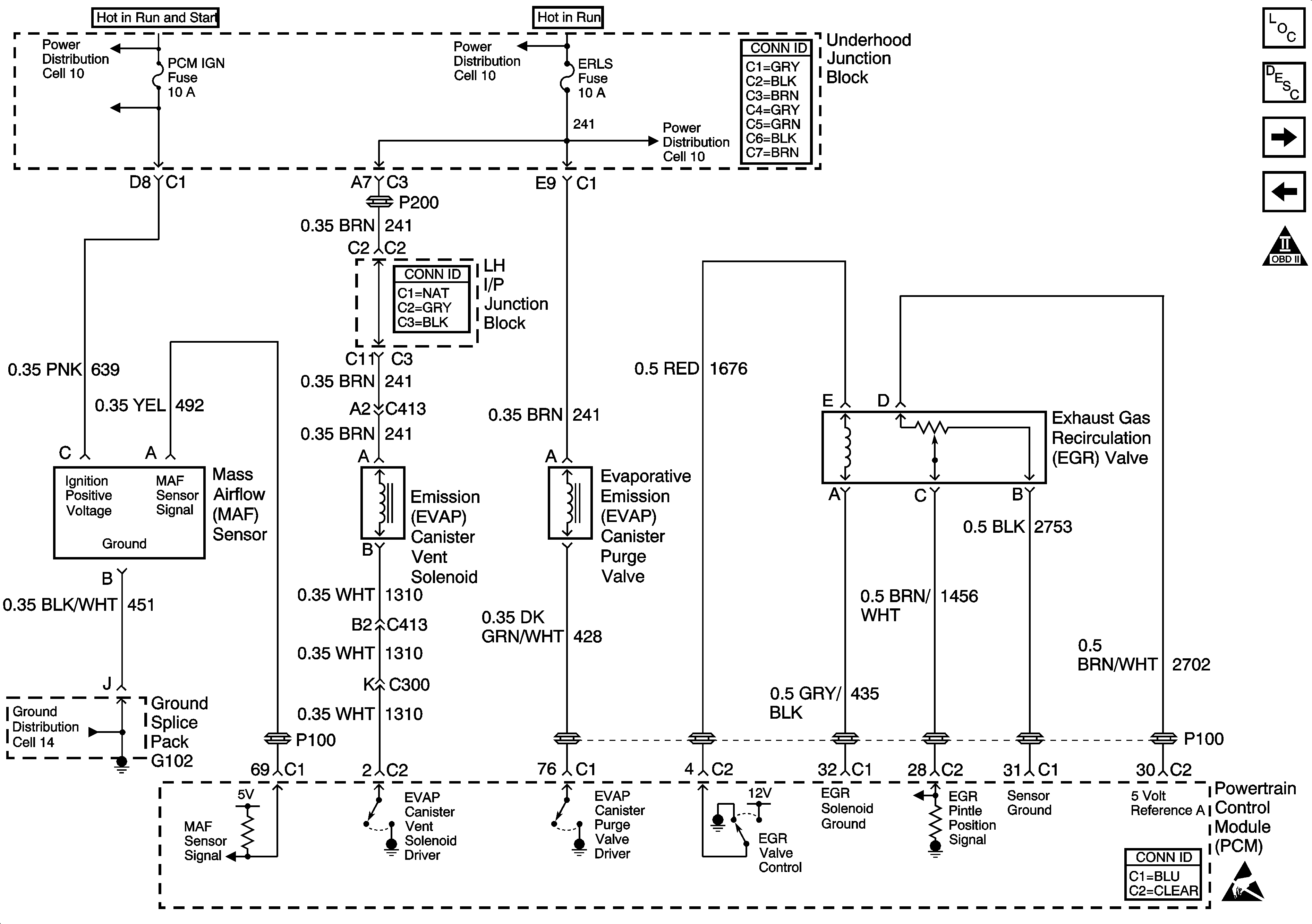
🢒 Cell 21: EVAP and EGR Controls
Cell 21: EVAP and EGR Controls
Cell 21: EVAP and EGR Controls
Engine Controls Component Views
Information Sensors/Switches Description
Cell 21: Oxygen Sensors
Cell 21: Fuel Injectors
OBD II Symbol Description Notice
Handling ESD Sensitive Parts Notice
Power Distribution Schematics
Power Distribution Schematics
Power Distribution Schematics
Ground Distribution Schematics