GM Service Manual Online
For 1990-2009 cars only
Makes
🢒
Chevrolet
🢒
2000
🢒
Lumina
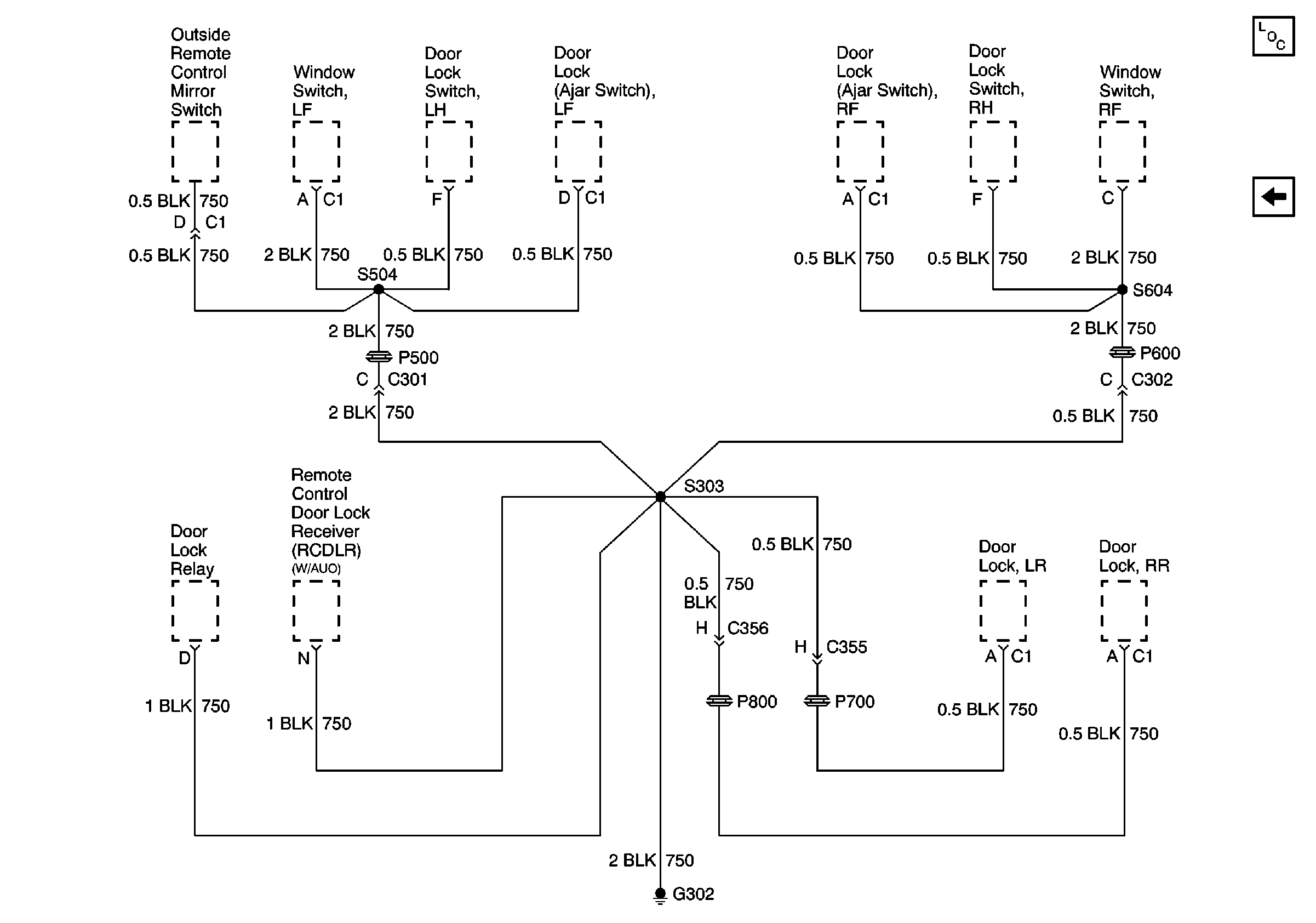
🢒 G302 (1 of 2)
G302 (1 of 2)
G302 (1 of 2)