GM Service Manual Online
For 1990-2009 cars only
Makes
🢒
Chevrolet
🢒
2000
🢒
Lumina
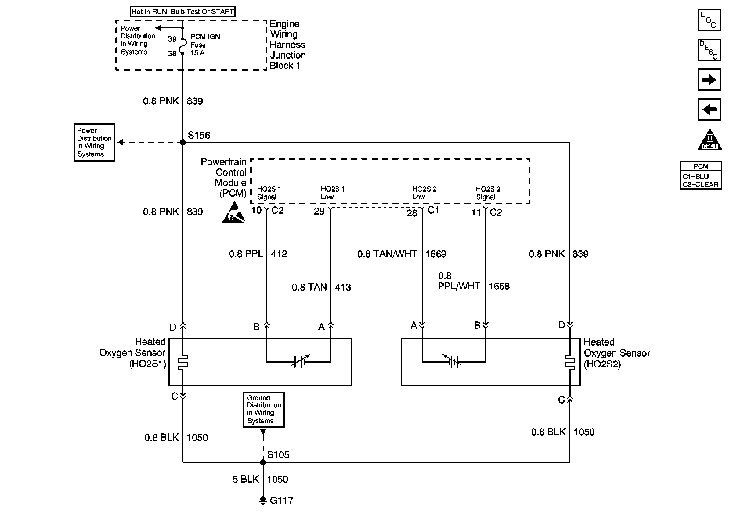
🢒 Heated Oxygen Sensors
Heated Oxygen Sensors
Heated Oxygen Sensors
F/INJN, PCM IGN, ELEK IGN Fuses
F/INJN, PCM IGN, ELEK IGN Fuses
Handling ESD Sensitive Parts Notice
G117
Engine Controls Components
Powertrain Control Module Description
MAF, EGR and EVAP Canister and Vent Solenoid
A/C Refrigerant Pressure, TP, MAP, ECT, and IAT
OBD II Symbol Description Notice