GM Service Manual Online
For 1990-2009 cars only
Makes
🢒
Chevrolet
🢒
2000
🢒
Lumina
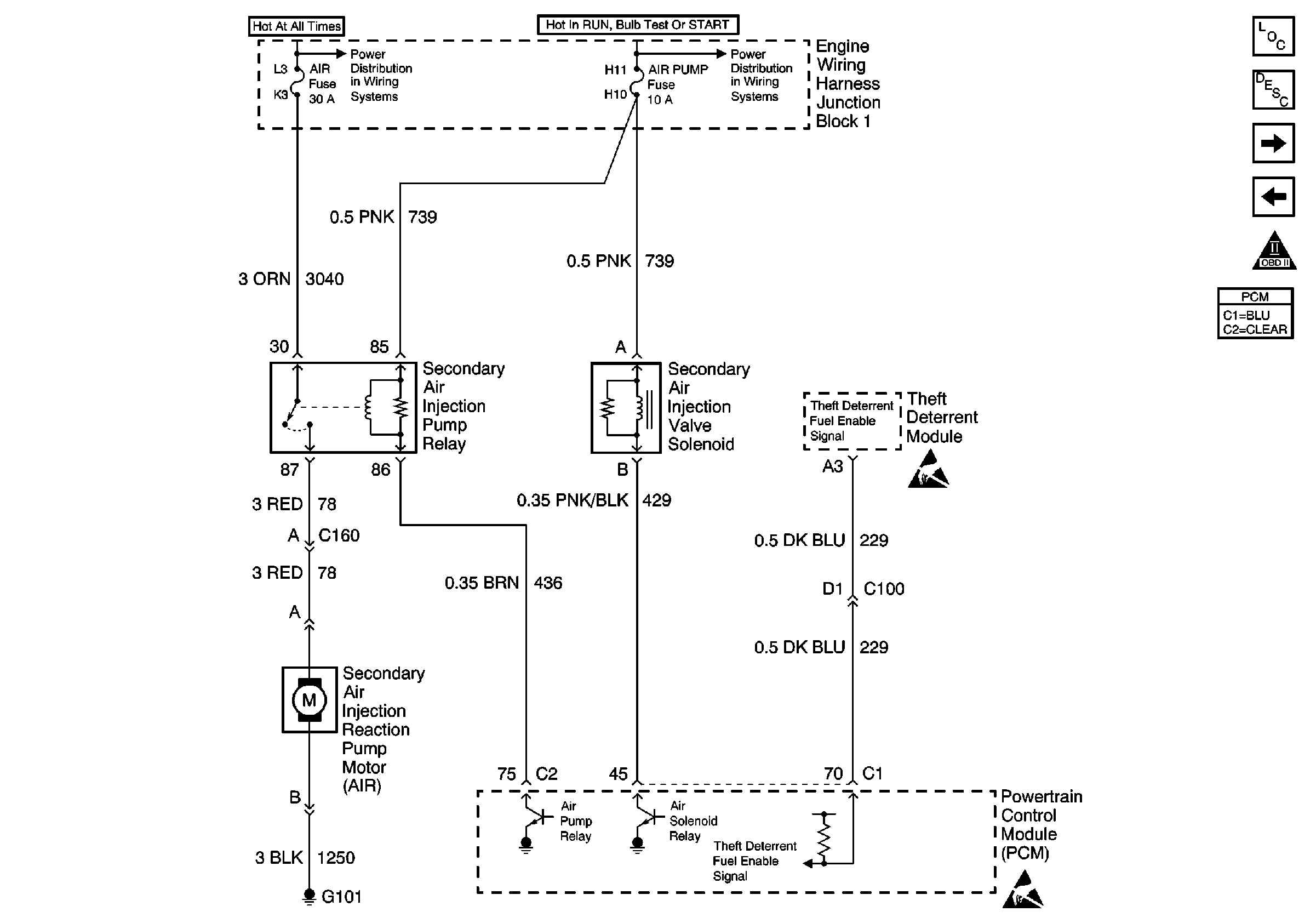
🢒 Secondary AIR and Theft Deterrent Module
Secondary AIR and Theft Deterrent Module
Secondary AIR and Theft Deterrent Module
Maxifuses 1, 2, 3 and 4, Fuses 1, 5, 10, 14, 19, 23, 28, 32, 37 and41, PCM BAT and R/CMPT Fuses, Circuit Breaker D, and FAN CONT #1 Relay
TRANS, A/C CONT, AIR PUMP Fuses
Handling ESD Sensitive Parts Notice
Handling ESD Sensitive Parts Notice
Engine Controls Components
Powertrain Control Module Description
CCM, I/P, VSS and Radio
IAC and Engine Oil Level Sensor
OBD II Symbol Description Notice