GM Service Manual Online
For 1990-2009 cars only
Makes
🢒
Chevrolet
🢒
2001
🢒
Lumina
🢒
Body and Accessories
🢒
Cruise Control
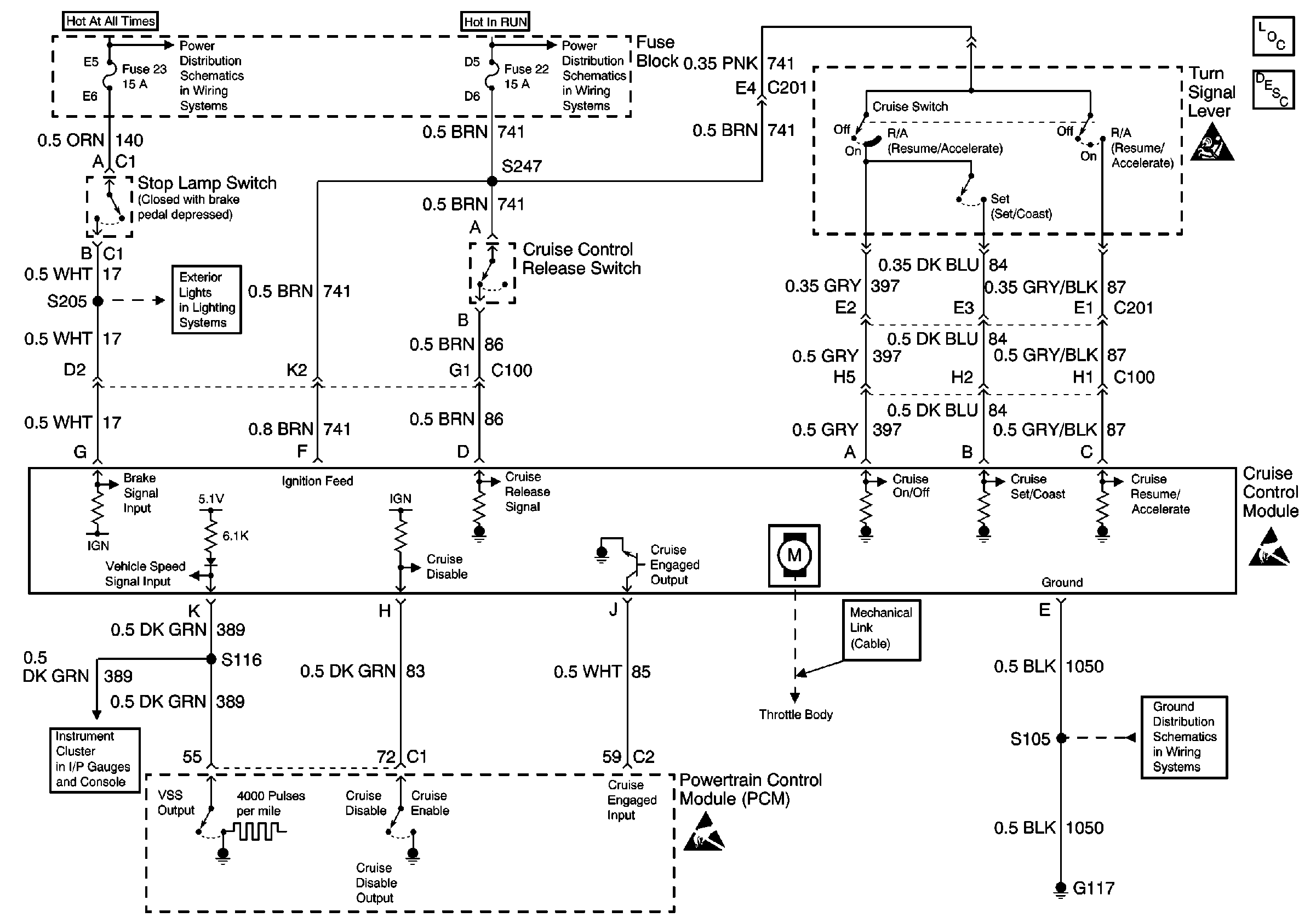
🢒 Cruise Control Schematics
Fuses 5, 14, 23, 32, 33 41, and 42
Fuses 4, 13, and 22
SIR Handling Caution
Fuse Distribution, Flasher and Turn Signal Switch
IPC Power and PCM Outputs
Handling ESD Sensitive Parts Notice
Handling ESD Sensitive Parts Notice
G117
Cruise Control Components
Cruise Control System Description