As a toothed ring passes by the wheel speed sensor, changes in the electromagnetic field cause the wheel speed sensor to produce a AC voltage signal. The frequency of the sinusoidal (AC) voltage signal is proportional to the wheel speed. The amplitude of the AC voltage signal is directly related to wheel speed and the proximity of the wheel speed sensor to the toothed ring. The proximity of the wheel speed sensor to the toothed ring is also referred to as the air gap.
DTC C1227 can set when the brake is off.
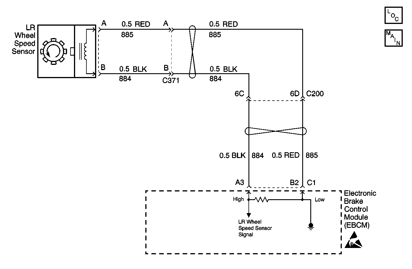
DTC C1227 detects a situation in which the left rear wheel acceleration or deceleration is beyond specified limits.
| • | A malfunction DTC stores. |
| • | The ABS disables. |
| • | The amber ABS warning indicators turn on. |
| • | The condition responsible for setting the DTC no longer exists and the Scan Tool Clear DTCs function is used. |
| • | 100 drive cycles pass with no DTCs detected. |
The following conditions may cause an intermittent malfunction:
| • | A poor connection |
| • | Rubbed-through wire insulation |
| • | A broken wire inside the insulation |
Use the enhanced diagnostic function of the Scan Tool in order to measure the frequency of the malfunction. Refer to the Scan Tool manual for the procedure.
If the customer's comments reflect that the amber ABS warning indicator is on only during moist environmental changes (rain, snow, vehicle wash), inspect all the wheel speed sensor circuitry for signs of water intrusion. If the DTC is not current, clear all DTCs and simulate the effects of water intrusion by using the following procedure:
Add two teaspoons of salt to twelve ounces of water to make a five percent saltwater solution.
Thoroughly inspect any circuitry that may be causing the intermittent complaint for the following conditions:
| • | Backed out terminals |
| • | Improper mating |
| • | Broken locks |
| • | Improperly formed or damaged terminals |
| • | Poor terminal-to-wiring connections |
| • | Physical damage to the wiring harness |
Resistance of the wheel speed sensor will increase with an increase in sensor temperature.
Use the following procedure in order to replace a wheel speed sensor:
Refer to Wheel Speed Sensor Replacement .
Use the following procedure in order to replace the wheel speed sensor jumper harness:
The following table contains resistance values for the rear wheel speed sensors at varying temperatures for use in diagnosis. The values are approximate and should be used as a guideline for diagnosis.
Temperature (°C) | Temperature (°F) | Resistance (Ohms) |
|---|---|---|
-34 to 4 | -30 to 40 | 800 to 1100 |
5 to 43 | 41 to 110 | 950 to 1300 |
44 to 93 | 111 to 200 | 1100 to 1600 |
Important: Zero the J 39200 test leads before making any resistance measurements.
Important: Difficulty may occur when trying to locate intermittent malfunctions in the wheel speed sensor.
Do not disturb any of the electrical connections. Change the electrical connections only when instructed to do so by a step in the diagnostic table. Changing the electrical connections at the correct time will ensure that an intermittent electrical connection will not be corrected until the source of the malfunction is found.Step | Action | Value(s) | Yes | No | ||||||||
|---|---|---|---|---|---|---|---|---|---|---|---|---|
1 | Was the Diagnostic System Check performed? | -- | ||||||||||
2 |
Is there any physical damage? | -- | ||||||||||
3 | Inspect the following components for physical damage:
Is there any physical damage? | -- | ||||||||||
4 |
Is the resistance within the specified range? | 1030-1180 ohms at 20°C (68°F) | ||||||||||
5 |
Is the voltage equal to or greater than the specified voltage? | 100 mV | ||||||||||
6 |
Is the resistance within the specified range? | OL (Infinite) | ||||||||||
7 | Inspect the 24-way EBCM connector C 1 for the following conditions:
Are there signs of poor terminal contact, corrosion, or damaged terminals? | -- | ||||||||||
8 | Inspect the wiring of CKT 885 and CKT 884 for signs of damage that may cause a short between CKT 885 and CKT 884. Are there any signs of damaged wiring? | -- | ||||||||||
9 | Inspect the harness connectors of CKT 885 and CKT 884 for signs of damage that may cause a short between CKT 885 and CKT 884. Are there any signs of damaged connectors? | -- | ||||||||||
10 |
Does DTC C1227 set as a current DTC? | -- | Go to Diagnostic Aids | |||||||||
11 |
Is the speed of the left rear wheel speed sensor constantly higher than the speed of the three remaining wheel speed sensors? | -- | ||||||||||
12 | Replace all of the terminals that exhibit signs of poor terminal contact, corrosion, or damaged terminals. Is the repair complete? | -- | -- | |||||||||
13 | Replace the damaged wiring harness that causes the short between CKT 885 and CKT 884. Is the repair complete? | -- | -- | |||||||||
14 | Replace the damaged wiring harness connectors that cause the short between CKT 885 and CKT 884. Is the repair complete? | -- | -- | |||||||||
15 | Replace the left rear wheel speed sensor jumper harness. Refer to Wheel Speed Sensor Jumper Harness Replacement . Is the repair complete? | -- | -- | |||||||||
16 | Replace the left rear wheel speed sensor. Refer to Wheel Speed Sensor Replacement . Is the repair complete? | -- | -- | |||||||||
17 | Replace the EBCM. Refer to Electronic Brake Control Module Replacement . Is the repair complete? | -- | -- |