GM Service Manual Online
For 1990-2009 cars only
Makes
🢒
Chevrolet
🢒
1997
🢒
Malibu
🢒 Ignition Controls
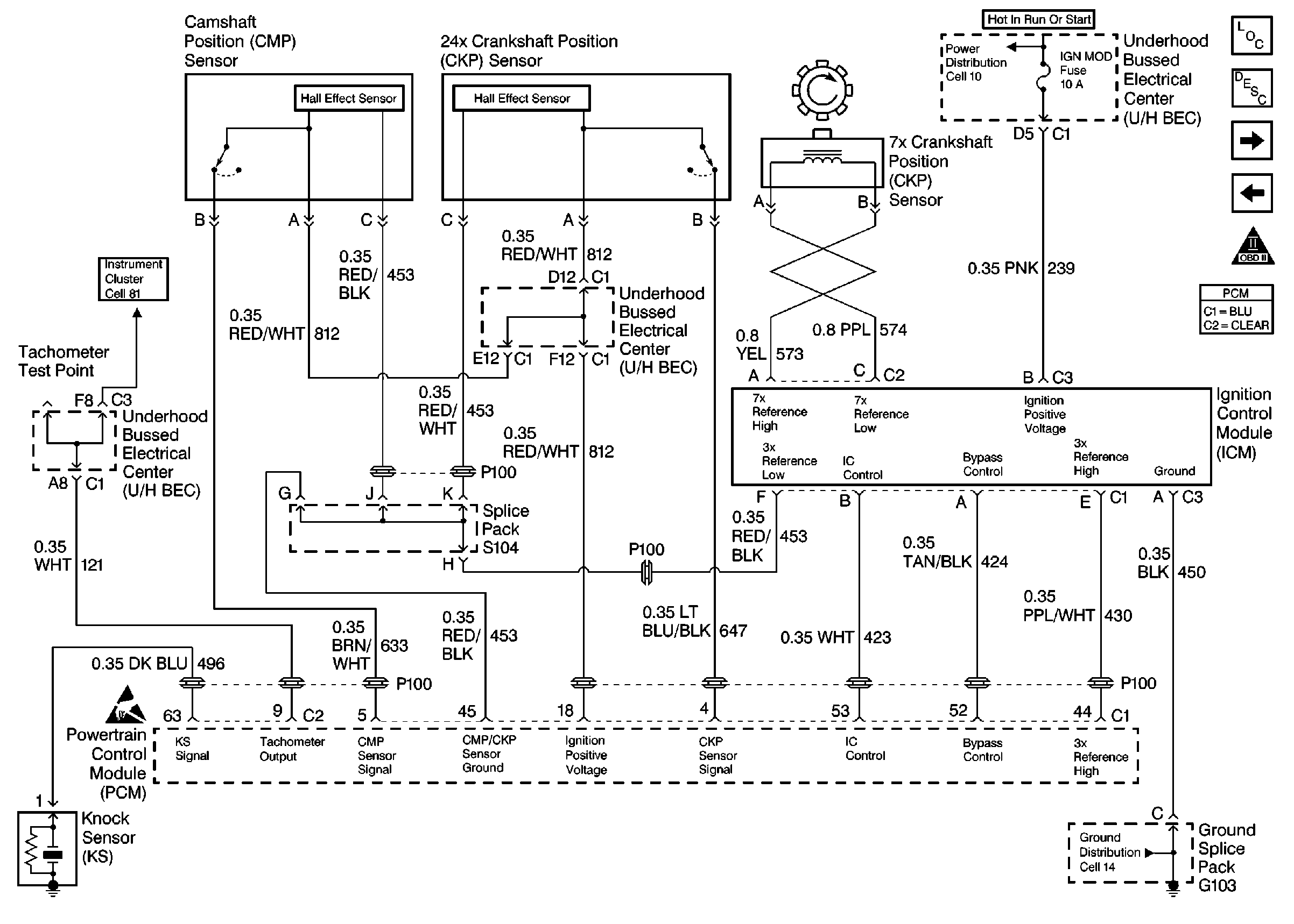
Ignition Controls
Ignition Controls
Engine Controls Components
Information Sensors
Fuel Controls
Power, Ground, MIL, and DLC
OBD II Symbol Description Notice
Handling ESD Sensitive Parts Notice