GM Service Manual Online
For 1990-2009 cars only

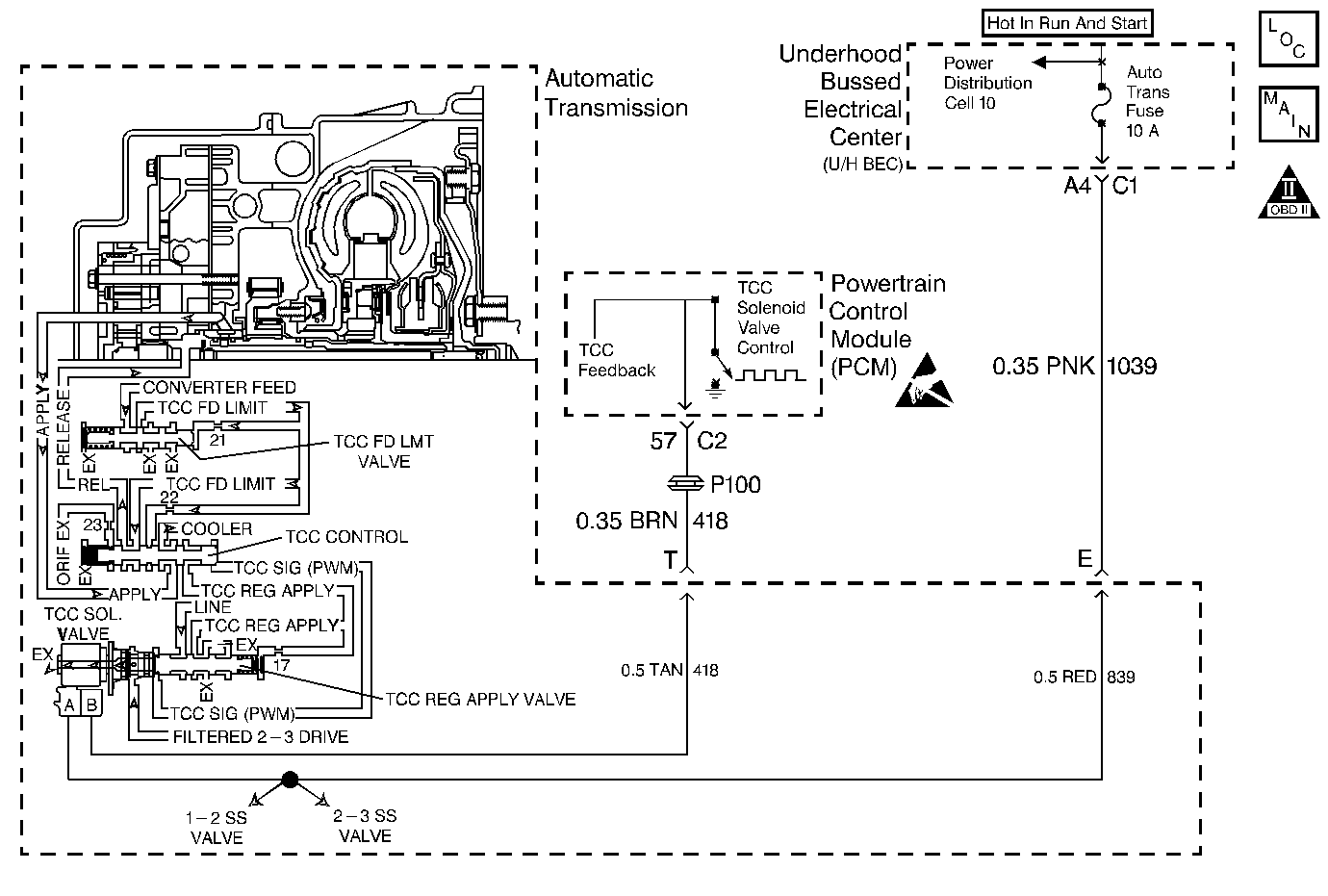
DTC P0741 TCC System Stuck Off 2.4L


Object Number: 100625  Size: MF

Circuit Description

The Torque Converter Clutch Solenoid Valve (TCC Sol. Valve) is a pulse width modulated solenoid. When vehicle operating conditions are appropriate for TCC application, the Powertrain Control Module (PCM) begins the TCC duty cycle at approximately 42%. The PCM then increases the duty cycle up to 90%, in order to achieve full TCC-apply pressure.

When the TCC Sol. Valve is de-energized, the solenoid blocks filtered 2-3 drive fluid, and allows TCC signal fluid to exhaust. When energized, the solenoid modulates fluid into the TCC signal fluid circuit. When fully energized, modulation stops, and the solenoid blocks both 2-3 drive fluid and TCC signal fluid exhaust.

When the PCM detects a high TCC slip speed when the TCC is commanded ON, then DTC P0741 sets. DTC P0741 is a type B DTC.

Conditions for Setting the DTC

    • No TP Sensor DTCs P0121, P0122, or P0123.
    • No A/T OSS DTCs P0502 or P0503.
    • No TCC Stuck ON DTC P0742.
    • No TFP Val. Position Sw. DTC P1810.
    • No TCC Release DTC P1887.
    • Time since the last manual gear select lever change is greater than 3 seconds.
    • The TFP Val. Position Sw. indicates 2, 3, or D.
    • The PCM commands the TCC ON for greater than 3 seconds.
    • The TP is 10-75%.
    • The transmission fluid temperature (TFT) is 20-130°C (68-266°F).
    • The commanded gear is 2nd, 3rd, or D.
    • The TCC slip speed is greater than 300 RPM for 5 seconds, two consecutive times.

Action Taken When the DTC Sets

    • The PCM illuminates the Malfunction Indicator Lamp (MIL).
    • The PCM inhibits TCC engagement.
    • The PCM freezes shift adapts from being updated.
    • DTC P0741 is stored in the PCM history.

Conditions for Clearing the MIL/DTC

    • The PCM turns OFF the MIL after three consecutive trips without a failure reported.
    • A scan tool can clear the DTC from the PCM history. The PCM clears the DTC from the PCM history if the vehicle completes 40 warm-up cycles without a failure reported.
    • The PCM cancels the DTC default actions when the fault no longer exists and the ignition is OFF long enough in order to power down the PCM.

Diagnostic Aids

    • Inspect the transmission fluid level.
    • The transmission may be in hot mode. Inspect the transmission fluid lines to the radiator. The lines may be pinched, plugged or twisted.

Test Description

The numbers below refer to the step numbers on the diagnostic table.

  1. DTCs P0753 and P0758 also set if the power circuit is open.

  2. This step verifies the PCM's ability to command the TCC Sol. Valve.

  3. This step tests for correct component, and circuit resistance.

DTC P0741 TCC System -- Stuck Off (2.4L)

Step

Action

Value(s)

Yes

No

1

Was the Powertrain On-Board Diagnostic (OBD) System Check performed?

--

Go to Step 2

Go to Powertrain OBD System Check

2

  1. Install the Scan Tool .
  2. With the engine OFF, turn the ignition switch to the RUN position.
  3. Important: Before clearing the DTC(s), use the scan tool in order to record the Freeze Frame and Failure Records for reference. Using the Clear Info function will erase the stored Freeze Frame and Failure Records from the PCM.

  4. Record the DTC Freeze Frame and Failure Records, then clear the DTC(s).

Are DTCs P0753 and P0758 also set?

--

Go to Step 3

Go to Step 5

3

  1. Turn the ignition OFF.
  2. Remove the Auto Trans fuse.
  3. Inspect the fuse for an open.

Refer to Troubleshooting Procedures in the Electrical Diagnosis Section.

Did you find the condition?

--

Go to Step 4

Go to Step 6

4

Repair the short to ground in circuit 1039.

Refer to Troubleshooting Procedures in the Electrical Diagnosis Section.

Did you find and correct the condition?

--

Go to Step 15

Go to Step 9

5

  1. Turn the ignition OFF.
  2. Disconnect the transmission 20-way connector (additional DTCs will set).
  3. Install the J 39775 Jumper Harness to the engine side of the 20-way connector.
  4. Using the J 35616-A Connector Test Adapter Kit, connect a test lamp from terminal E to a good ground.
  5. With the engine OFF, turn the ignition switch to the RUN position.

Is the test lamp ON?

--

Go to Step 7

Go to Step 6

6

Inspect circuit 1039 for an open.

Refer to Troubleshooting Procedures in the Electrical Diagnosis Section.

Did you find and correct the condition?

--

Go to Step 15

--

7

  1. Connect a test lamp from terminal E to terminal T.
  2. Select scan tool TCC Duty Cycle.
  3. Command the TCC Duty Cycle to 100%.
  4. Command the TCC Duty Cycle to 0%.

Is the test lamp ON when the duty cycle is 100%, and OFF when the duty cycle is 0%?

--

Go to Step 9

Go to Step 8

8

Inspect circuit 418 for an open.

Refer to Troubleshooting Procedures in the Electrical Diagnosis Section.

Did you find and correct the condition?

--

Go to Step 15

Go to Step 13

9

  1. Disconnect the J 39775 Jumper Harness from the engine 20-way connector.
  2. Install the J 39775 Jumper Harness on the transmission side of the 20-way connector.
  3. Using the J 35616-A Connector Test Adapter Kit, connect the J 39200 Digital Multimeter (DMM) from terminal E to terminal T and measure the resistance.

Is the resistance within the specified range?

10-15 ohms

Go to Step 14

Go to Step 10

10

  1. Inspect circuit 839 from the transmission 20-way connector to the TCC Sol. Valve for an open.
  2. Inspect circuit 418 from the transmission 20-way connector to the TCC Sol. Valve for an open.

Refer to Troubleshooting Procedures in the Electrical Diagnosis Section.

Did you find the condition?

--

Go to Step 11

Go to Step 12

11

Replace the Automatic Transmission Wiring Harness.

Refer to Automatic Transmission Wiring Harness Replacement in the Automatic Transmission On-Vehicle Service Section.

Is the replacement complete?

--

Go to Step 15

--

12

Replace the TCC Sol. Valve.

Refer to Torque Converter Clutch Solenoid Valve Replacement, in the Automatic Transmission On-Vehicle Service Section.

Is the replacement complete?

--

Go to Step 15

--

13

Replace the PCM.

Refer to PCM Replacement/Programming.

Is the replacement complete?

--

Go to Step 15

--

14

  1. Inspect the TCC shift valve circuit for the following conditions:
  2. • A leak at the TCC Sol. Valve
    • The TCC regulator apply valve stuck in the release position.
    • The TCC control valve stuck in the release position.
    • A plugged TCC Sol. Valve filter
  3. Repair the TCC shift valve circuit.

Refer to Unit Repair.

Is the repair complete?

--

Go to Step 15

--

15

In order to verify your repair, perform the following procedure:

  1. Select DTC.
  2. Select Clear Info.
  3. Operate the vehicle under the following conditions:
  4. • Drive the vehicle in D4 with the throttle greater than 10%.
    • Obtain 74 km/h (45 mph).
    • With the TCC commanded ON and engaged, the slip speed must be less than 300 RPM for 3 seconds.
  5. Select Specific DTC. Enter DTC P0741.

Has the test run and passed?

--

System OK

Begin the diagnosis again. Go to Step 1

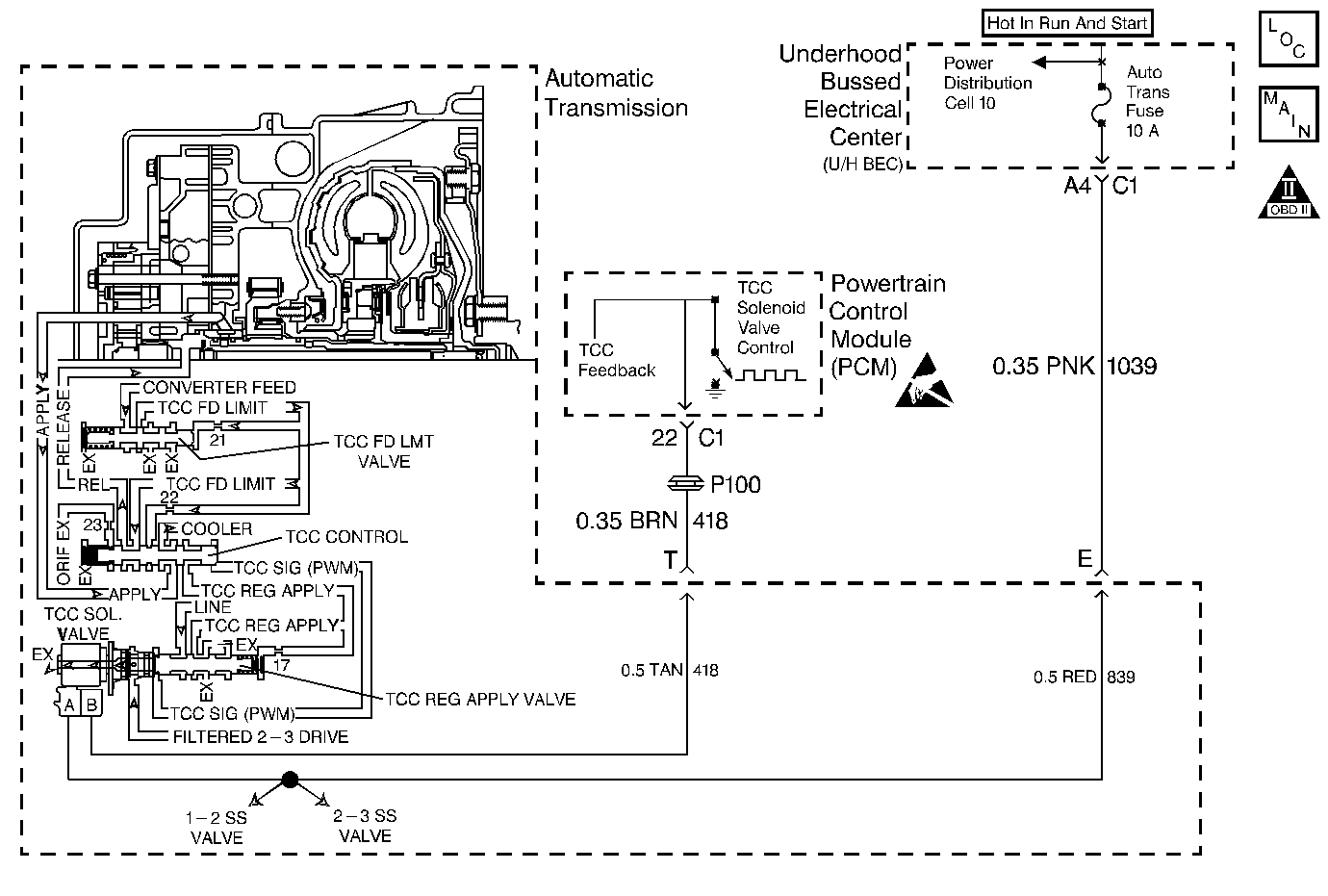
DTC P0741 TCC System Stuck Off 3.1L


Object Number: 100632  Size: MF

Circuit Description

The Torque Converter Clutch Solenoid Valve (TCC Sol. Valve) is a pulse width modulated solenoid. When vehicle operating conditions are appropriate for TCC application, the Powertrain Control Module (PCM) begins the TCC duty cycle at approximately 42%. The PCM then increases the duty cycle up to 90%, in order to achieve full TCC-apply pressure.

When the TCC Sol. Valve is de-energized, the solenoid blocks filtered 2-3 drive fluid, and allows TCC signal fluid to exhaust. When energized, the solenoid modulates fluid into the TCC signal fluid circuit. When fully energized, modulation stops, and the solenoid blocks both 2-3 drive fluid and TCC signal fluid exhaust.

When the PCM detects a high TCC slip speed when the TCC is commanded ON, then DTC P0741 sets. DTC P0741 is a type B DTC.

Conditions for Setting the DTC

    • No TP Sensor DTCs P0121, P0122 or P0123.
    • No A/T OSS DTCs P0502 or P0503.
    • No TCC Stuck ON DTC P0742.
    • No TFP Val. Position Sw. DTC P1810.
    • No TCC Release DTC P1887.
    • Time since the last manual gear select lever change is greater than 3 seconds.
    • The TFP Val. Position Sw. indicates 2, 3 or D.
    • The PCM commands the TCC ON for greater than 3 seconds.
    • The TP is greater than 12%.
    • The transmission fluid temperature (TFT) is 0-120°C (32-248°F).
    • The commanded gear is 2nd, 3rd, or D.
    • The TCC slip speed is greater than 250 RPM for 5 seconds, two consecutive times.

Action Taken When the DTC Sets

    • The PCM illuminates the Malfunction Indicator Lamp (MIL).
    • The PCM inhibits TCC engagement.
    • The PCM freezes shift adapts from being updated.
    • DTC P0741 is stored in the PCM history.

Conditions for Clearing the MIL/DTC

    • The PCM turns OFF the MIL after three consecutive trips without a failure reported.
    • A scan tool can clear the DTC from the PCM history. The PCM clears the DTC from the PCM history if the vehicle completes 40 warm-up cycles without a failure reported.
    • The PCM cancels the DTC default actions when the fault no longer exists and the ignition is OFF long enough in order to power down the PCM.

Diagnostic Aids

    • Inspect the transmission fluid level.
    • The transmission may be in hot mode. Inspect the transmission fluid lines to the radiator. The lines may be pinched, plugged or twisted.

Test Description

The numbers below refer to the step numbers on the diagnostic table.

  1. DTCs P0753 and P0758 also set if the power circuit is open.

  2. This step verifies the PCM's ability to command the TCC Sol. Valve.

  3. This step tests for correct component, and circuit resistance.

DTC P0741 TCC System -- Stuck Off (3.1L)

Step

Action

Value(s)

Yes

No

1

Was the Powertrain On-Board Diagnostic (OBD) System Check performed?

--

Go to Step 2

Go to Powertrain OBD System Check

2

  1. Install the Scan Tool .
  2. With the engine OFF, turn the ignition switch to the RUN position.
  3. Important: Before clearing the DTC(s), use the scan tool in order to record the Freeze Frame and Failure Records for reference. Using the Clear Info function will erase the stored Freeze Frame and Failure Records from the PCM.

  4. Record the DTC Freeze Frame and Failure Records, then clear the DTC(s).

Are DTCs P0753 and P0758 also set?

--

Go to Step 3

Go to Step 5

3

  1. Turn the ignition OFF.
  2. Remove the Auto Trans fuse.
  3. Inspect the fuse for an open.

Refer to Troubleshooting Procedures in the Electrical Diagnosis Section.

Did you find the condition?

--

Go to Step 4

Go to Step 6

4

Repair the short to ground in circuit 1039.

Refer to Troubleshooting Procedures in the Electrical Diagnosis Section.

Did you find and correct the condition?

--

Go to Step 15

Go to Step 9

5

  1. Turn the ignition OFF.
  2. Disconnect the transmission 20-way connector (additional DTCs will set).
  3. Install the J 39775 Jumper Harness to the engine side of the 20-way connector.
  4. Using the J 35616-A Connector Test Adapter Kit, connect a test lamp from terminal E to a good ground.
  5. With the engine OFF, turn the ignition switch to the RUN position.

Is the test lamp ON?

--

Go to Step 7

Go to Step 6

6

Inspect circuit 1039 for an open.

Refer to Troubleshooting Procedures in the Electrical Diagnosis Section.

Did you find and correct the condition?

--

Go to Step 15

--

7

  1. Connect a test lamp from terminal E to terminal T.
  2. Select scan tool TCC Duty Cycle.
  3. Command the TCC Duty Cycle to 100%.
  4. Command the TCC Duty Cycle to 0%.

Is the test lamp ON when the duty cycle is 100%, and OFF when the duty cycle is 0%?

--

Go to Step 9

Go to Step 8

8

Inspect circuit 418 for an open.

Refer to Troubleshooting Procedures in the Electrical Diagnosis Section.

Did you find and correct the condition?

--

Go to Step 15

Go to Step 13

9

  1. Disconnect the J 39775 Jumper Harness from the engine 20-way connector.
  2. Install the J 39775 Jumper Harness on the transmission side of the 20-way connector.
  3. Using the J 35616-A Connector Test Adapter Kit, connect the J 39200 Digital Multimeter (DMM) from terminal E to terminal T and measure the resistance.

Is the resistance within the specified range?

10-15 ohms

Go to Step 14

Go to Step 10

10

  1. Inspect circuit 839 from the transmission 20-way connector to the TCC Sol. Valve for an open.
  2. Inspect circuit 418 from the transmission 20-way connector to the TCC Sol. Valve for an open.

Refer to Troubleshooting Procedures in the Electrical Diagnosis Section.

Did you find the condition?

--

Go to Step 11

Go to Step 12

11

Replace the Automatic Transmission Wiring Harness.

Refer to Automatic Transmission Wiring Harness Replacement in the Automatic Transmission On-Vehicle Service Section.

Is the replacement complete?

--

Go to Step 15

--

12

Replace the TCC Sol. Valve.

Refer to Torque Converter Clutch Solenoid Valve Replacement, in the Automatic Transmission On-Vehicle Service Section.

Is the replacement complete?

--

Go to Step 15

--

13

Replace the PCM.

Refer to PCM Replacement/Programming.

Is the replacement complete?

--

Go to Step 15

--

14

  1. Inspect the TCC shift valve circuit for the following conditions:
  2. • A leak at the TCC Sol. Valve
    • The TCC regulator apply valve stuck in the release position.
    • The TCC control valve stuck in the release position.
    • A plugged TCC Sol. Valve filter
  3. Repair the TCC shift valve circuit.

Refer to Unit Repair.

Is the repair complete?

--

Go to Step 15

--

15

In order to verify your repair, perform the following procedure:

  1. Select DTC.
  2. Select Clear Info.
  3. Operate the vehicle under the following conditions:
  4. • Drive the vehicle in D4 with the throttle greater than 12%.
    • Obtain 74 km/h (45 mph).
    • With the TCC commanded ON and engaged, the slip speed must be less than 50 RPM for 3 seconds.
  5. Select Specific DTC. Enter DTC P0741.

Has the test run and passed?

--

System OK

Begin the diagnosis again. Go to Step 1