GM Service Manual Online
For 1990-2009 cars only
Makes
🢒
Chevrolet
🢒
2000
🢒
Malibu
🢒
Body and Accessories
🢒
Horns
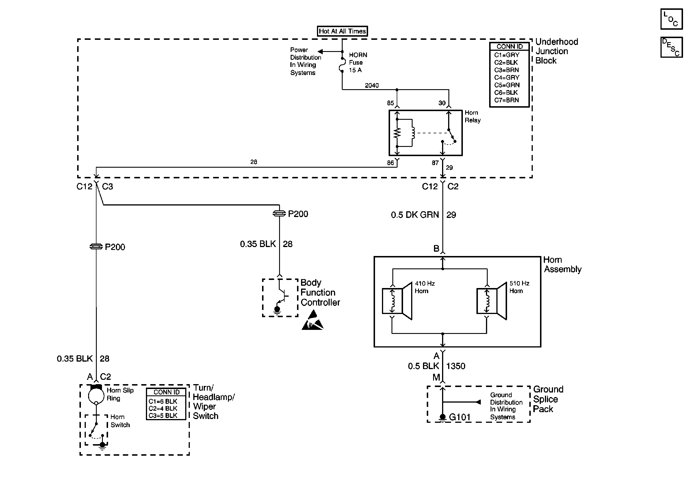
🢒 Horn Schematics
Horns
Horns Components
Horns Circuit Description
Handling ESD Sensitive Parts Notice
Power Distribution Schematics
Ground Distribution Schematics