GM Service Manual Online
For 1990-2009 cars only
Makes
🢒
Chevrolet
🢒
2000
🢒
Malibu
🢒
Body and Accessories
🢒
Doors
🢒 Door Lock/Indicator Schematics
Figure
1:
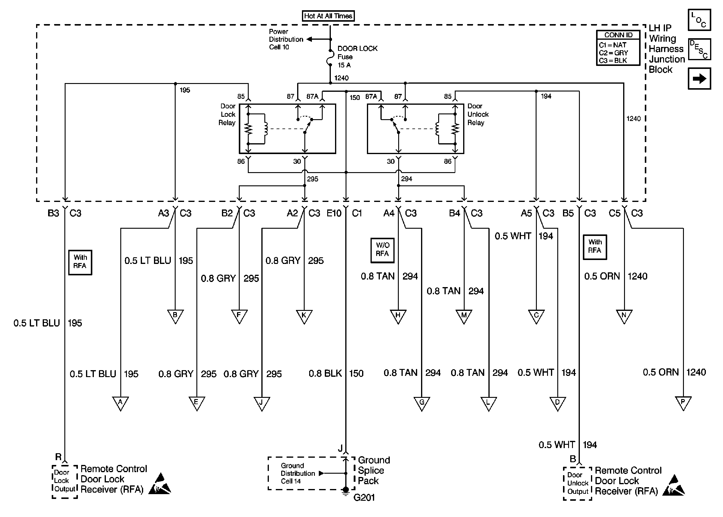
Door Lock Relays and Left IP Wiring Harness Junction Block
Power Door Systems Components
Power Door Locks Circuit Description
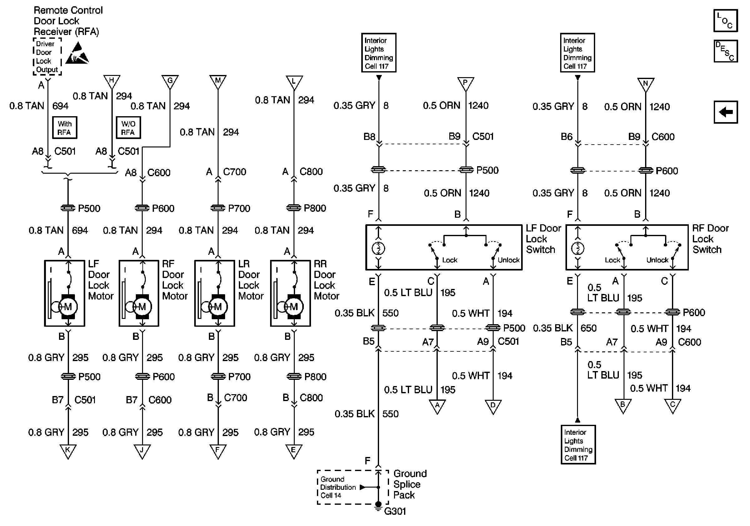
Door Lock Motors and Switches
Handling ESD Sensitive Parts Notice
Handling ESD Sensitive Parts Notice
Ground Distribution Schematics
Power Distribution Schematics
Door Lock Motors and Switches
Door Lock Motors and Switches
Door Lock Motors and Switches
Door Lock Motors and Switches
Door Lock Motors and Switches
Door Lock Motors and Switches
Door Lock Motors and Switches
Figure
2:
Door Lock Motors and Switches
Power Door Systems Components
Power Door Locks Circuit Description
Door Lock Relays and Left IP Wiring Harness Junction Block
Handling ESD Sensitive Parts Notice
Interior Lights Dimming Schematics
Interior Lights Dimming Schematics
Interior Lights Dimming Schematics
Ground Distribution Schematics
Door Lock Relays and Left IP Wiring Harness Junction Block
Door Lock Relays and Left IP Wiring Harness Junction Block
Door Lock Relays and Left IP Wiring Harness Junction Block
Door Lock Relays and Left IP Wiring Harness Junction Block
Door Lock Relays and Left IP Wiring Harness Junction Block
Door Lock Relays and Left IP Wiring Harness Junction Block
Door Lock Relays and Left IP Wiring Harness Junction Block
Door Lock Relays and Left IP Wiring Harness Junction Block
Door Lock Relays and Left IP Wiring Harness Junction Block
Door Lock Relays and Left IP Wiring Harness Junction Block
Door Lock Relays and Left IP Wiring Harness Junction Block
Door Lock Relays and Left IP Wiring Harness Junction Block