GM Service Manual Online
For 1990-2009 cars only
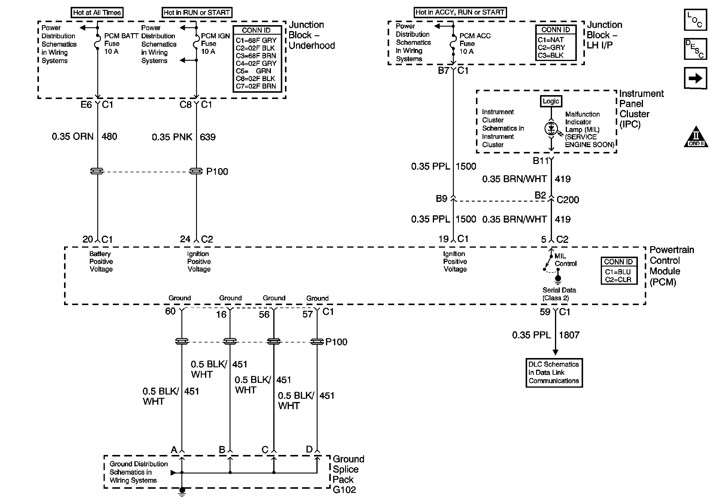
Figure 1:

Power, Ground, MIL, and Serial Data


Object Number: 661652  Size: FS
Master Electrical Component List
Powertrain Control Module Description
Power, Ground and Fuel Delivery
OBD II Symbol Description Notice
LH IP Junction Block BATT 2, STOP LPS, IPC/HVAC BATT, BFC BATT Fuses
Data Link Communications
Data Link Communications
G102 and G104
Indicators
LH IP Junction Block BATT 2, STOP LPS, IPC/HVAC BATT, BFC BATT Fuses
IGN BATT 1, IGN SW BATT 2, AIR BAG, TURN LPS, RDO ACC, WIPER, PCM ACC, and IPC/BFC ACC Fuses
IGN MOD, B/U LMP, PCM IGN, F/P INJR, A/C BFC, AUTO TRANS and ABS IGN Fuses
AUX POWER/CIGAR, PARK LPS, PCM BATT Fuses, PARK LAMP Relay
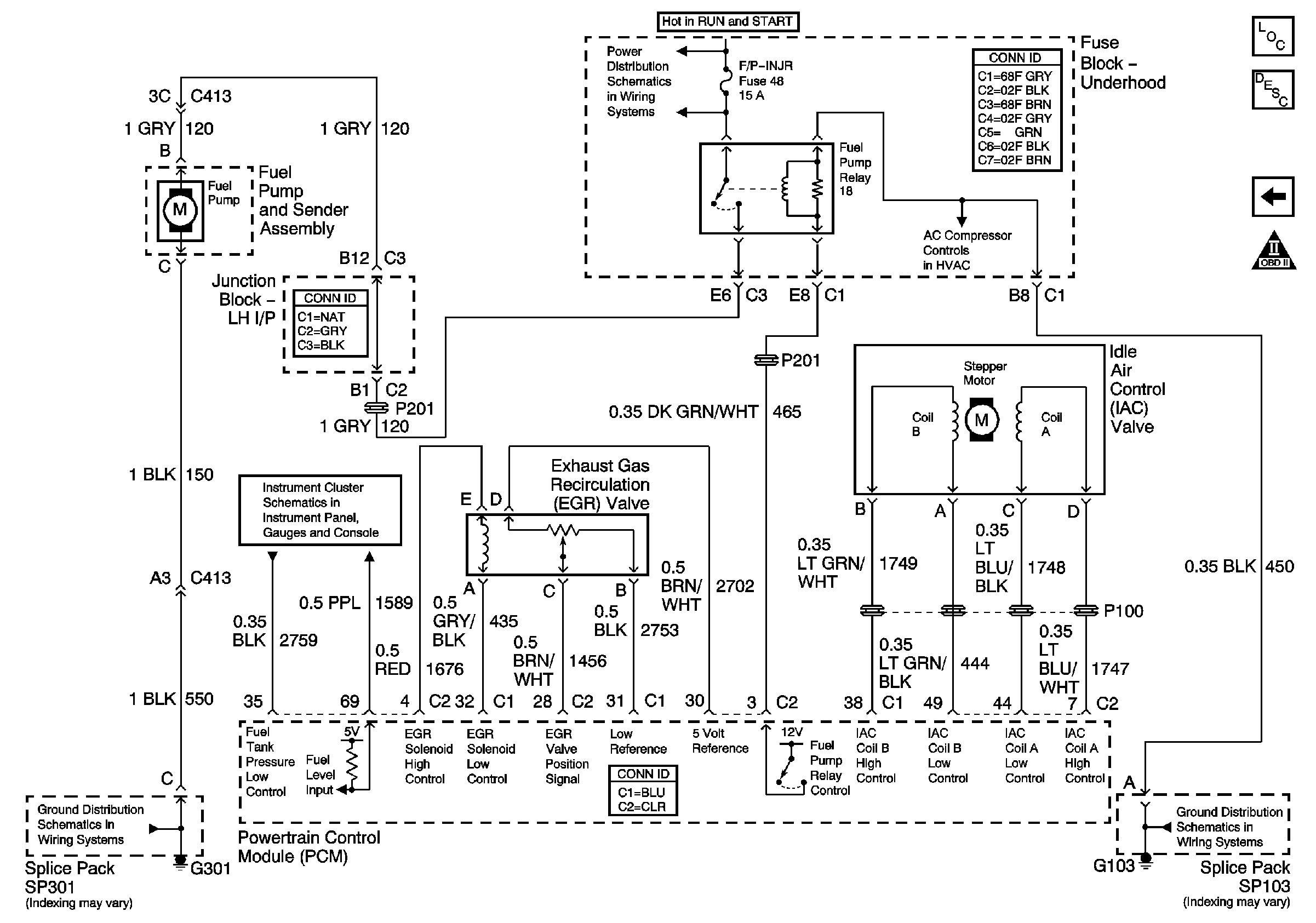
Figure 2:

Fuel Pump, EGR, and IAC Valve Controls


Object Number: 661756  Size: FS
Master Electrical Component List
Powertrain Control Module Description
Heated Oxygen Sensors
Power and Grounds
OBD II Symbol Description Notice
G103 and G105
A/C Compressor Controls
IGN MOD, B/U LMP, PCM IGN, F/P INJR, A/C BFC, AUTO TRANS and ABS IGN Fuses
Indicators
G301
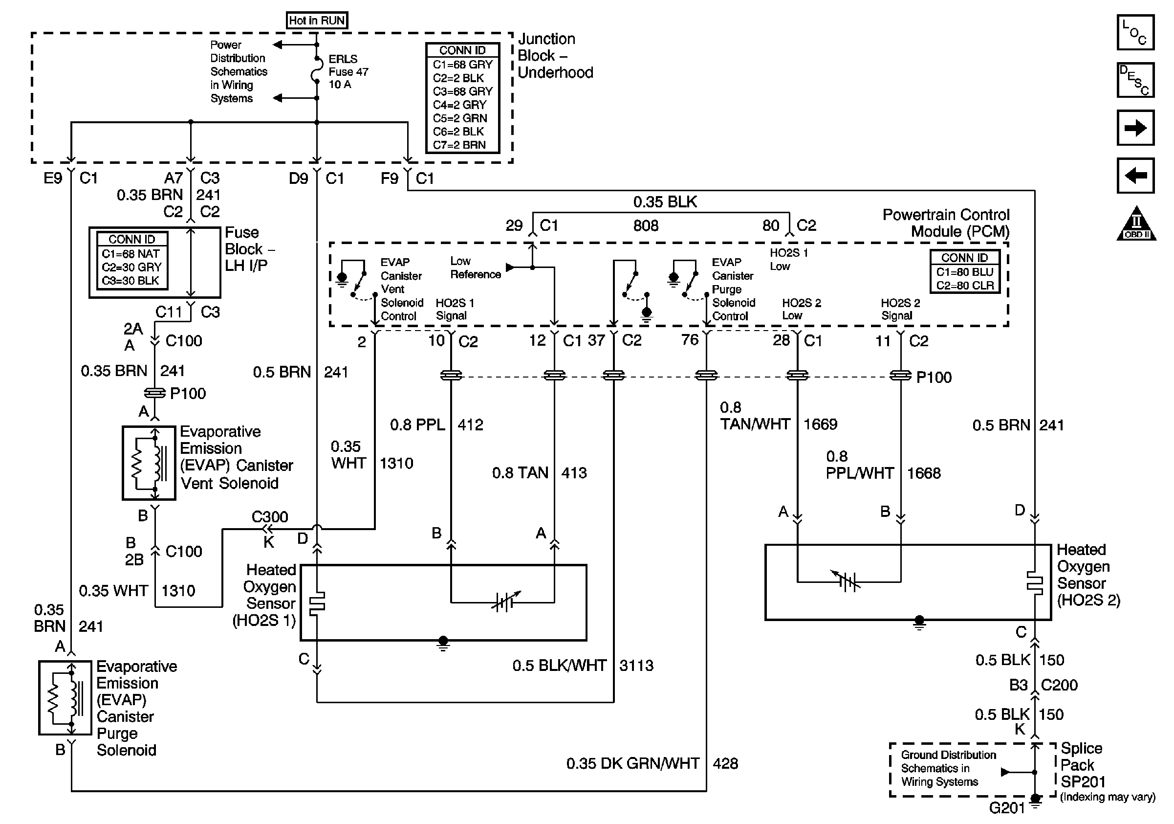
Figure 3:

Heated Oxygen Sensors and EVAP Controls


Object Number: 661754  Size: FS
Master Electrical Component List
Powertrain Control Module Description
OBD II Symbol Description Notice
G201
Fuel Injectors
Power, Ground and Fuel Delivery
HTR, A /C IGN, and ERLS Fuses
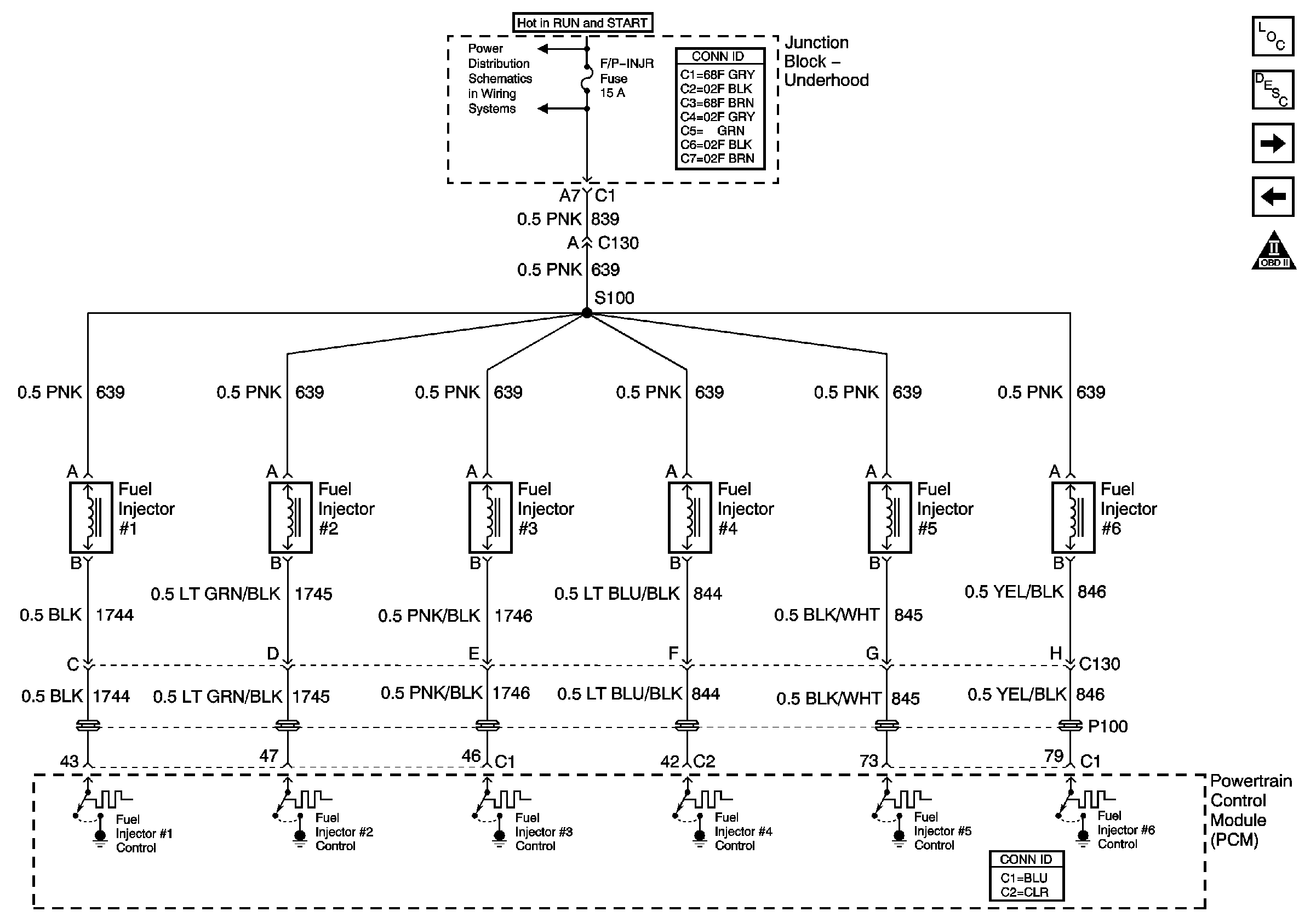
Figure 4:

Fuel Injectors


Object Number: 661753  Size: FS
Master Electrical Component List
Fuel System Description
OBD II Symbol Description Notice
Cruise Control and VSS
Heated Oxygen Sensors
IGN MOD, B/U LMP, PCM IGN, F/P INJR, A/C BFC, AUTO TRANS and ABS IGN Fuses
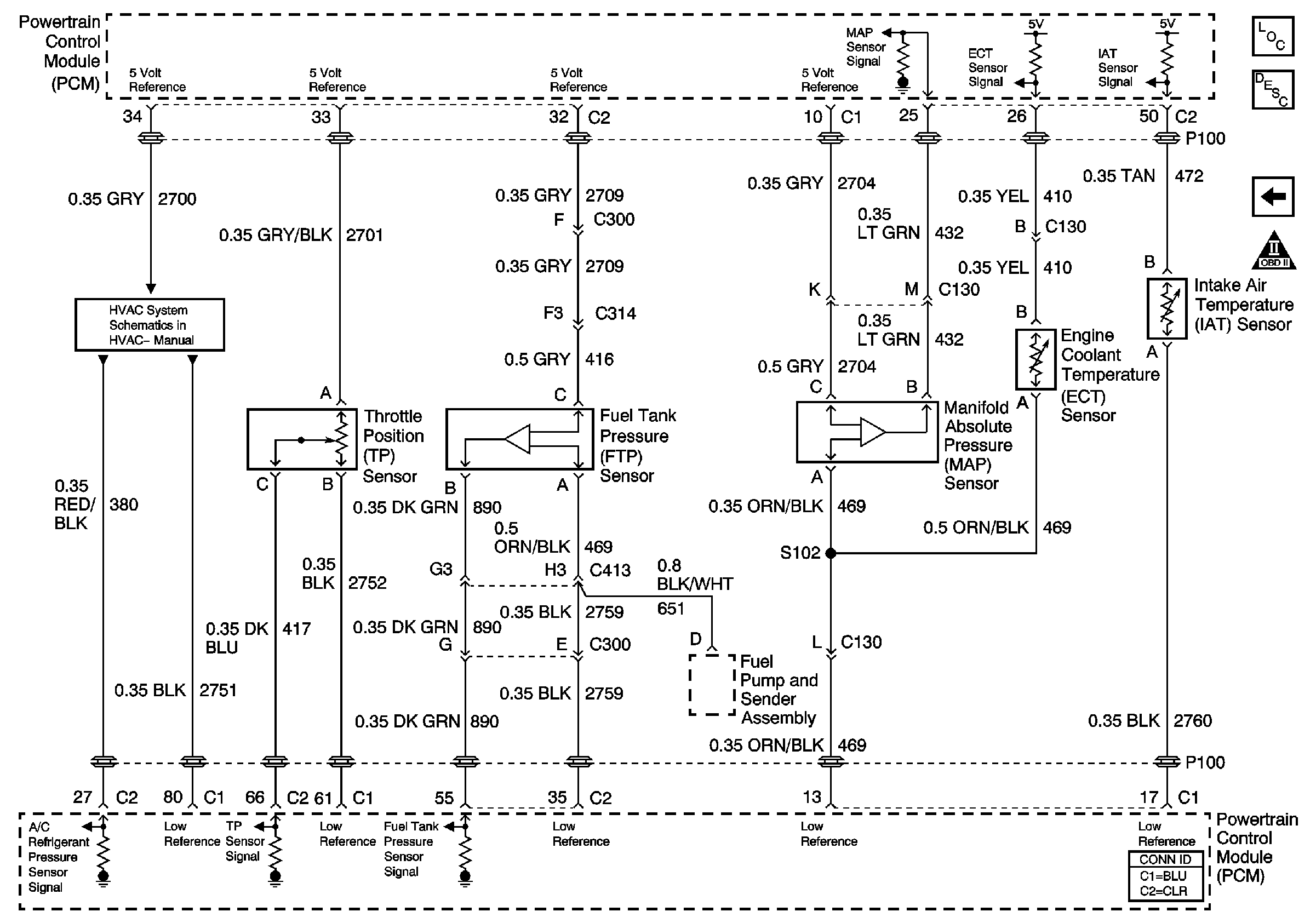
Figure 5:

VSS, MAF Sensor, and Controlled/Monitored System References


Object Number: 661750  Size: FS
Master Electrical Component List
Powertrain Control Module Description
OBD II Symbol Description Notice
Ignition Controls
Fuel Injectors
A/C Compressor Controls
Cooling Fans
Brake Switch, and Inhibit Signals
Power and Communications
G102 and G104
IGN MOD, B/U LMP, PCM IGN, F/P INJR, A/C BFC, AUTO TRANS and ABS IGN Fuses
Figure 6:

Ignition Controls


Object Number: 661747  Size: FS
Master Electrical Component List
Electronic Ignition (EI) System Description
OBD II Symbol Description Notice
A / C, TPS, FTP, MAP, ECT, And IAT
Cruise Control and VSS
G103 and G105
IGN MOD, B/U LMP, PCM IGN, F/P INJR, A/C BFC, AUTO TRANS and ABS IGN Fuses
Power and Communications
Figure 7:

Engine Data Sensors -- TP, FTP, MAP, ECT, and IAT


Object Number: 661741  Size: FS
Master Electrical Component List
Powertrain Control Module Description
OBD II Symbol Description Notice
Ignition Controls
A/C Compressor Controls