GM Service Manual Online
For 1990-2009 cars only
Makes
🢒
Chevrolet
🢒
2001
🢒
Malibu
🢒
Brakes
🢒
Hydraulic Brakes
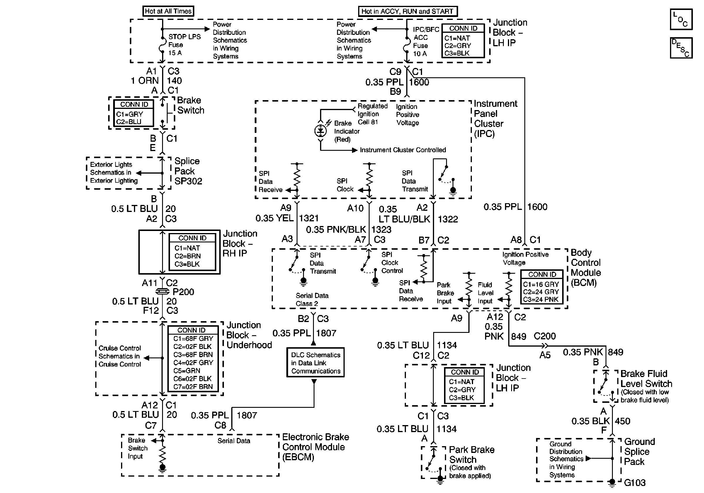
🢒 Brake Warning System Schematics
Warning Lamp Inputs
Master Electrical Component List
Brake Warning System Description and Operation
LH IP Junction Block BATT 2, STOP LPS, IPC/HVAC BATT, BFC BATT Fuses
IGN BATT 1, IGN SW BATT 2, AIR BAG, TURN LPS, RDO ACC, WIPER, PCM ACC, and IPC/BFC ACC Fuses
Tail Lights
Indicators
G103 and G105
Data Link Communications
Brake Switch, and Inhibit Signals