GM Service Manual Online
For 1990-2009 cars only
Makes
🢒
Chevrolet
🢒
2001
🢒
Malibu
🢒
Body and Accessories
🢒
Wiring Systems
🢒 Cruise Control Schematics
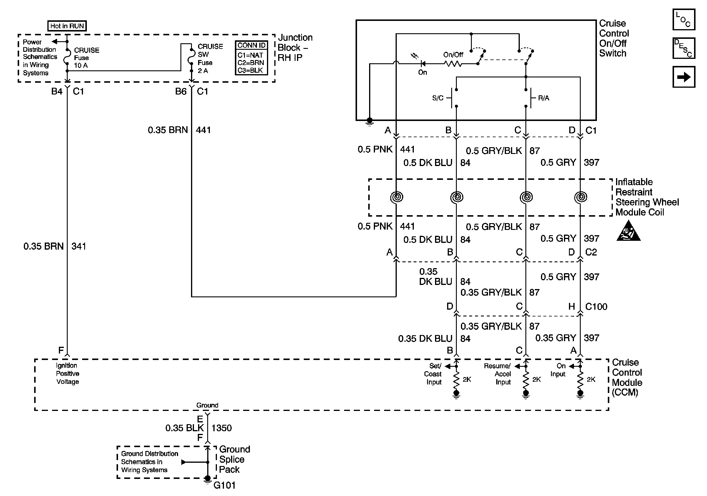
Figure
1:
Power, Ground, and Switch
Master Electrical Component List
Cruise Control Description and Operation
Brake Switch, and Inhibit Signals
SIR Handling Caution
PWR WINDOWS, CRUISE SW, CRUISE, SUNROOF and HVAC BLOWER Fuses
G101
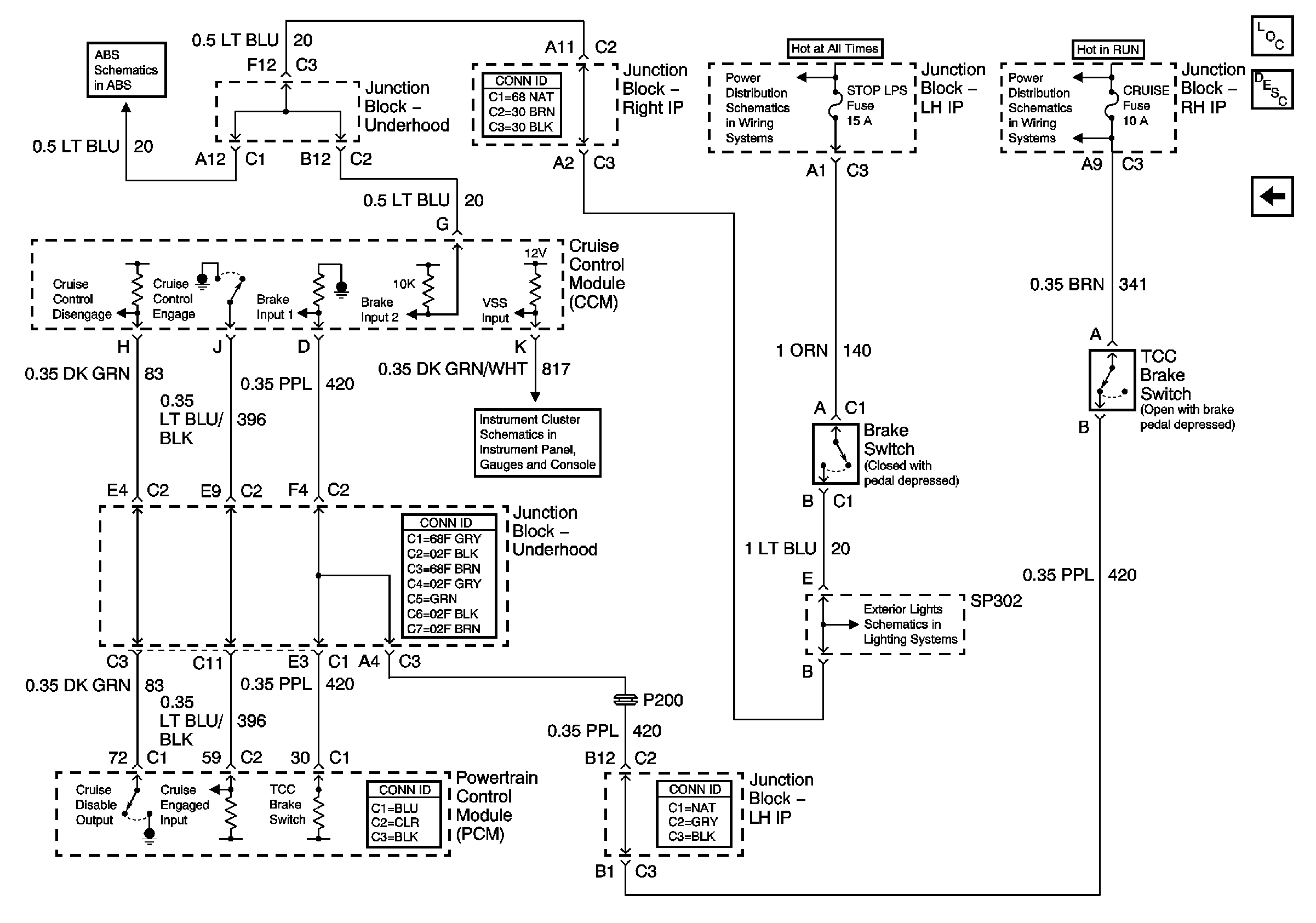
Figure
2:
Brake Switch, and Inhibit Signals
Master Electrical Component List
Cruise Control Description and Operation
Power, Ground, and Switch
PWR WINDOWS, CRUISE SW, CRUISE, SUNROOF and HVAC BLOWER Fuses
Power and Communications
Tail Lights
G101