GM Service Manual Online
For 1990-2009 cars only
Makes
🢒
Chevrolet
🢒
2001
🢒
Malibu
🢒 IGN BATT 1, IGN SW BATT 2, AIR BAG, TURN LPS, RDO ACC, WIPER, PCM ACC, and IPC/BFC ACC Fuses
IGN BATT 1, IGN SW BATT 2, AIR BAG, TURN LPS, RDO ACC, WIPER, PCM ACC, and IPC/BFC ACC Fuses
IGN BATT 1, IGN SW BATT 2, AIR BAG, TURN LPS, RDO ACC, WIPER, PCM ACC, and IPC/BFC ACC Fuses
Master Electrical Component List
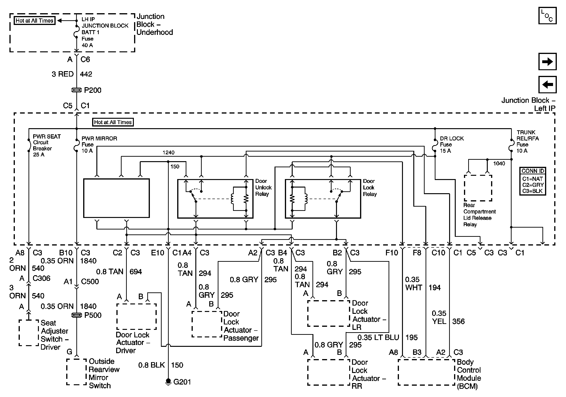
Underhood Junction Block BATT 1, POWER SEAT Circuit Breaker, PWR MIRROR, DR LOCK, TRUNK RELEASE/RFA Fuses, DOOR LOCK Relays (with RFA), REAR COMPARTMENT LID RELEASE Relay
IGN BATT 1, IGN SW BATT 2, AIR BAG, TURN LPS, RDO ACC, WIPER, PCM ACC, and IPC/BFC ACC Fuses
B+ Buss Bar