GM Service Manual Online
For 1990-2009 cars only

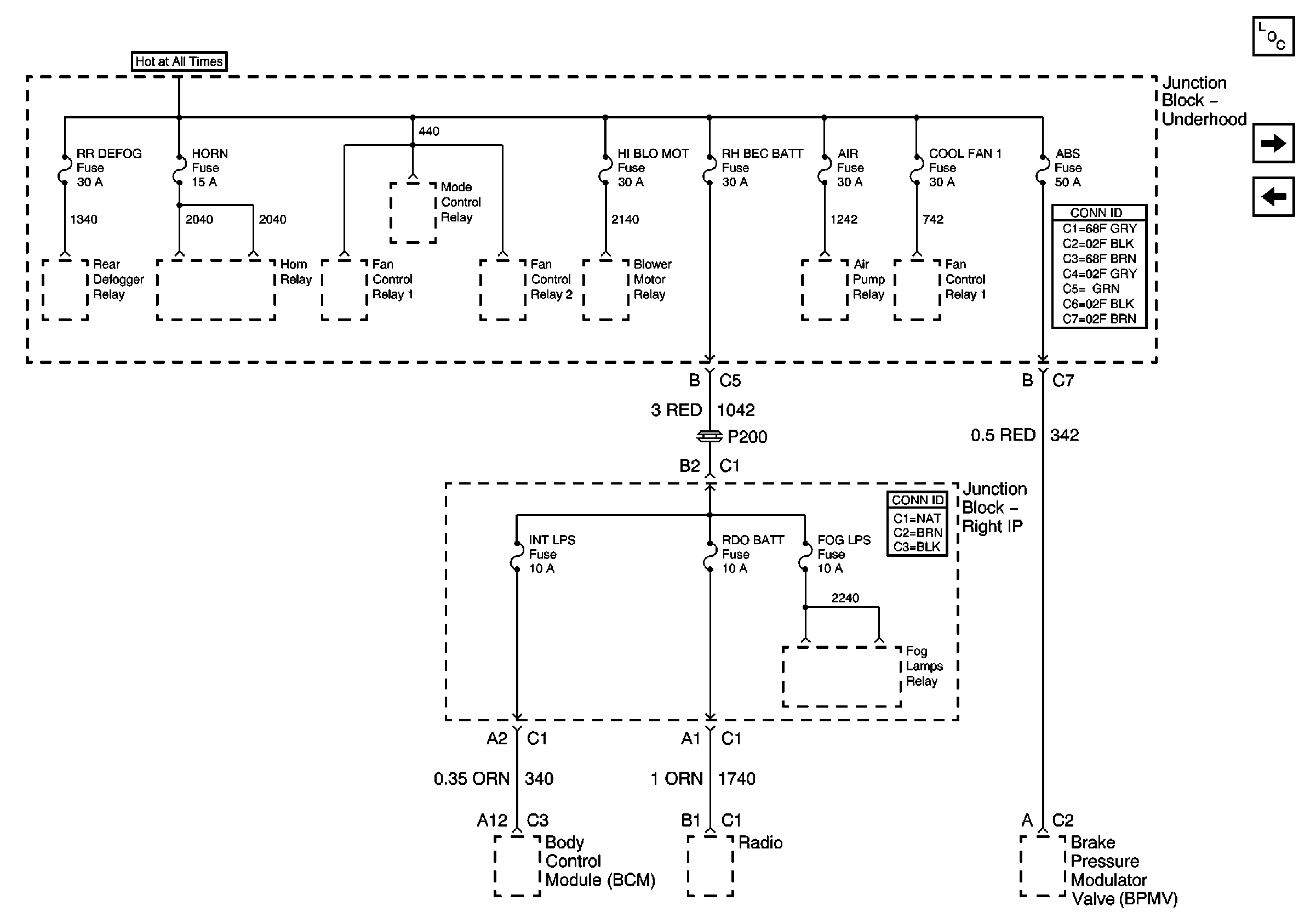
RR DEFOG, HORN, HI BLO MOT, RH BEC BATT, AIR, COOL FAN 1, ABS, INTLPS, RDO BATT, FOG LPS Fuses, REAR DEFOGGER, HORN, FAN CONTROL 1 MODE CONTROL, FAN CONTROL 2 BLOWER MOTOR, AIR PUMP, FOG LAMPS Relays

RR DEFOG, HORN, HI BLO MOT, RH BEC BATT, AIR, COOL FAN 1, ABS, INT LPS, RDO BATT, FOG LPS Fuses, REAR DEFOGGER, HORN, FAN CONTROL 1 MODE CONTROL, FAN CONTROL 2 BLOWER MOTOR, AIR PUMP, FOG LAMPS Relays


Object Number: 660564  Size: FS
Master Electrical Component List
IGN MOD, B/U LMP, PCM IGN, F/P INJR, A/C BFC, AUTO TRANS and ABS IGN Fuses
LH IP Junction Block BATT 2, STOP LPS, IPC/HVAC BATT, BFC BATT Fuses
B+ Buss Bar