GM Service Manual Online
For 1990-2009 cars only
Makes
🢒
Chevrolet
🢒
2001
🢒
Malibu
🢒 Wiper Washer
Wiper Washer
Wiper Washer
Master Electrical Component List
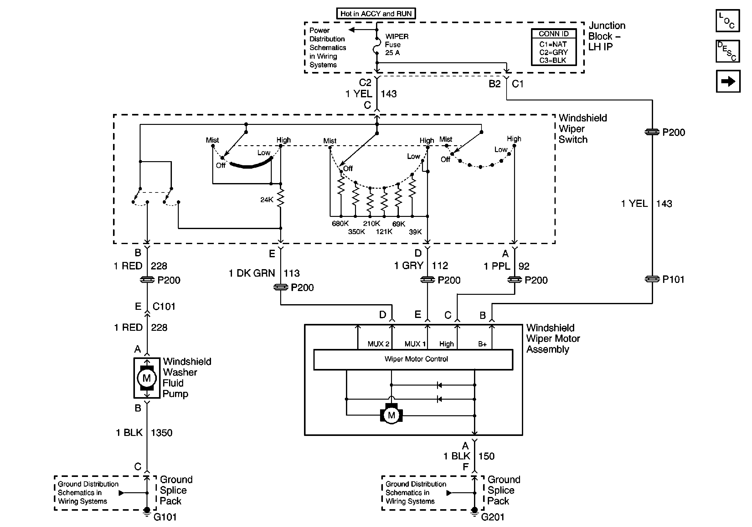
Wiper/Washer System Circuit Description
Washer Level Sensor
IGN BATT 1, IGN SW BATT 2, AIR BAG, TURN LPS, RDO ACC, WIPER, PCM ACC, and IPC/BFC ACC Fuses
G201
G101