GM Service Manual Online
For 1990-2009 cars only
Makes
🢒
Chevrolet
🢒
2005
🢒
Malibu
🢒
Body
🢒
Wiring Systems
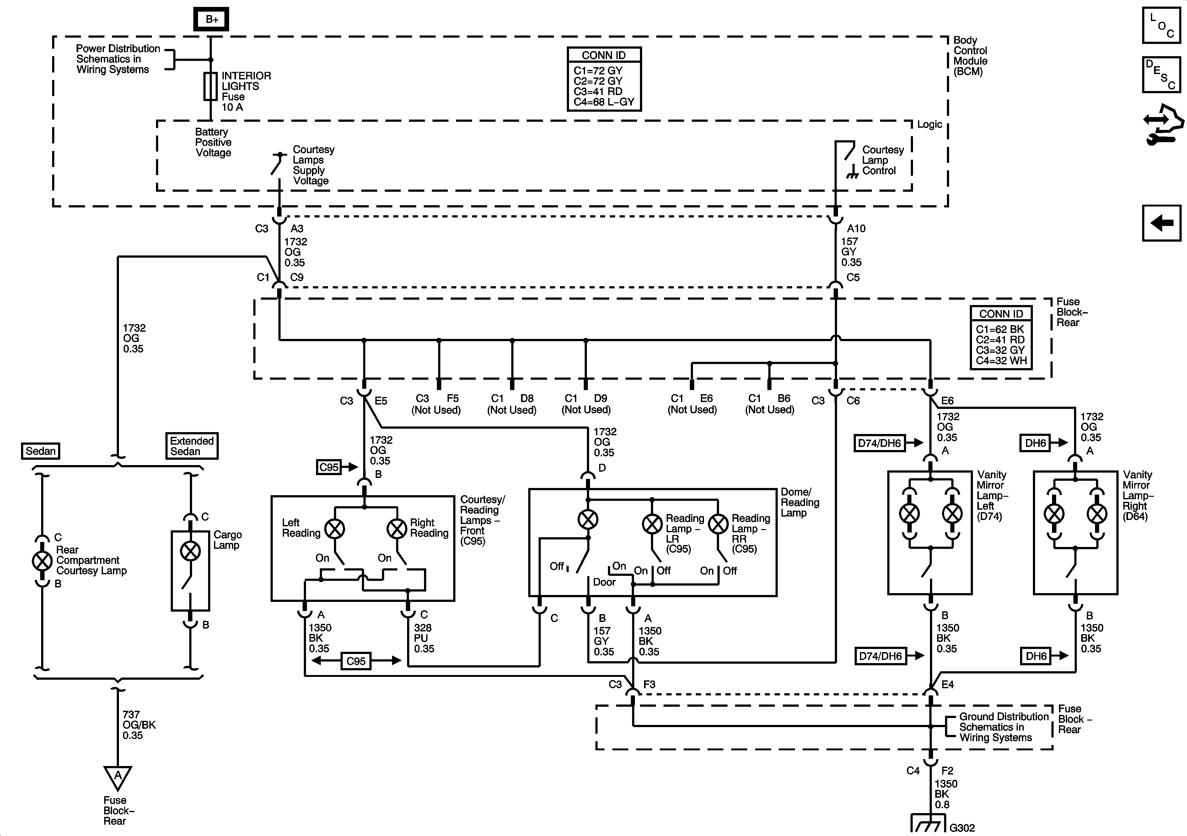
🢒 Interior Lights Schematics
Figure
1:
Inputs
Master Electrical Component List
Interior Lighting Systems Description and Operation
Control Module References
Outputs
Outputs
Door Lock Switches
G301
Sedan
G302
G301
Figure
2:
Outputs
Master Electrical Component List
Interior Lighting Systems Description and Operation
Control Module References
Inputs
Underhood Junction Block - ICBM Batt2, BCM - PWR Windows, Wiper Sw, Sunroof/HTD Seat Fuses
Inputs
G302
G302