GM Service Manual Online
For 1990-2009 cars only
Makes
🢒
Chevrolet
🢒
2005
🢒
Malibu
🢒 Compressor Controls
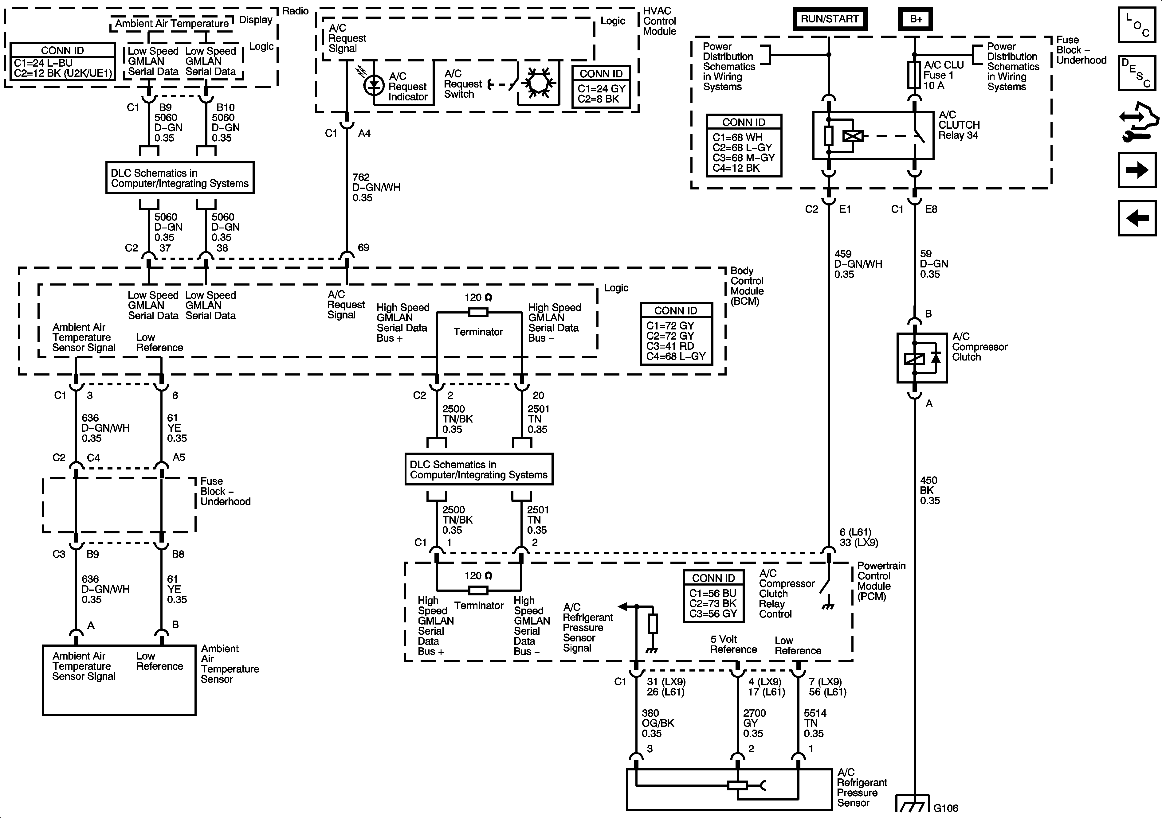
Compressor Controls
Compressor Controls
Master Electrical Component List
Air Temperature Description and Operation
Control Module References
Mode and Air Temperature Controls
Power, Ground, and Blower Motor Controls
Low Speed Serial Data
Power, Ground, Class 2 and High Speed Serial Data
Air, A/C Clutch, ECT IGN, ERLS #1 Fuses
B+ Bussing
G106