GM Service Manual Online
For 1990-2009 cars only
Makes
🢒
Chevrolet
🢒
2005
🢒
Malibu
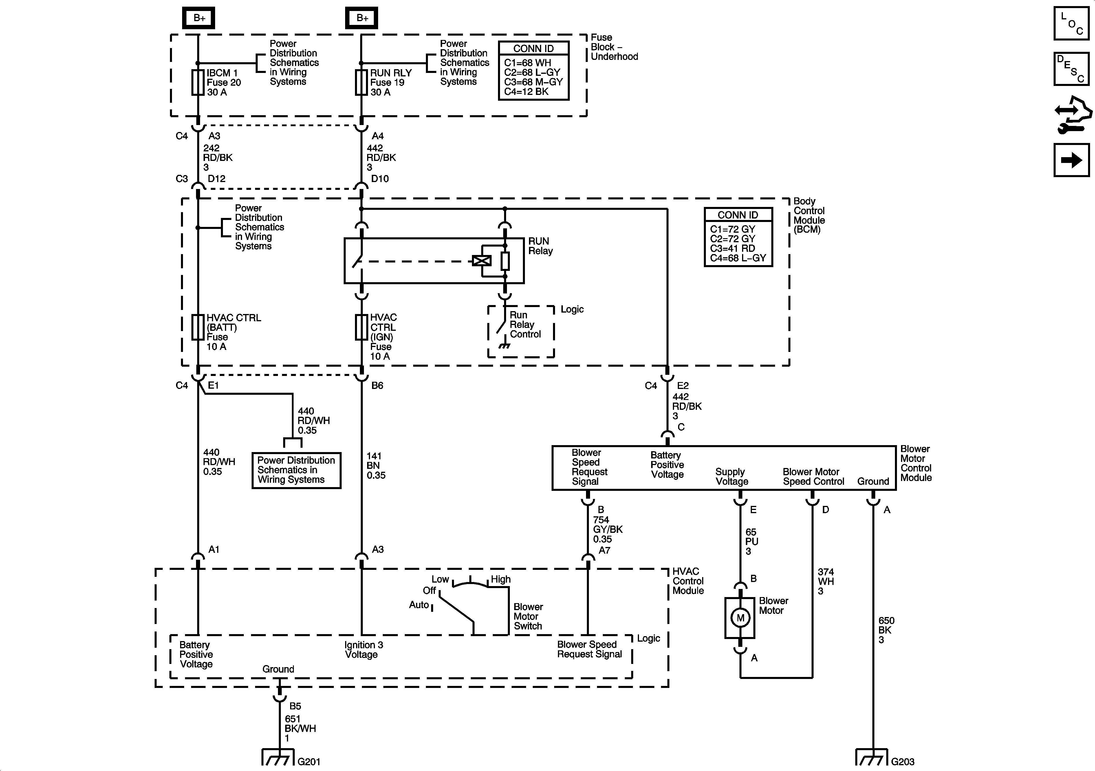
🢒 Power, Ground, A/C Compressor Clutch and Blower Motor Controls
Power, Ground, A/C Compressor Clutch and Blower Motor Controls
Power, Ground, A/C Compressor Clutch and Blower Motor Controls
Master Electrical Component List
Control Module References
Mode and Air Temperature Controls
B+ Bussing
B+ Bussing
B+ Bussing
Underhood Junction Block - IBCM Batt1, BCM - Radio/RFA, Ignigion Sensor, HVAC BATT, Cluster/Theft, Air Bag Batt Fuses
Power, Ground, Class 2 and High Speed Serial Data
Underhood Junction Block - IBCM Batt1, BCM - Radio/RFA, Ignigion Sensor, HVAC BATT, Cluster/Theft, Air Bag Batt Fuses
Low Speed Serial Data
G201
G203
G106