GM Service Manual Online
For 1990-2009 cars only

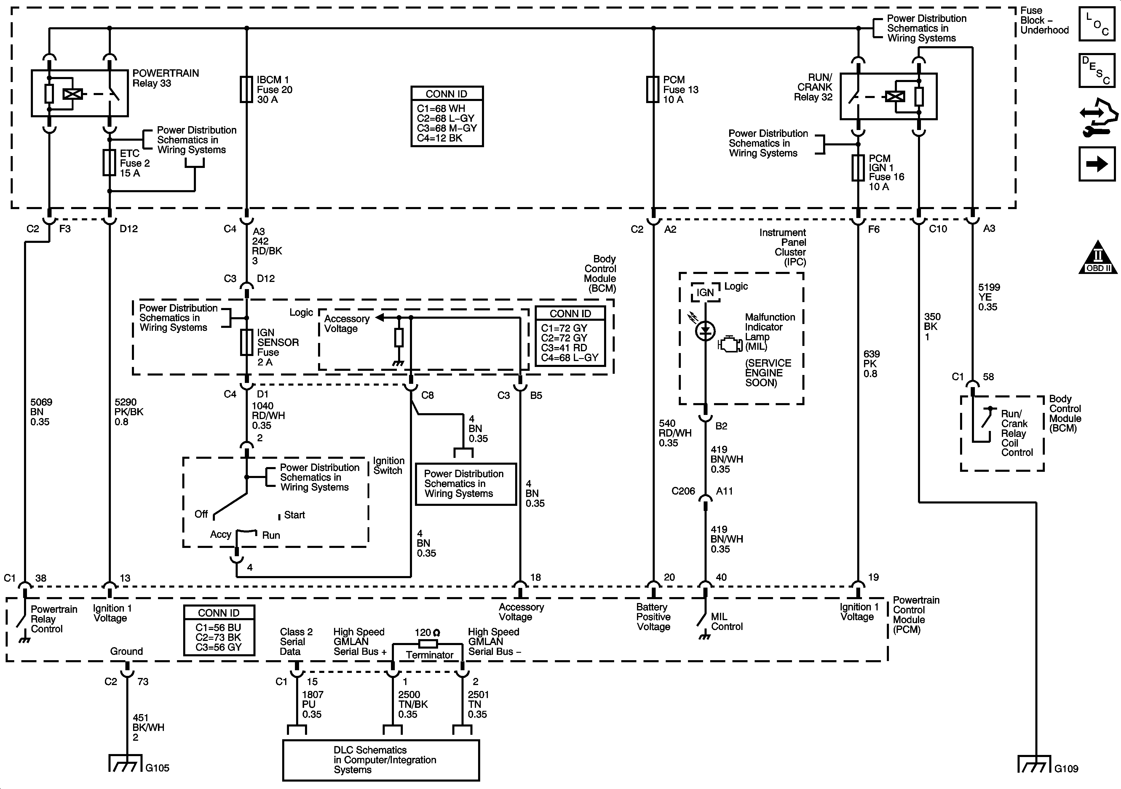
Power, Serial Data, and MIL

Power, Serial Data, and MIL


Object Number: 1500944  Size: FS
Master Electrical Component List
Powertrain Control Module Description
Control Module References
Engine Data Sensors - 5-Volt and Low Reference
OBD II Symbol Description Notice
B+ Bussing
B+ Bussing
B+ Bussing
Underhood Junction Block - IBCM Batt1, BCM - Radio/RFA, Ignigion Sensor, HVAC BATT, Cluster/Theft, Air Bag Batt Fuses
Underhood Junction Block - IBCM Batt1, BCM - Radio/RFA, Ignigion Sensor, HVAC BATT, Cluster/Theft, Air Bag Batt Fuses
G103, G104 and G105
Power, Ground, Class 2 and High Speed Serial Data
G109