GM Service Manual Online
For 1990-2009 cars only
Makes
🢒
Chevrolet
🢒
2005
🢒
Malibu
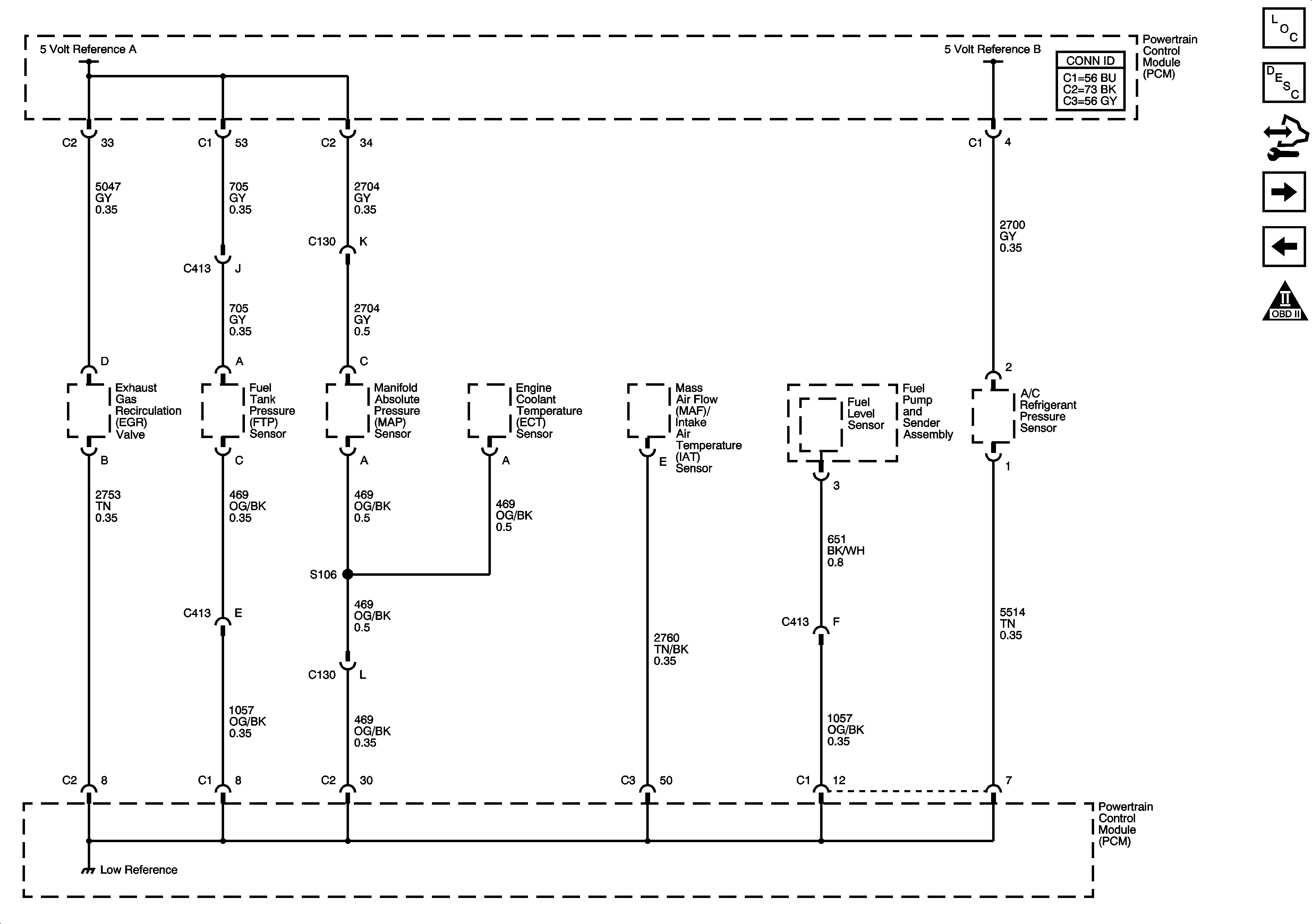
🢒 Engine Data Sensors - 5-Volt and Low Reference
Engine Data Sensors - 5-Volt and Low Reference
Engine Data Sensors - 5-Volt and Low Reference
Master Electrical Component List
Powertrain Control Module Description
Control Module References
Engine Data Sensors - Pressure and Temperature
Power, Serial Data, and MIL
OBD II Symbol Description Notice