GM Service Manual Online
For 1990-2009 cars only

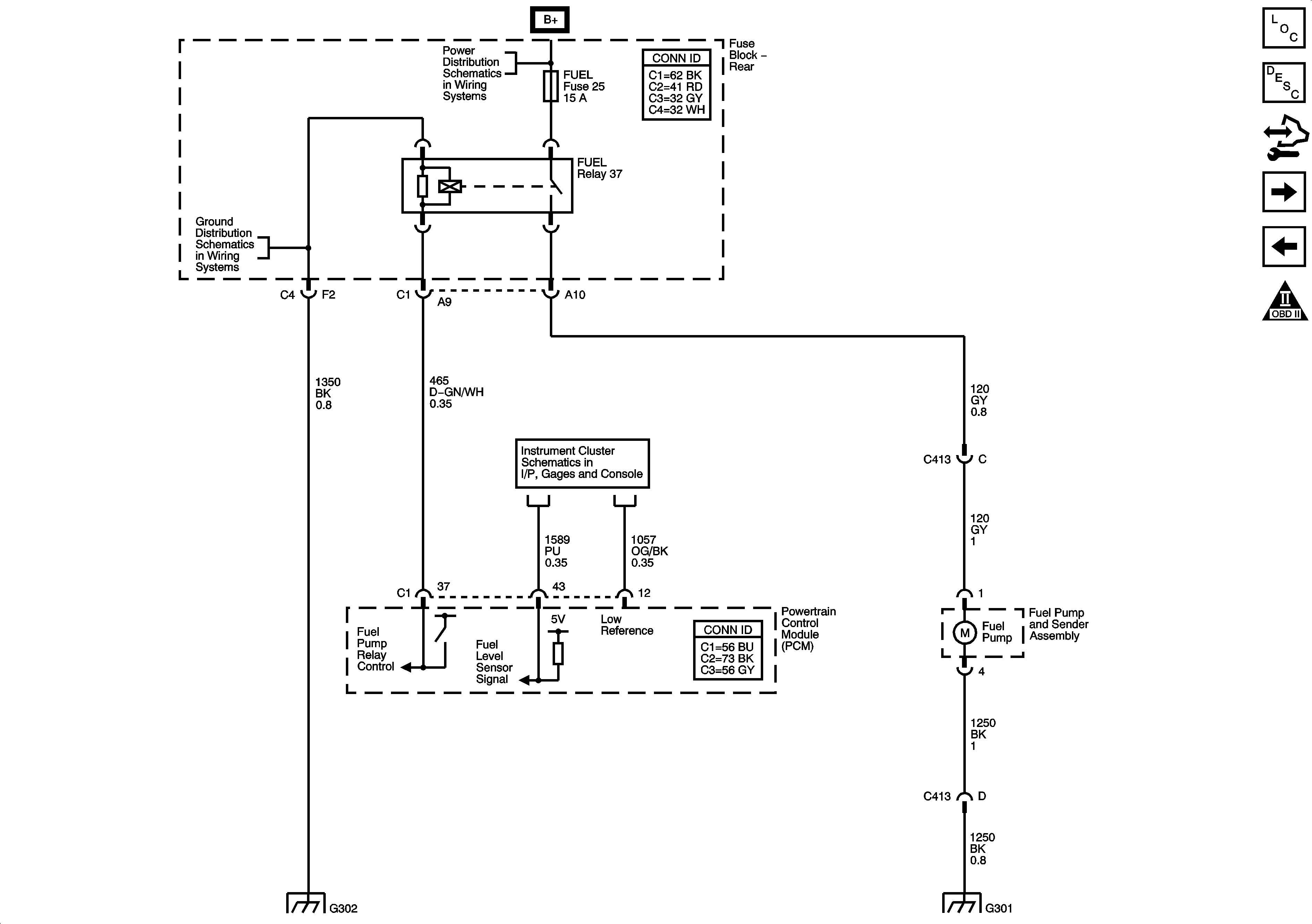
Fuel Controls - Fuel Pump Controls

Fuel Controls - Fuel Pump Controls


Object Number: 1500966  Size: FS
Master Electrical Component List
Fuel System Description
Control Module References
Fuel Controls - Fuel Injectors and EVAP
Ignition Controls - Ignition System
OBD II Symbol Description Notice
Underhood Fuse Block - Run Relay, RBEC Battery 2 Fuses, Rear Fuse BLock - Driver Power Seat, Fuel Pump, Park Lamps, Trunk Release, ERLS Fuses
G302
Indicators