GM Service Manual Online
For 1990-2009 cars only

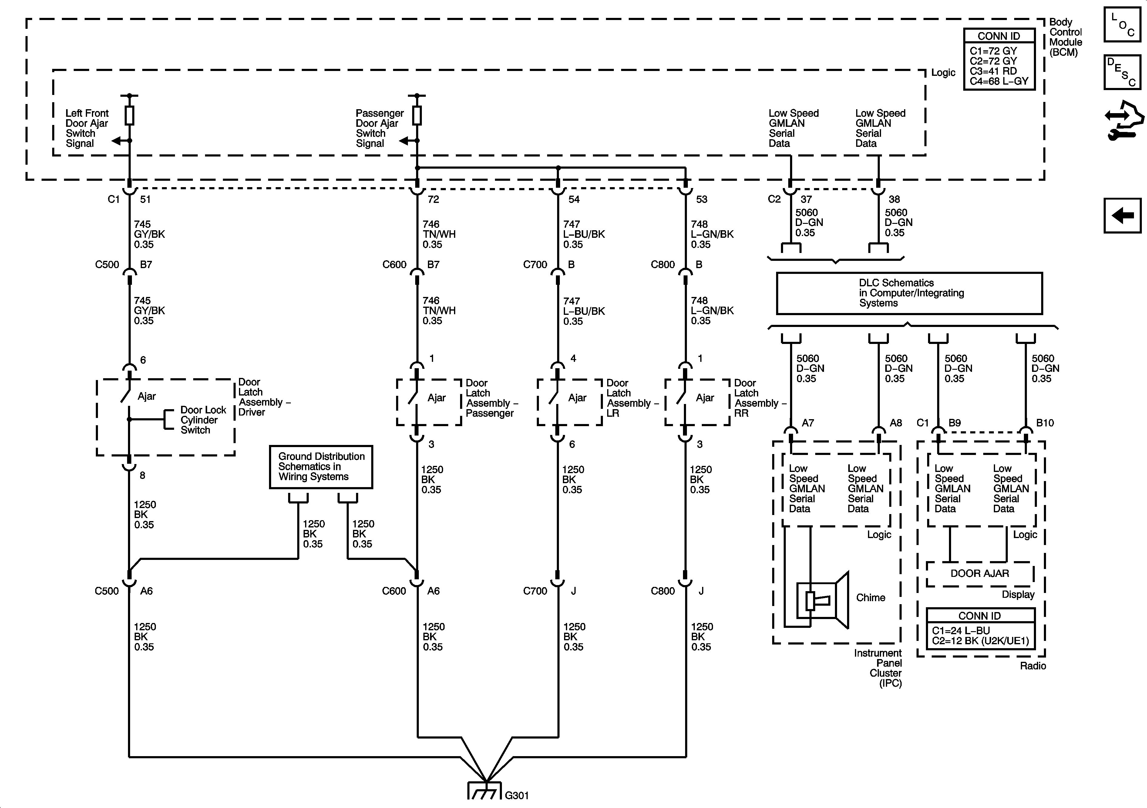
Door Ajar Indicators

Door Ajar Indicators


Object Number: 1501093  Size: FS
Master Electrical Component List
Power Door Locks Description and Operation
Control Module References
Door Lock Actuators
Door Lock Switches
G301
Low Speed Serial Data
G301