GM Service Manual Online
For 1990-2009 cars only
Makes
🢒
Chevrolet
🢒
2005
🢒
Malibu
🢒 OnStar Schematics
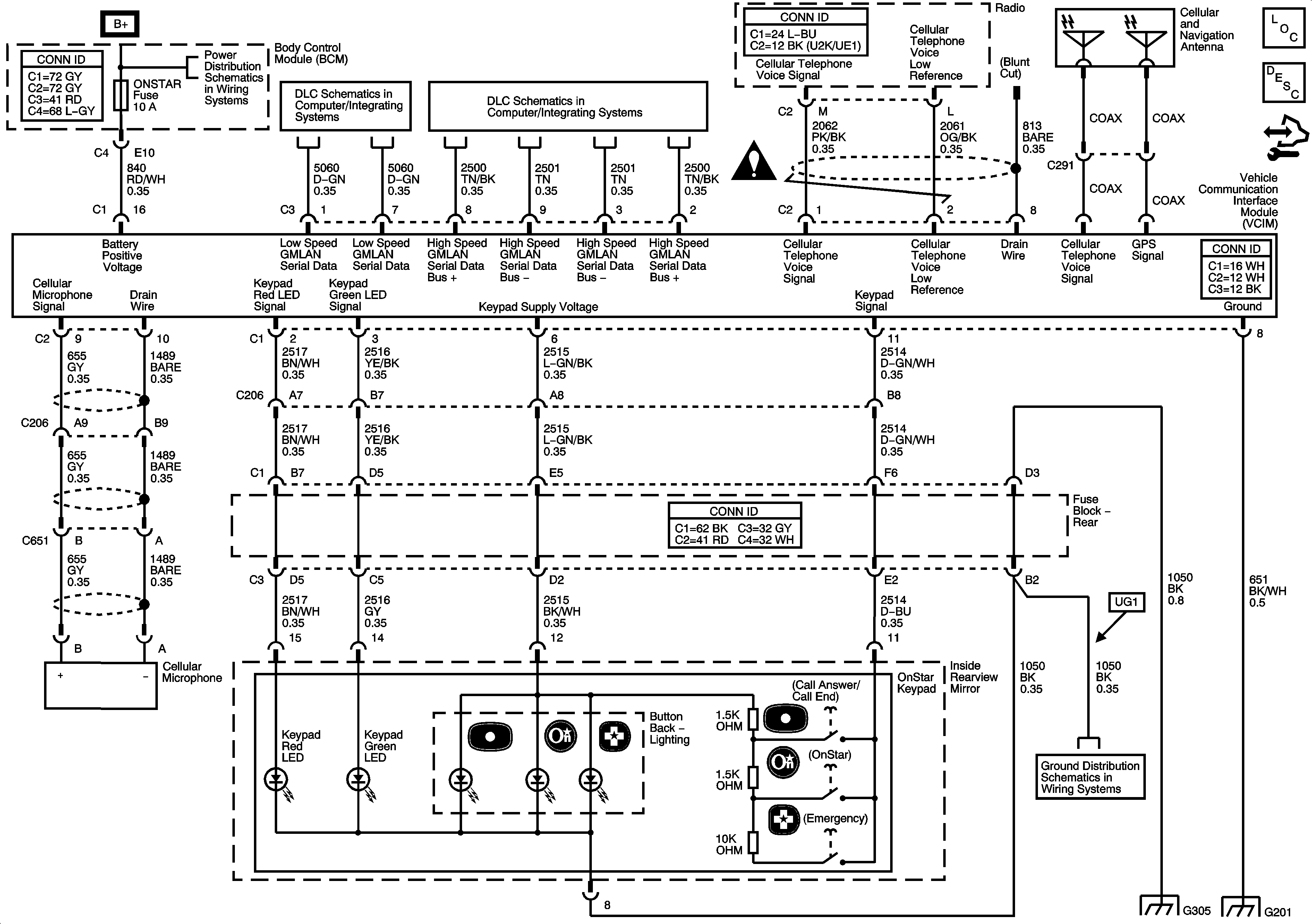
OnStar Schematics
Master Electrical Component List
OnStar Description and Operation
Control Module References
Interior Lights, Power Mirror, Pedal, OnStar Fuses
Low Speed Serial Data
Power, Ground, Class 2 and High Speed Serial Data
Cellular Communication Schematic Icons
G304 and G305
G304 and G305
G201