GM Service Manual Online
For 1990-2009 cars only
Makes
🢒
Chevrolet
🢒
2005
🢒
Malibu
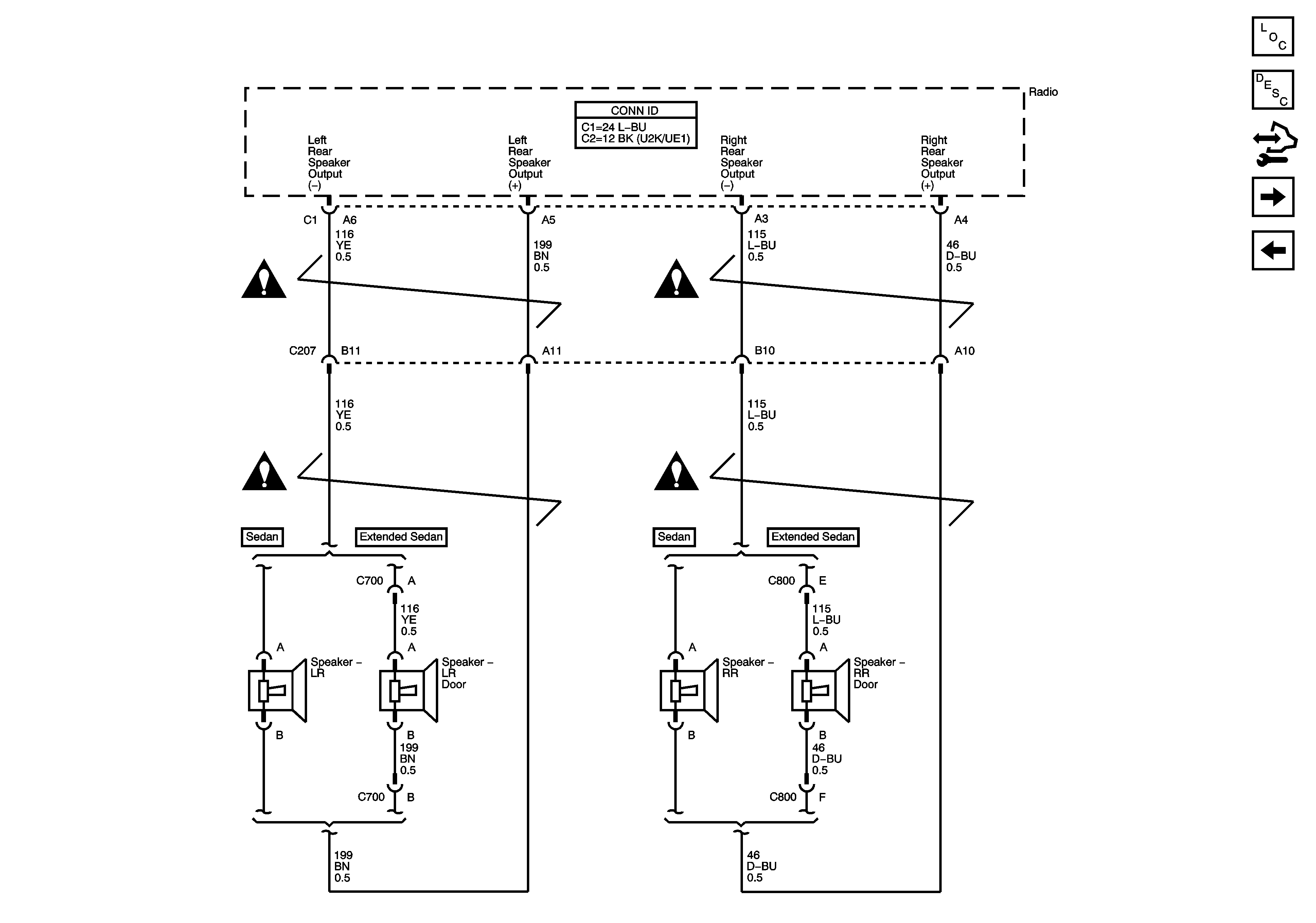
🢒 Rear Speakers w/o UK6, U32, or U2K
Rear Speakers w/o UK6, U32, or U2K
Rear Speakers w/o UK6, U32 or U2K
Master Electrical Component List
Radio/Audio System Description and Operation
Control Module References
Rear Seat Audio (RSA) Controller
Radio Power, Ground, Front Speakers, Antenna, and References
Entertainment Schematic Icons
Entertainment Schematic Icons
Entertainment Schematic Icons
Entertainment Schematic Icons