GM Service Manual Online
For 1990-2009 cars only
Makes
🢒
Chevrolet
🢒
2005
🢒
Malibu
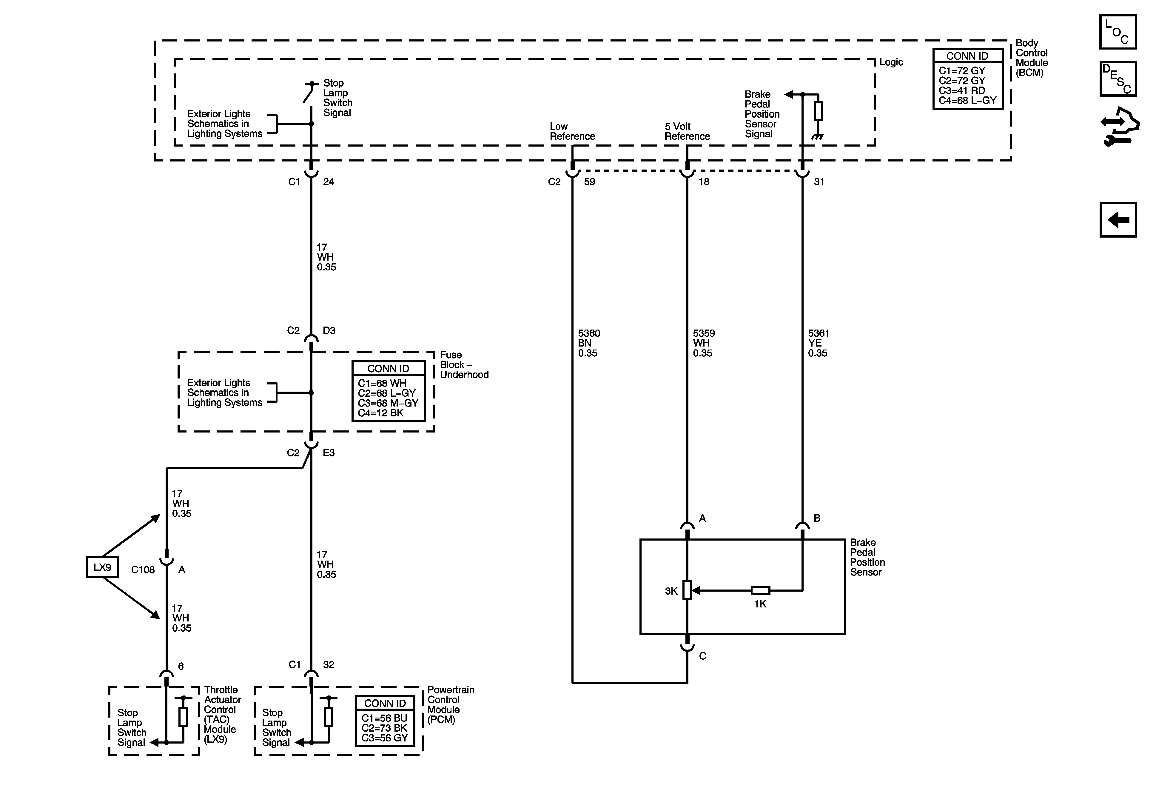
🢒 Brake Pedal Position Sensor and Stop Lamp Switch Signal
Brake Pedal Position Sensor and Stop Lamp Switch Signal
Brake Pedal Position Sensor and Stop Lamp Switch Signal
Master Electrical Component List
Control Module References
Power, Ground, Serial Data and Switches
Turn Signals and Stop Lamps
Turn Signals and Stop Lamps