GM Service Manual Online
For 1990-2009 cars only

Exhaust Muffler Replacement Sedan LS, LT, Maxx LT

Removal Procedure


    Object Number: 1523750  Size: SH
  1. Raise and suitably support the vehicle. Refer to Lifting and Jacking the Vehicle .
  2. If equipped with a 2.2L engine, remove the intermediate pipe to muffler nuts.

  3. Object Number: 1459614  Size: SH
  4. If equipped with a 3.5L engine, remove the rear catalytic converter to muffler nuts.

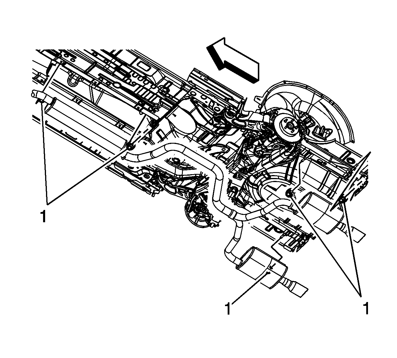
  5. Object Number: 1787811  Size: SH
  6. With the aid of an assistant , separate the muffler insulators (1) from the hangers.
  7. Remove the muffler assembly.

Installation Procedure


    Object Number: 1787811  Size: SH
  1. Install the muffler assembly.
  2. With the aid of an assistant, install the muffler insulators (1) to the hangers.
  3. Notice: Refer to Fastener Notice in the Preface section.


    Object Number: 1459614  Size: SH
  4. If equipped with a 3.5L engine, install the rear catalytic converter to muffler nuts.
  5. Tighten
    Tighten the nuts to 30 N·m (22 lb ft).


    Object Number: 1523750  Size: SH
  6. If equipped with a 2.2L engine, install the intermediate pipe to muffler nuts.
  7. Tighten
    Tighten the nuts to 30 N·m (22 lb ft).

  8. Lower the vehicle.

Exhaust Muffler Replacement Sedan LTZ, Maxx LTZ

Removal Procedure


    Object Number: 1684165  Size: SH
  1. Raise and support the vehicle. Refer to Lifting and Jacking the Vehicle .
  2. Remove the rear catalytic converter to muffler nuts.

  3. Object Number: 1787817  Size: SH
  4. With the aid of an assistant, separate the muffler insulators (1) from the hangers.
  5. Remove the muffler assembly.

Installation Procedure


    Object Number: 1787817  Size: SH
  1. Install the muffler assembly.
  2. With the aid of an assistant, install the muffler insulators (1) to the hangers.
  3. Notice: Refer to Fastener Notice in the Preface section.


    Object Number: 1684165  Size: SH
  4. Install the rear catalytic converter to muffler nuts.
  5. Tighten
    Tighten the nuts to 30 N·m (22 lb ft).

  6. Lower the vehicle.

Exhaust Muffler Replacement Sedan SS, Maxx SS

Removal Procedure


    Object Number: 1684165  Size: SH
  1. Raise and support the vehicle. Refer to Lifting and Jacking the Vehicle .
  2. Remove the rear catalytic converter to muffler nuts.

  3. Object Number: 1787820  Size: SH
  4. With the aid of an assistant, separate the muffler insulators (1) from the hangers.
  5. Remove the muffler assembly.

Installation Procedure


    Object Number: 1787820  Size: SH
  1. Install the muffler assembly.
  2. With the aid of an assistant, install the muffler insulators (1) to the hangers.
  3. Notice: Refer to Fastener Notice in the Preface section.


    Object Number: 1684165  Size: SH
  4. Install the rear catalytic converter to muffler nuts.
  5. Tighten
    Tighten the nuts to 30 N·m (22 lb ft).

  6. Lower the vehicle.