GM Service Manual Online
For 1990-2009 cars only

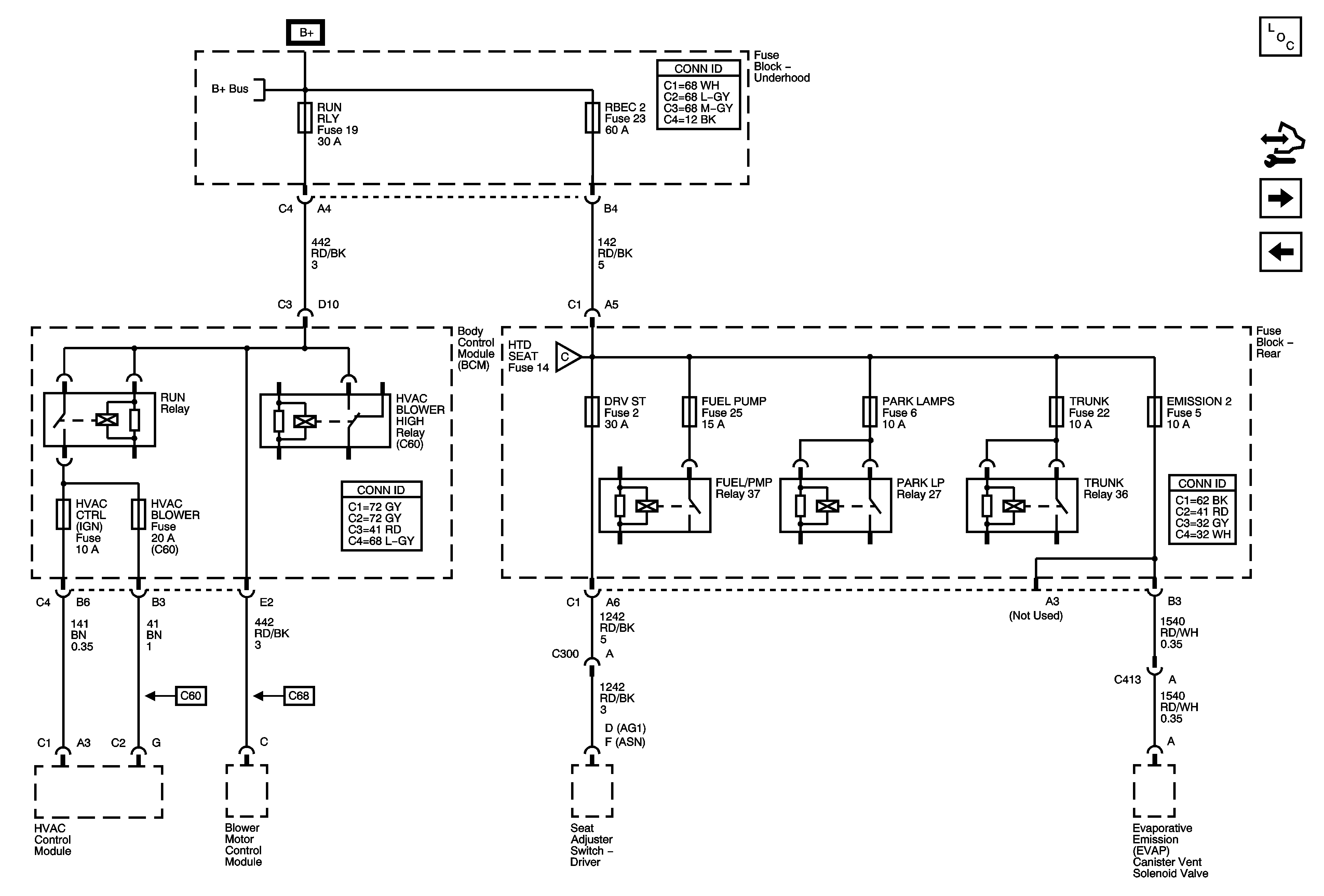
Underhood Fuse Block RBEC 2, RUN RLY, Body Control Module (BCM), HVAC BLOWER HIGH Relay, RUN Relay, HVAC BLOWER, HVAC CTRL (IGN) Rear Fuse Block FUEL/PMP Relay, PARK LP Relay, TRUNK Relay, DRV ST

Underhood Fuse Block RBEC 2, RUN RLY, Body Control Module (BCM), HVAC BLOWER HIGH Relay HVAC BLOWER, HVAC CTRL (IGN) Rear Fuse Block FUEL/PMP Relay, PARK LAMP Relay, TRUNK Relay, DRV ST, EMISSION 2, FUEL PUMP, PARK LAMPS and TRUNK Fuses


Object Number: 1786199  Size: FS
Master Electrical Component List
Control Module References
Underhood Fuse Block RBEC 1 and Rear Fuse Block AUX #2, BCK/UP LAMPS, CIG/AUX, HTD MIR, HTD SEAT, RKE/XM/DVD/UGD, RR DEFOG and S/ROOF Fuses
B+ Bus
Underhood Fuse Block RBEC 1 and Rear Fuse Block AUX #2, BCK/UP LAMPS, CIG/AUX, HTD MIR, HTD SEAT, RKE/XM/DVD/UGD, RR DEFOG and S/ROOF Fuses