GM Service Manual Online
For 1990-2009 cars only
Makes
🢒
Chevrolet
🢒
2007
🢒
Malibu
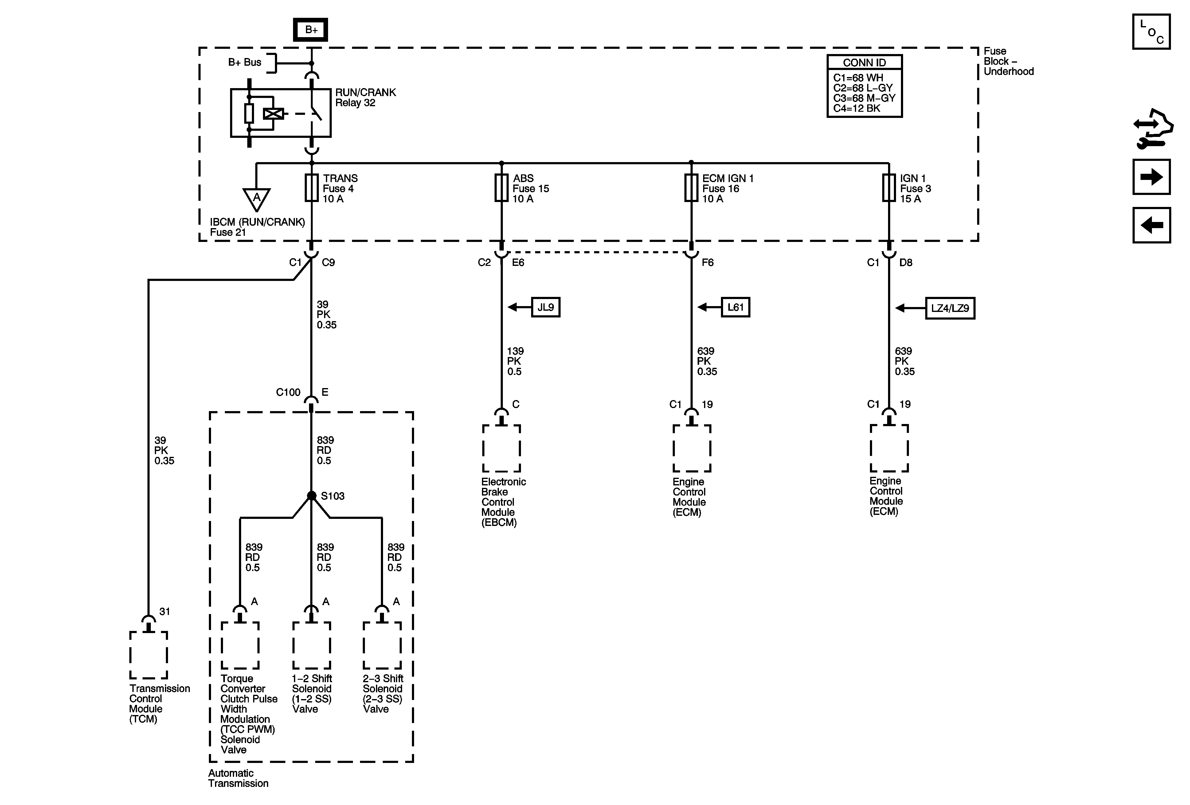
🢒 Underhood Fuse Block RUN/CRANK Relay, ABS, IGN 1, INJ, ECM IGN 1 and TRANS Fuses
Underhood Fuse Block RUN/CRANK Relay, ABS, IGN 1, INJ, ECM IGN 1 and TRANS Fuses
Underhood Fuse Block RUN/CRANK Relay, ABS, IGN 1, INJ, ECM IGN 1 and TRANS Fuses
Master Electrical Component List
Control Module References
Underhood Fuse Block A/C CLUTCH and PWR/TRN Relays, A/C CLU, EMISSION 1, ETC and INJ Fuses
Underhood Fuse Block DRL, HI/BEAM and LO/BEAM Relays, ABS, DRL, EPS, IBCM 1, IBCM 2, LT HI BEAM, LT LOW BEAM, RT HI BEAM, RT LOW BEAM, PCM and TCM Fuses
B+ Bus
Underhood Fuse Block IBCM (RUN/CRANK) Fuse, Body Control Module (BCM) AIR BAG (IGN), EPS and RUN/CRANK Fuses