GM Service Manual Online
For 1990-2009 cars only
Makes
🢒
Chevrolet
🢒
2007
🢒
Malibu
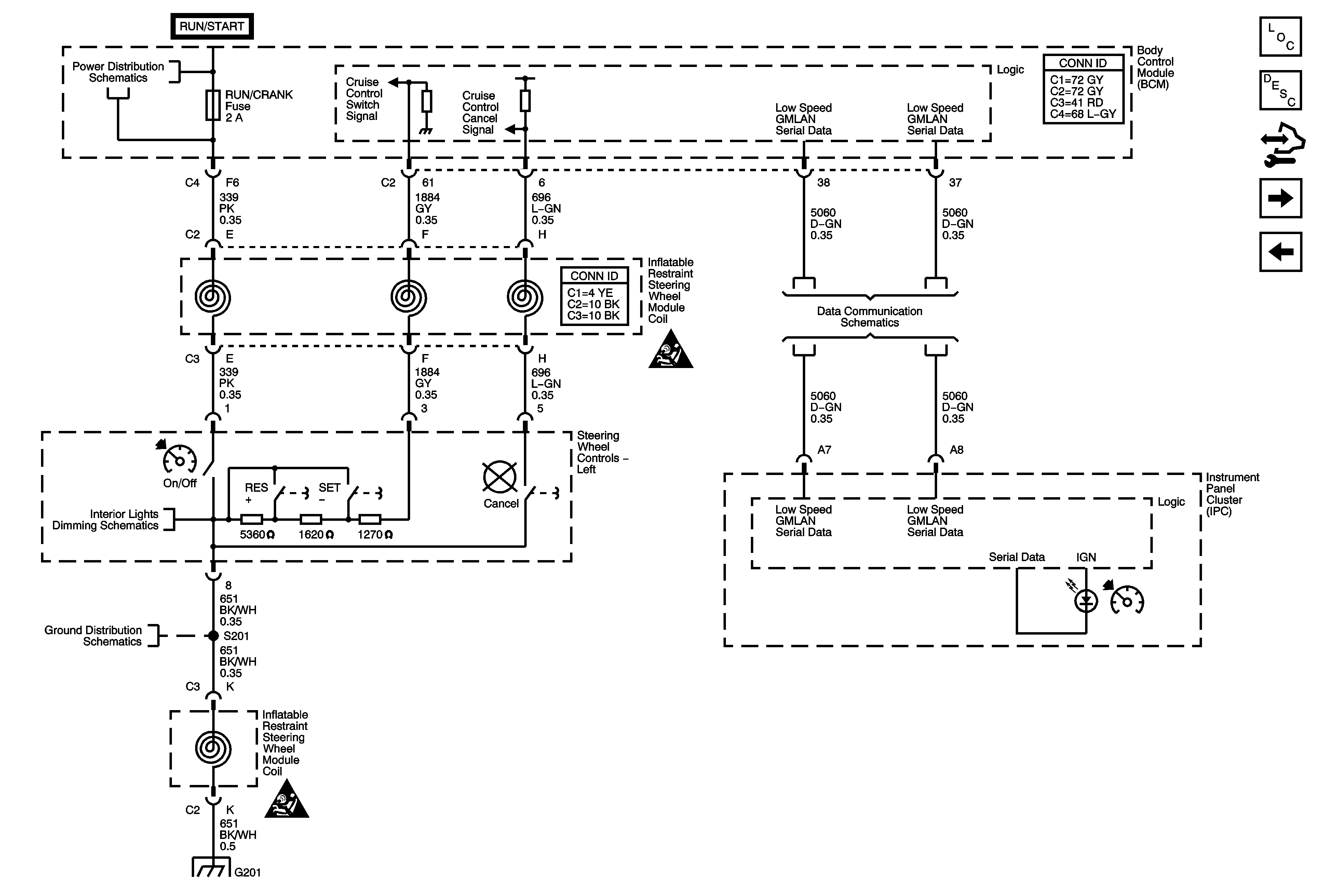
🢒 Steering Wheel Controls (4-Spoke)
Steering Wheel Controls (4-Spoke)
Steering Wheel Controls (4-Spoke)
Master Electrical Component List
Cruise Control Description and Operation
Control Module References
Brake Pedal Position Sensor and Stop Lamp Switch Signal
Steering Wheel Controls (3-Spoke)
Underhood Fuse Block IBCM (RUN/CRANK) Fuse, Body Control Module (BCM) AIR BAG (IGN), EPS and RUN/CRANK Fuses
Switches
G201
G201
Cruise Control Schematic Icons
Cruise Control Schematic Icons