GM Service Manual Online
For 1990-2009 cars only
Makes
🢒
Chevrolet
🢒
2007
🢒
Malibu
🢒 Outputs
Outputs
Outputs
Master Electrical Component List
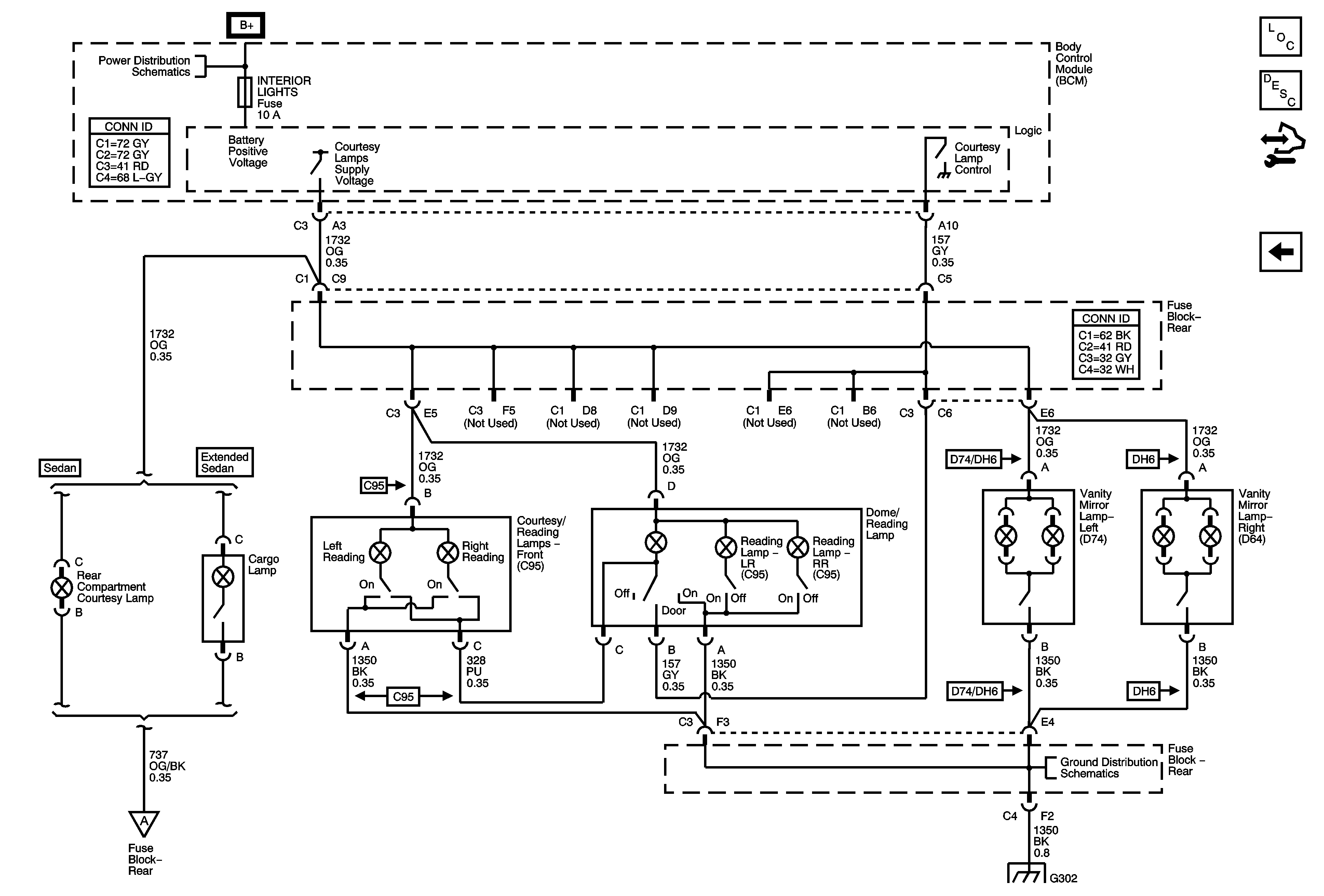
Interior Lighting Systems Description and Operation
Control Module References
Inputs
Door Lock Switches
Sedan
G302
G301
G301