GM Service Manual Online
For 1990-2009 cars only
Makes
🢒
Chevrolet
🢒
2007
🢒
Malibu
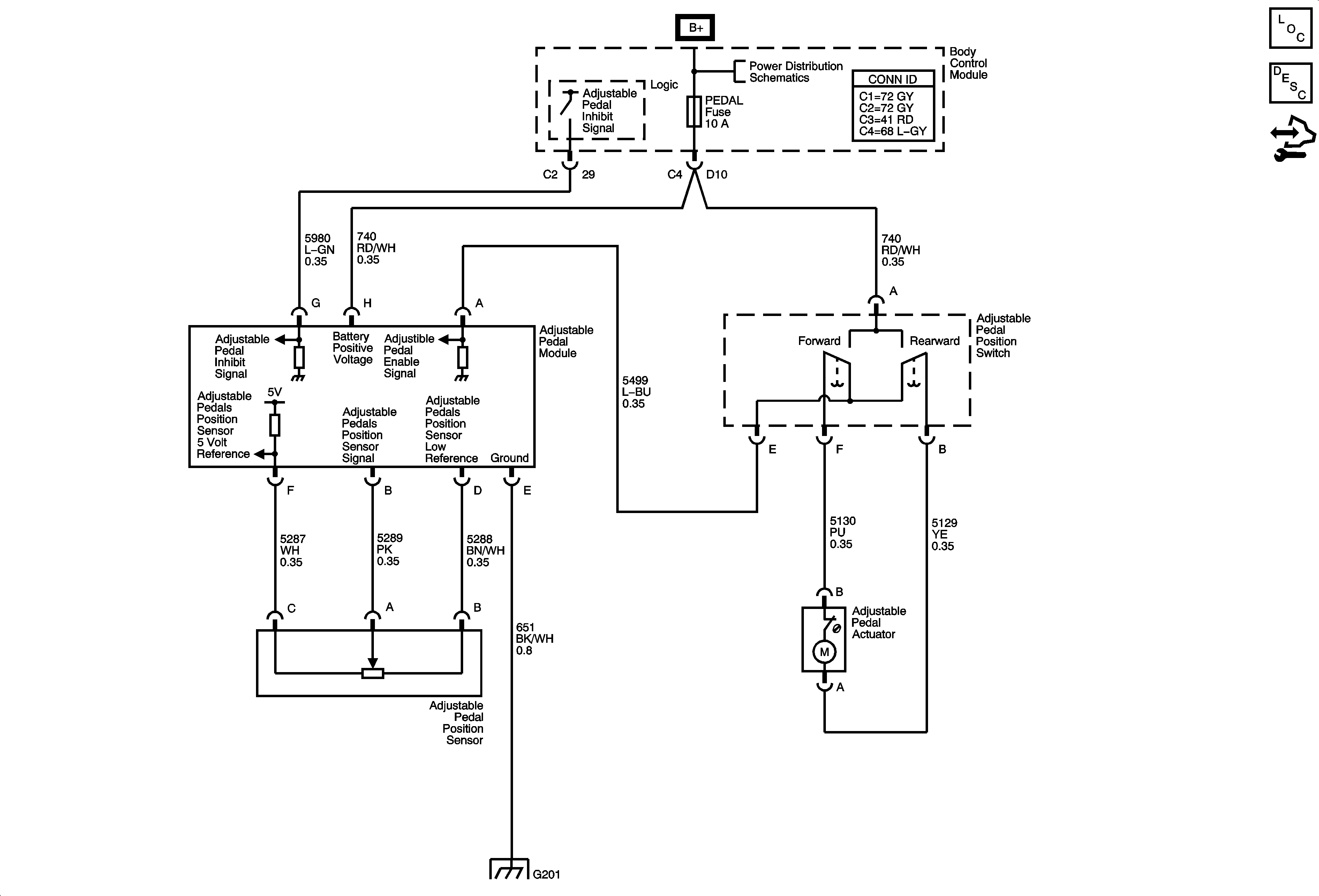
🢒 Adjustable Pedals Schematics
Adjustable Pedals Schematics
Master Electrical Component List
Adjustable Pedals Description and Operation
Control Module References
Body Control Module (BCM), INTERIOR LIGHTS, ONSTAR, PEDAL and POWER MIRRORS Fuses
G201