GM Service Manual Online
For 1990-2009 cars only
Makes
🢒
Chevrolet
🢒
2007
🢒
Malibu
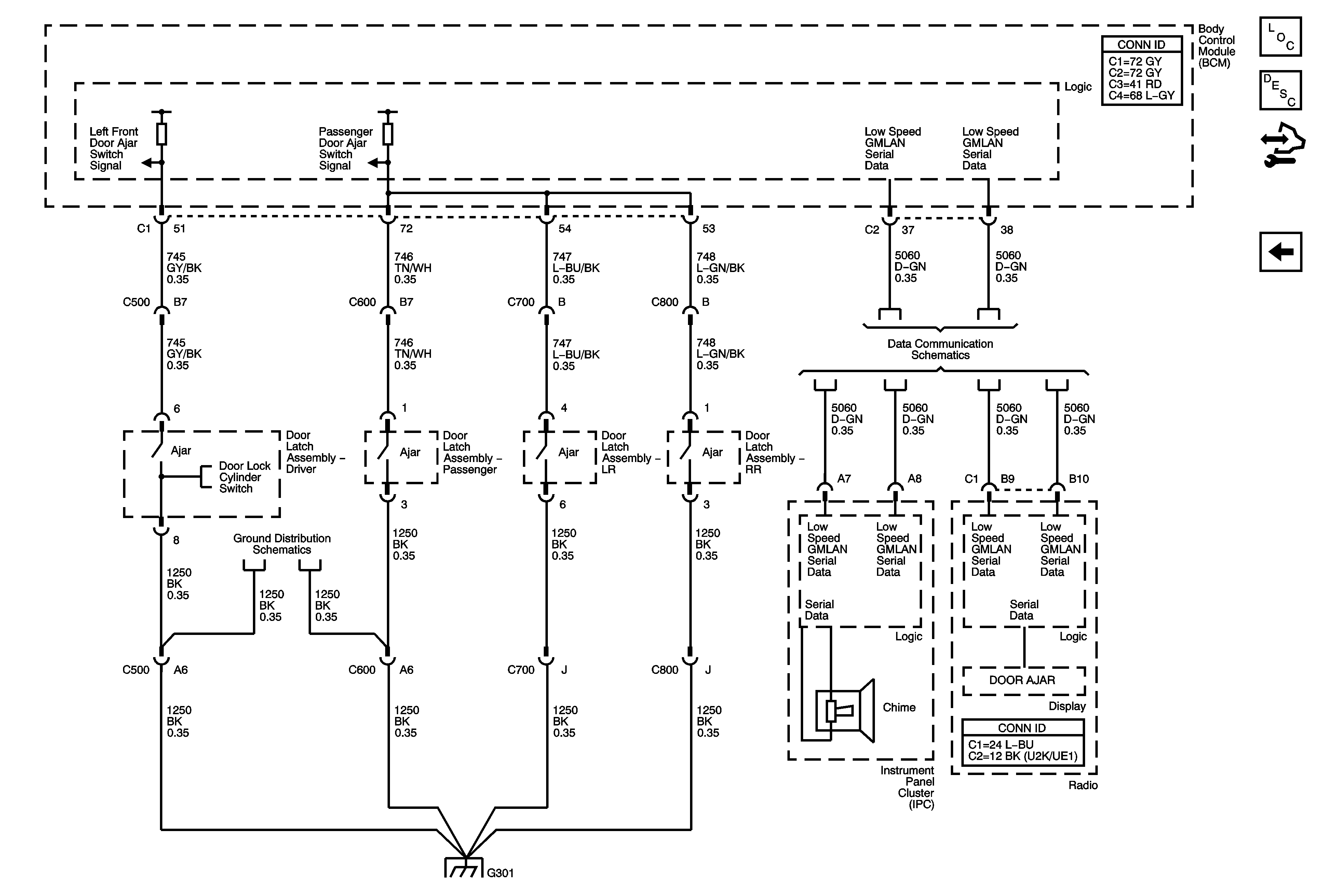
🢒 Door Ajar Indicators
Door Ajar Indicators
Door Ajar Indicators
Master Electrical Component List
Door Ajar Indicator Description and Operation
Control Module References
Door Lock Actuators
Door Lock Switches
G301
Low Speed Serial Data
G301