GM Service Manual Online
For 1990-2009 cars only
Makes
🢒
Chevrolet
🢒
2007
🢒
Malibu
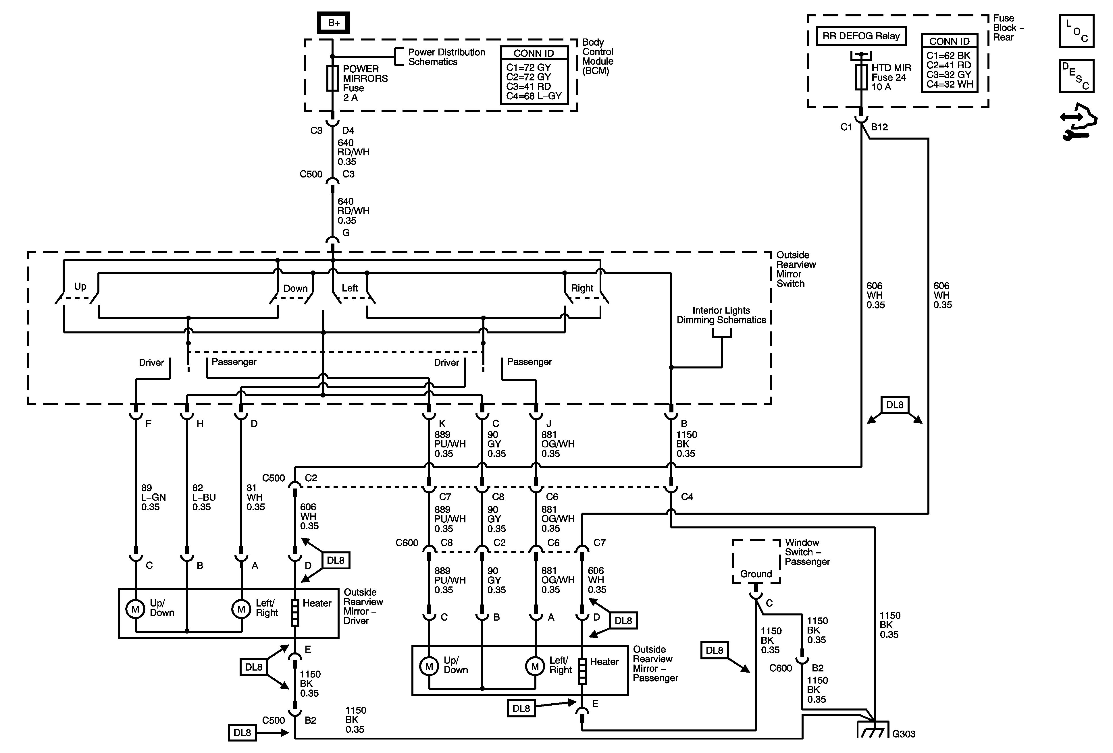
🢒 Outside Rearview Mirror Schematics
Outside Rearview Mirror Schematics
Master Electrical Component List
Outside Mirror Description and Operation
Control Module References
Body Control Module (BCM), INTERIOR LIGHTS, ONSTAR, PEDAL and POWER MIRRORS Fuses
Switches
G303